QQ登录

只需一步,快速开始

登录 | 注册 | 找回密码

三维网

 找回密码
 注册

QQ登录

只需一步,快速开始

展开

通知     

全站
8天前
查看: 5532|回复: 9
收起左侧

[求助] 螺栓在铝合金件上的拧紧力矩

[复制链接]
发表于 2016-7-6 08:20:54 | 显示全部楼层 |阅读模式 来自: 中国浙江杭州

马上注册,结识高手,享用更多资源,轻松玩转三维网社区。

您需要 登录 才可以下载或查看,没有帐号?注册

x
公司目前有铝合金件,上有螺孔,查了很久,没找到螺栓在铝合金件上的拧紧力矩标准,麻烦各位大侠,有这方面的资料提供吗?
: [& a  M' U+ f$ w) @$ c+ X  u小弟先在此谢过!
: w9 X" `0 o8 L# v/ |
发表于 2016-7-6 10:11:05 | 显示全部楼层 来自: 中国浙江宁波
本帖最后由 han912xue 于 2016-7-6 10:20 编辑
$ n1 \9 d9 z( O* ]2 X% J5 C, \% P2 ]4 B4 O5 e: p. [
目前暂无此类标准,不过楼主可以根据自己的需要进行计算获得预紧力矩
7 j0 `7 S& b$ z3 N/ Y( P( M$ H' l* i, U3 |$ C( A0 T
T=KFd计算
# G& H( M2 b- K4 \F为预紧力,根据自己的需要选取' k7 C/ ]* h% E( a2 T. a0 {. Z% p
T为拧紧力矩3 E$ L: ~2 {. `/ D2 i" N
K拧紧力矩系数,可取0.26 f2 i) a% t7 P
d为螺栓大径

评分

参与人数 1三维币 +2 收起 理由
开亮 + 2 应助

查看全部评分

 楼主| 发表于 2016-7-7 15:09:02 | 显示全部楼层 来自: 中国浙江杭州
han912xue 发表于 2016-7-6 10:11* N: b8 ?1 V. h! n3 f2 X
目前暂无此类标准,不过楼主可以根据自己的需要进行计算获得预紧力矩0 V& ]8 x3 l! `6 A" J) s
  W- t/ d7 W+ M( m  Y% Q; A' E
T=KFd计算
! r0 T- y* H" `, f: x# ~
按这个公式不行的,如果预紧力很大,铝合金螺纹不就坏了么# L# P. B! L- k+ `% H7 |
另外如果螺栓拧在铝合金上只有2-3牙,按普通的拧紧力矩标准,估计铝合金内螺纹也会坏!
 楼主| 发表于 2016-7-7 15:11:00 | 显示全部楼层 来自: 中国浙江杭州
现在要确定的是能有多大的预紧力不破坏铝合金的内螺纹?如果知道了预紧力,那就根据T=KFD计算拧紧力矩,是这样,没错吧?

评分

参与人数 1三维币 +2 收起 理由
plc + 2 技术讨论

查看全部评分

发表于 2016-7-7 15:47:33 | 显示全部楼层 来自: 中国浙江宁波
sstone79 发表于 2016-7-7 15:11
3 q& X" e% ?8 `) r6 g- D现在要确定的是能有多大的预紧力不破坏铝合金的内螺纹?如果知道了预紧力,那就根据T=KFD计算拧紧力矩,是 ...

$ m3 G' N$ _. k. w# w你说得对

评分

参与人数 1三维币 +2 收起 理由
plc + 2 应助

查看全部评分

发表于 2016-7-22 19:27:12 | 显示全部楼层 来自: 中国重庆
1、网上有许多用于参考的螺栓扭紧力矩,楼主可直接选来用(如M8,力矩为22-30NM);* Z* s* C7 z5 S- Q6 F
2、螺栓安装在铝合金上,国家标准规定扭入尝试为1.5d-2.5d,一般取2d,不应该出现只有2-3牙的情况。

评分

参与人数 1三维币 +2 收起 理由
plc + 2 技术讨论

查看全部评分

发表于 2016-7-22 21:19:09 | 显示全部楼层 来自: 中国河南焦作
sstone79 发表于 2016-7-7 15:09% P" _; i: T. P7 c
按这个公式不行的,如果预紧力很大,铝合金螺纹不就坏了么3 n0 O# c# J% C4 @
另外如果螺栓拧在铝合金上只有2-3牙,按普通 ...
0 O7 ^+ O6 o# W* S! l. C. b0 _7 G, V' {
你说的这种情况用不着计算,凭经验/感觉就可以拧紧而不破坏螺纹
发表于 2016-7-23 05:03:53 | 显示全部楼层 来自: 中国辽宁抚顺
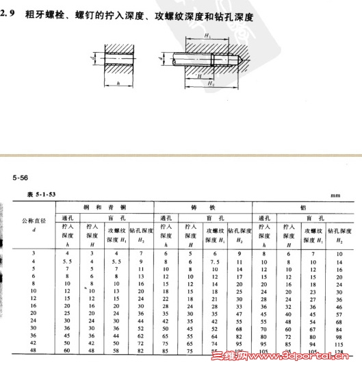
拧紧力矩一般为保证压力、连接强度等由设计者规定,所以没有统一标准,铝合金就更谈不上了。你可以从下表估计出拧紧力矩。
1.jpg

评分

参与人数 1三维币 +2 收起 理由
plc + 2 应助

查看全部评分

发表于 2016-8-23 15:47:19 | 显示全部楼层 来自: 中国江苏无锡
个人认为* L8 T! x; _+ |0 }; L& M& N
1.在多大预紧力F的时候,你内螺纹的牙会被剪切掉(内螺纹的壁厚够厚),T=KFd
& u; h* q. z7 x2 o4 z2.在多大预紧力F的时候,你内螺纹的会被压坏(螺纹牙足够长),T=KFd
! T3 Z- G9 K# w以上指的是屈服破坏,取两者最小值
发表于 2016-8-25 08:59:08 | 显示全部楼层 来自: 中国黑龙江哈尔滨

001

001
上图中螺栓材料的屈服极限,按铝合金件的材料的数值确定就能算出来了。也可按照普通螺纹的来计算。
1 p3 z9 O/ ]2 x$ M' y1 H' Z例如先查出来[size=18.018px]强度等级3.6的螺纹的拧紧力矩,然后根据强度等级3.6的螺纹材料屈服极限是300MPa这个数值来换算., d& n9 Q4 j" g2 n2 R4 D% [

/ p. F) C* k. G1 K5 S
发表回复
您需要登录后才可以回帖 登录 | 注册

本版积分规则

Licensed Copyright © 2016-2020 http://www.3dportal.cn/ All Rights Reserved 京 ICP备13008828号

小黑屋|手机版|Archiver|三维网 ( 京ICP备2023026364号-1 )

快速回复 返回顶部 返回列表