QQ登录

只需一步,快速开始

登录 | 注册 | 找回密码

三维网

 找回密码
 注册

QQ登录

只需一步,快速开始

展开

通知     

全站
8天前
查看: 4661|回复: 14
收起左侧

[已解决] 这么大的卷圆怎么翻边

[复制链接]
发表于 2006-10-18 18:26:23 | 显示全部楼层 |阅读模式 来自: 中国上海

马上注册,结识高手,享用更多资源,轻松玩转三维网社区。

您需要 登录 才可以下载或查看,没有帐号?注册

x
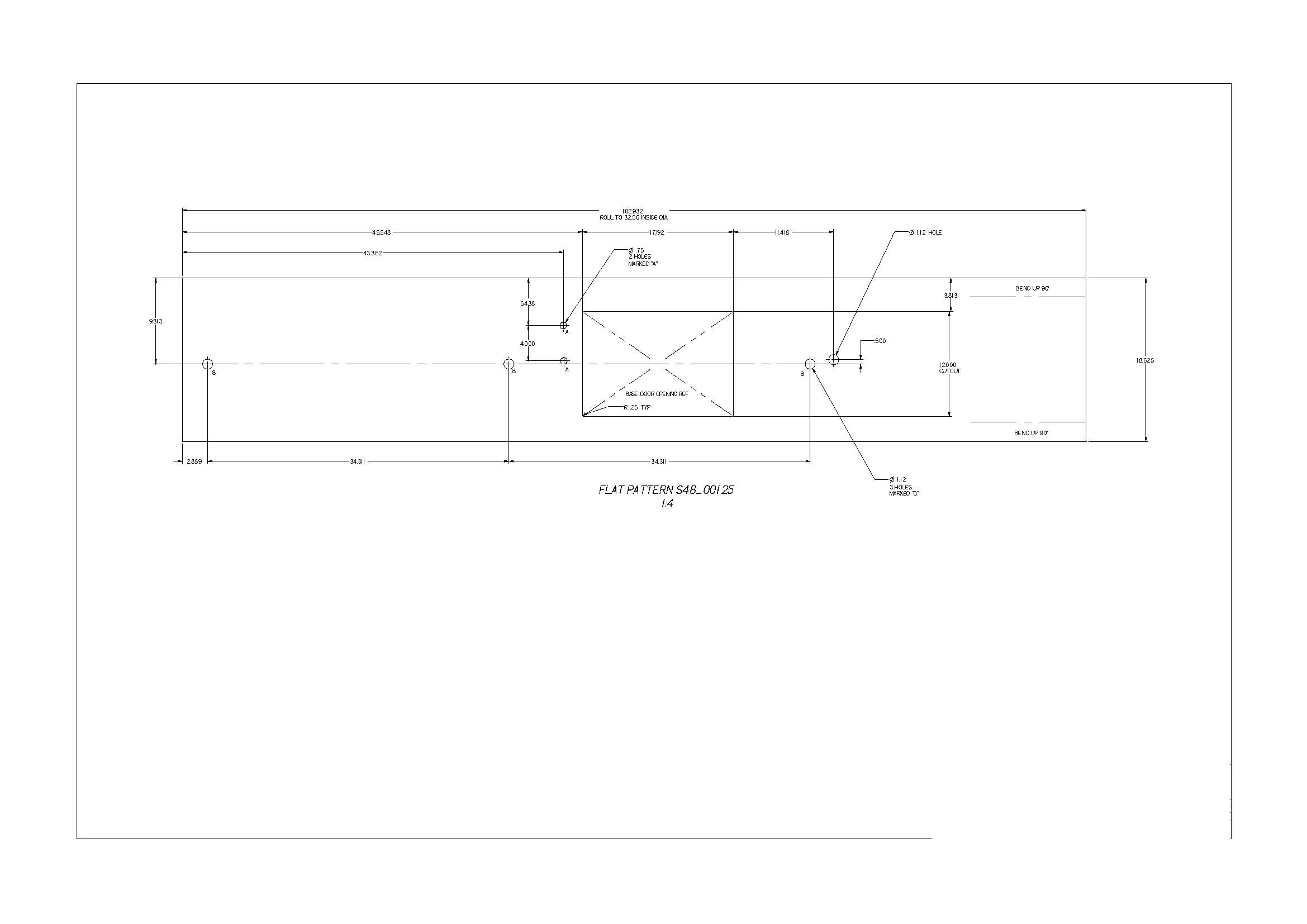
求助高人,知道这个零件是用怎样的模具或设备加工出来的;有谁可以推荐一下上海的厂家?' a6 l, T& Y$ h, }4 Z/ g& B/ S- u% g/ W
图纸见附件;注意:这个零件上的法兰是一体的,不允许焊接出来' z: m% R& @: x( r) A( O' D
/ n- v; k! A! k
非常感谢!!

S4800125_CH.pdf

56.87 KB, 下载次数: 40

发表于 2006-12-4 14:06:36 | 显示全部楼层 来自: 中国北京
中间留一条焊缝是否要对接?
发表于 2007-3-19 04:00:49 | 显示全部楼层 来自: 中国辽宁鞍山
用滚压装置就能加工出来.
发表于 2007-3-19 10:21:19 | 显示全部楼层 来自: 中国山西长治
先用板料,冲孔,下料.
6 Z1 [2 A8 Y' @2 k7 {9 O) c然后再铆钉成筒形.
- F( G( ^/ L+ F$ d# q( T& Y最后再翻边!

评分

参与人数 1三维币 +3 收起 理由
sxw68 + 3 应助

查看全部评分

发表于 2007-5-28 22:45:15 | 显示全部楼层 来自: 中国山东淄博
支持4#楼的说法.good
发表于 2007-6-2 16:31:38 | 显示全部楼层 来自: 中国上海
落料,冲孔,滚轧成形后焊接.
3 p/ B, Y( B) e8 I
, u1 x1 N' z- ?
9 Q* S3 r8 B# e6 M) i3 Z楼主要求是不能銲接的
" Q7 V) o, K5 N, V6 O6 m# N/ R, f8 G
[ 本帖最后由 阿帕奇 于 2007-6-2 16:44 编辑 ]
发表于 2007-6-5 10:19:38 | 显示全部楼层 来自: 中国广东中山
法兰边除了翻边,也可以采用旋压成型的办法: J  o' B; T. `2 R8 J- U3 y4 o! n" G

9 Q( ^- [' C% G7 {* K( c# c$ x[ 本帖最后由 mr.lee 于 2007-6-5 10:21 编辑 ]
S4800125_CH_页面_1.jpg
S4800125_CH_页面_2.jpg
发表于 2007-6-8 00:23:47 | 显示全部楼层 来自: 中国河北唐山
我的工艺,下料、冲孔、卷圆桶焊接、磨焊口、最后用三滚卷板机安装专用滚轮分两次辊压成型。这样成本不是很高能够搞定!但那个桶壁的大方孔好像还要研究,应该是卷完以后加工,关键是用什么方法去除。还有法兰上的孔也要辊压以后再弄。
* I5 s0 ^3 e8 P6 S$ M3 H" j! n4 Y4 [4 R( B. T8 n9 P5 l
[ 本帖最后由 apollomq 于 2007-6-8 00:38 编辑 ]

评分

参与人数 1三维币 +3 收起 理由
mr.lee + 3 鼓励参与

查看全部评分

发表于 2007-6-13 20:29:50 | 显示全部楼层 来自: 中国河南南阳
下料------拉深(带凸缘)--------冲底孔------------ 卷缘(车床修边及旋压)------成品  绝对不用焊接% t9 ~1 E; o0 o( P2 q: Y3 w3 v
. j+ {, Y8 |% R/ l3 s
[ 本帖最后由 xutaoddd 于 2007-6-13 20:32 编辑 ]

评分

参与人数 1三维币 +3 收起 理由
mr.lee + 3 鼓励参与

查看全部评分

发表于 2007-6-13 20:56:13 | 显示全部楼层 来自: 中国山东潍坊
下料.冲孔,冲切口,卷圆,焊接用自动氩弧焊,磨焊口,液压涨型翻边一次成形,最后钻法兰孔.

评分

参与人数 1三维币 +3 收起 理由
mr.lee + 3 鼓励参与

查看全部评分

发表于 2007-7-8 20:34:15 | 显示全部楼层 来自: 中国江苏扬州
这个我也不知道呀!!
发表于 2009-5-17 07:59:38 | 显示全部楼层 来自: 中国山东潍坊
这好像是薄板钣金件,看不清图纸
发表于 2009-5-17 12:58:18 | 显示全部楼层 来自: 中国浙江宁波
看不懂哦看不懂哦
发表于 2009-7-4 15:40:23 | 显示全部楼层 来自: 中国贵州遵义

回复 9# xutaoddd 的帖子

差不多5MM的板啊,能拉伸??
发表于 2009-7-4 15:45:50 | 显示全部楼层 来自: 中国贵州遵义
这个好象是轴流风机的外壳,工艺如下:开料--冲方孔--卷圆---焊接--辊边--钻孔
发表回复
您需要登录后才可以回帖 登录 | 注册

本版积分规则


Licensed Copyright © 2016-2020 http://www.3dportal.cn/ All Rights Reserved 京 ICP备13008828号

小黑屋|手机版|Archiver|三维网 ( 京ICP备2023026364号-1 )

快速回复 返回顶部 返回列表