QQ登录

只需一步,快速开始

登录 | 注册 | 找回密码

三维网

 找回密码
 注册

QQ登录

只需一步,快速开始

展开

通知     

全站
7天前
查看: 2544|回复: 7
收起左侧

[已解决] 这么大的卷圆怎么翻边

[复制链接]
发表于 2006-10-18 18:45:50 | 显示全部楼层 |阅读模式 来自: 中国上海

马上注册,结识高手,享用更多资源,轻松玩转三维网社区。

您需要 登录 才可以下载或查看,没有帐号?注册

x
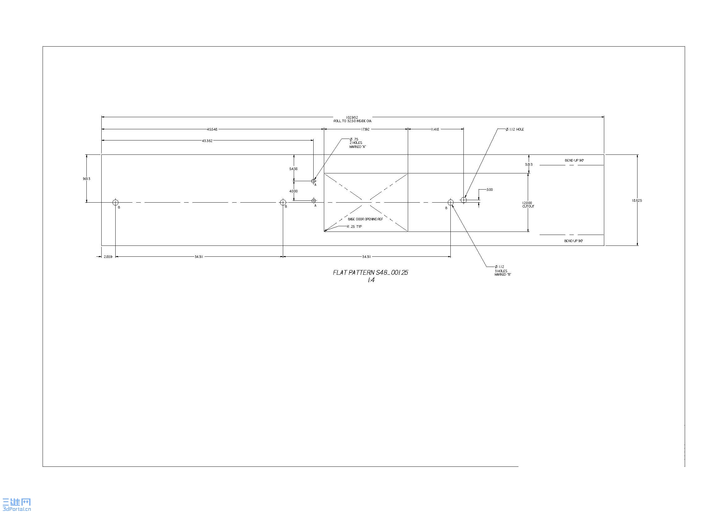
求助高人,知道这个零件是用怎样的模具或设备加工出来的;有谁可以推荐一下上海的厂家?8 s( R6 y3 y( `" m& b
图纸见附件;注意:这个零件上的法兰是一体的,不允许焊接出来0 }( Y7 r! [0 r& f
8 D  ^+ w8 a/ R1 X& f' \% ~1 D6 E
非常感谢!!

S4800125_CH.pdf

56.87 KB, 下载次数: 18

 楼主| 发表于 2006-10-19 11:14:59 | 显示全部楼层 来自: 中国上海
自己顶一下,别沉了 :( :( :( :(
发表于 2006-10-19 15:31:55 | 显示全部楼层 来自: 中国山东烟台
看了一下,是英文图纸,大概翻译了一下,方便大家重新上传。
S4800125_CH_页面_1.jpg
S4800125_CH_页面_2.jpg

S4800125_CH.rar

48.93 KB, 下载次数: 5

发表于 2006-10-19 17:14:06 | 显示全部楼层 来自: 中国广东中山
是不是先冲压好毛坯在卷的?高手说说学习下
 楼主| 发表于 2006-10-19 17:44:48 | 显示全部楼层 来自: 中国上海
按照工艺来说,是应该先冲好中间的孔,再圈圆,然后翻边,最后配法兰的孔和开大孔,关键是这么大的翻边怎么做?
发表于 2006-12-21 10:01:19 | 显示全部楼层 来自: 中国河南许昌
应该是这样的,先开好孔,然后折弯,再用型弯机卷弯,一次成型!你的工件料厚很薄,型弯机没问题的!

评分

参与人数 1三维币 +3 收起 理由
sxw68 + 3 应助

查看全部评分

发表于 2006-12-21 11:24:24 | 显示全部楼层 来自: 中国河南郑州
先冲孔,然后翻边,最后圈圆,这样可以一次成型,圈圆后可以采用焊接的方法进行
发表于 2006-12-21 15:12:40 | 显示全部楼层 来自: 中国河南焦作
要想作好这个工件应注意以下几个问题:
- H0 `- e( @" l8 c5 \( H6 L, x& a圆桶件成型如下,不涉及其它结构制作.
7 m1 r+ l; l4 h4 g" [! l予成型时,圆桶的周长要长许多,圆桶的高度也要加高这是为后面的精做留下足够的余量.
/ R% @' j' p9 b( N4 S" T9 P具体做法:下料,圈圆,予焊,一次翻边.二次翻边,割除多余的周长,焊接,整形,加工边沿外圆.& V$ H" d5 E2 Q1 X/ L" Z, N
注意边沿的外圆由于翻边会变薄.

评分

参与人数 1三维币 +6 收起 理由
sxw68 + 6 应助

查看全部评分

发表回复
您需要登录后才可以回帖 登录 | 注册

本版积分规则


Licensed Copyright © 2016-2020 http://www.3dportal.cn/ All Rights Reserved 京 ICP备13008828号

小黑屋|手机版|Archiver|三维网 ( 京ICP备2023026364号-1 )

快速回复 返回顶部 返回列表