QQ登录

只需一步,快速开始

登录 | 注册 | 找回密码

三维网

 找回密码
 注册

QQ登录

只需一步,快速开始

展开

通知     

全站
7天前
查看: 2445|回复: 7
收起左侧

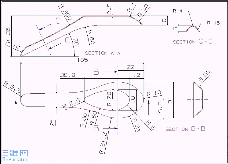
[讨论] 谁能把剩下的添上曲面?勺子轮廓

[复制链接]
发表于 2006-10-19 11:57:03 | 显示全部楼层 |阅读模式 来自: 中国山东青岛

马上注册,结识高手,享用更多资源,轻松玩转三维网社区。

您需要 登录 才可以下载或查看,没有帐号?注册

x
谁能把剩下的添上曲面?勺子轮廓
2006-10-19_11-40-42.jpg

shaozi.rar

85.31 KB, 下载次数: 69

2006r2文件

 楼主| 发表于 2006-10-19 11:59:32 | 显示全部楼层 来自: 中国山东青岛
。。。。。。。。。。。。。
3086520--embed.jpg
发表于 2006-10-23 21:53:35 | 显示全部楼层 来自: 中国江苏徐州
我用三维电子图版画出轮廓线,无法添加曲面!
发表于 2006-10-23 22:38:58 | 显示全部楼层 来自: 中国四川德阳
老是打开文件失败?
: x7 `3 Y8 {$ ~你的版本比我的版本高吗?. p$ @% ?6 l0 g3 S
我用的是2005
发表于 2006-10-25 14:05:15 | 显示全部楼层 来自: 中国浙江台州
真正的要弄精,弄懂CAXA实体要多久
 楼主| 发表于 2006-10-25 18:35:16 | 显示全部楼层 来自: 中国山东青岛
原帖由 Ljdqe 于 2006-10-23 22:38 发表  C6 n" E3 z& C4 a% w' O: Y
老是打开文件失败?
# |+ Z0 s9 U' i, y你的版本比我的版本高吗?7 Y) h! d9 I. H7 y7 n4 S
我用的是2005
1 ^4 G4 m! v; M( d- c
我是2006r2
头像被屏蔽
发表于 2007-7-28 18:35:44 | 显示全部楼层 来自: 中国浙江绍兴
提示: 作者被禁止或删除 内容自动屏蔽
发表于 2007-8-7 22:32:01 | 显示全部楼层 来自: 中国甘肃兰州
建议WANGHAO003把勺子的具体制作方法发一个教程上来。看过你的大作,但是有一些关键步骤很难理解。等待你的大作教程,对曲面学习大有意义。先谢谢了!
发表回复
您需要登录后才可以回帖 登录 | 注册

本版积分规则


Licensed Copyright © 2016-2020 http://www.3dportal.cn/ All Rights Reserved 京 ICP备13008828号

小黑屋|手机版|Archiver|三维网 ( 京ICP备2023026364号-1 )

快速回复 返回顶部 返回列表