QQ登录

只需一步,快速开始

登录 | 注册 | 找回密码

三维网

 找回密码
 注册

QQ登录

只需一步,快速开始

展开

通知     

查看: 6191|回复: 13
收起左侧

[求助] 各位大神,求教2017版本界面问题啊

[复制链接]
发表于 2016-9-25 21:55:13 | 显示全部楼层 |阅读模式 来自: 中国湖北武汉

马上注册,结识高手,享用更多资源,轻松玩转三维网社区。

您需要 登录 才可以下载或查看,没有帐号?注册

x
首先多谢ssq老大和热心坛友汉化包的无私分享,让我们闭塞的小地方的小工仔也能用上2017。
2 m3 E" I7 F  I, I不过界面实在改的面目全非了,有些东西找不到在哪里了。
/ X2 P: X2 ?. i于是请教各位大神:- @0 G. \6 F3 s" q* X# a
1、我主要做简单2d产品,绘图区太白,我应该把上下渐变色用哪种颜色比较好,对比度高又不影响线条的显示观察,如有,请大神指出颜色数字编号?
% N+ f! V9 ^' o2 S, D5 X2、以前左上角XYZ坐标的输入框也没有了,如果我要直接输入点位坐标怎么办呢?( `& D9 a2 O9 f: h
3、还有拾取过滤器和捕捉器,能不能变回原来的工具条样式呢?; l( q6 J6 H- c" z4 |2 ^# H
4、我感觉我常用的几个快捷键还好,但是平移视图好像不是alt加左键而是shift加左键了,能不能自己更改呢?9 `% I( f( K5 T% a/ g
再次谢谢各位大神,好人好梦
发表于 2016-9-26 15:58:58 | 显示全部楼层 来自: 中国北京
MasterCAM2017界面改动确实大,现在还在慢慢的适应中。
发表于 2016-9-26 19:30:30 | 显示全部楼层 来自: 中国福建泉州
界面还可以改成黑色,快捷键不习惯还可以自己重新在设置就好
发表于 2016-9-27 13:56:19 | 显示全部楼层 来自: 中国湖南常德
要适应新的
发表于 2016-9-27 18:48:49 | 显示全部楼层 来自: 中国天津
有些是更改不了的
发表于 2016-9-28 00:46:08 | 显示全部楼层 来自: 中国台湾
本帖最后由 tp7399 于 2016-9-28 00:50 编辑 ) Z% |% H6 a! f5 e
5 }/ _( o* z# ^1 W" E' V- y
1 第3張圖,圈起來的2個地方改黑色! b% w2 _2 h$ e3 n

0 Q: Q( U" H* R8 u# n- K2 第1張圖,畫圖時候按空白鍵就會出現在左上圈起來的地方,在那邊可輸入座標
+ A) I' u; r5 R3 n" M4 t9 Q1 P( t3 z7 E6 w' B
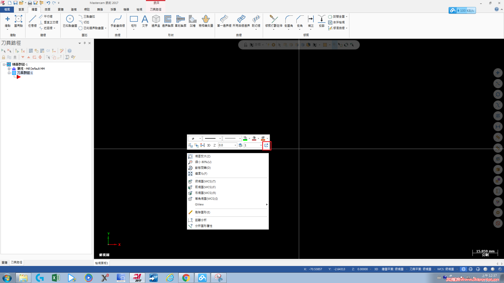
3 第2張圖,在繪圖區按右鍵之後出來的視窗,點圈起來的地方
' G. Y) ~- @2 c. x4 @
" s. X( U- `  w" @8 K4 無解4 P2 Z2 `4 e1 j  B, [4 V
' ?, b( z( C2 I' {! R5 ^8 R  V

在繪圖區按右鍵之後出來的視窗,點圈起來的地方

在繪圖區按右鍵之後出來的視窗,點圈起來的地方

畫圖時候按空白鍵就會出現在左上圈起來的地方,在那邊可輸入座標

畫圖時候按空白鍵就會出現在左上圈起來的地方,在那邊可輸入座標

圈起來的2個地方改黑色

圈起來的2個地方改黑色
发表于 2016-9-28 12:12:40 | 显示全部楼层 来自: 中国辽宁
你有的是中文版的吗
6 K3 B3 o1 @4 o9 S8 l& F
 楼主| 发表于 2016-9-28 19:52:36 | 显示全部楼层 来自: 中国湖北武汉
tp7399 发表于 2016-9-28 00:46  Q) v& N' m4 s- o* X
1 第3張圖,圈起來的2個地方改黑色4 \$ `$ c' x1 O/ a$ c; y2 y/ x
, A; f( T( P! F" m( ]. g& S9 w9 F
2 第1張圖,畫圖時候按空白鍵就會出現在左上圈起來的地方,在那邊可輸入 ...
' \3 q1 t( f3 u0 m- G
谢谢高手,学会了
发表于 2016-9-29 22:48:51 | 显示全部楼层 来自: 中国陕西西安
要适应新的
发表于 2016-10-2 20:14:48 | 显示全部楼层 来自: 中国河北石家庄
过来学习一下
发表于 2016-11-11 11:18:51 | 显示全部楼层 来自: 中国广东东莞
太刺眼
发表于 2017-1-18 21:17:35 | 显示全部楼层 来自: 中国上海
慢慢就习惯了
发表于 2017-3-20 01:40:43 | 显示全部楼层 来自: 中国台湾
请问一下我在绘图区点右键都没反应8 M' F9 [$ H  l3 W0 ~
是要在怎么设置的呢?
发表于 2017-3-21 20:25:43 | 显示全部楼层 来自: 中国广东深圳
变化太大了
发表回复
您需要登录后才可以回帖 登录 | 注册

本版积分规则


Licensed Copyright © 2016-2020 http://www.3dportal.cn/ All Rights Reserved 京 ICP备13008828号

小黑屋|手机版|Archiver|三维网 ( 京ICP备2023026364号-1 )

快速回复 返回顶部 返回列表