QQ登录

只需一步,快速开始

登录 | 注册 | 找回密码

三维网

 找回密码
 注册

QQ登录

只需一步,快速开始

展开

通知     

查看: 2432|回复: 11
收起左侧

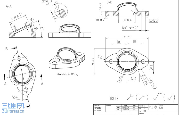
[已解决] 哪位知道下图中有一角度12.6度如何检测?

 关闭 [复制链接]
发表于 2006-10-20 10:40:33 | 显示全部楼层 |阅读模式 来自: 中国河北沧州

马上注册,结识高手,享用更多资源,轻松玩转三维网社区。

您需要 登录 才可以下载或查看,没有帐号?注册

x
哪位高人知道下图中有一角度12.6度如何检测?

图纸

图纸
发表于 2006-10-20 11:29:12 | 显示全部楼层 来自: 中国山东烟台

回复 #1 hl1 的帖子

可以做检具
发表于 2006-10-20 20:24:15 | 显示全部楼层 来自: 中国安徽六安
三座标检测中心可以检测
发表于 2006-11-2 22:25:08 | 显示全部楼层 来自: 中国福建福州
看不见附件,如果是比较直观的,用三次元一般没问题。。。
发表于 2006-11-3 08:40:48 | 显示全部楼层 来自: 中国安徽滁州
同意三楼所说的方法用三维坐标检测仪
发表于 2006-11-3 22:56:57 | 显示全部楼层 来自: 中国江西南昌
在孔38.6的斜面上贴块小平板,在用角尺直接测量就可以了,比较三坐标不是每个厂都有的
发表于 2006-11-12 20:05:13 | 显示全部楼层 来自: 中国河北唐山
12.6度=12度36分,做一个这样的样板就解决了.
发表于 2006-11-13 21:33:09 | 显示全部楼层 来自: 中国湖北
从这个图纸看,12.6°的含义是以两孔的连线为基准,转动12.6°,加工上面的复合斜面。告诉你的是复合斜面的形成方法。因此,测量12.6°是没有意义的。
6 t  C9 w2 k' T; Y# r0 C9 n. v    非要测量的话,设计思路是:先找准A-A剖面在哪里(如用角度尺或正弦规配合拉表进行),再求这个剖面与两孔连线的夹角是否12.6°。批量大的话,可以设计个专用检具。

评分

参与人数 1三维币 +5 收起 理由
飞天小猪 + 5 技术讨论

查看全部评分

发表于 2006-11-18 21:33:33 | 显示全部楼层 来自: 中国上海
从图上看是弯头的外圆弧面与二孔的角度,不是复合角度,该角度处在机械制图透影面的特殊位置,不是一般位置,故只需采用比较测量法来测量弯头最外面的圆弧面处剖分面A-A的方向的偏差来解决,办法很简单,以二孔及V形铁和百分表来处理,只能提示到这里了.有什么困难可以e-mail:mjfan@online.sh.cn.再讨论.

评分

参与人数 1三维币 +3 收起 理由
sxw68 + 3 可以考虑,请继续。

查看全部评分

发表于 2006-11-19 01:15:35 | 显示全部楼层 来自: 中国湖北
任何复合斜面,从本质上说,都是单斜面,只是由于摆放位置的原因,该面在任何基面上的投影都不是一条直线而已。  d/ C: C! k5 r( V; o
     处理这样的问题,主要是找出形成该斜面的基准,解决如何加工问题。这是做工艺工作的思路。
9 Q6 B5 G: P1 C1 _. |! g3 w. D" Q     要检查这个角度,可以用底面、2-Φ9孔和一条与2-Φ9孔中心连线成12.6°的侧基准在正弦尺上定位,用百分表打24°斜面即可。可惜,两个Φ9孔的公差很大,需要改造才行。但我认为,这样检测意义不大。对加工的夹具验证更方便。如果楼主有实用意义的需求,才有做检具的必要。1 Q. I9 R3 F3 H, D$ E; ?
    至于弯头处的外圆弧面,应是不典型的球面,且与斜面没必然的关系,而这类面一般是铸造出的,用做定位基准可能不合适。

评分

参与人数 1三维币 +5 收起 理由
sxw68 + 5 应助

查看全部评分

发表于 2006-11-19 08:31:40 | 显示全部楼层 来自: 中国江苏常州
个人觉得这个角度没有什么实际意义
# c) ^, q8 W: Y8 Q还是看看你们在加工过程中是如何保证这几个孔的直径在同一条直线上的吧,这点是比较重要的
发表于 2006-11-19 12:28:39 | 显示全部楼层 来自: 中国陕西西安
看不懂,好像不够
发表回复
您需要登录后才可以回帖 登录 | 注册

本版积分规则


Licensed Copyright © 2016-2020 http://www.3dportal.cn/ All Rights Reserved 京 ICP备13008828号

小黑屋|手机版|Archiver|三维网 ( 京ICP备2023026364号-1 )

快速回复 返回顶部 返回列表