QQ登录

只需一步,快速开始

登录 | 注册 | 找回密码

三维网

 找回密码
 注册

QQ登录

只需一步,快速开始

展开

通知     

全站
11天前
查看: 1821|回复: 7
收起左侧

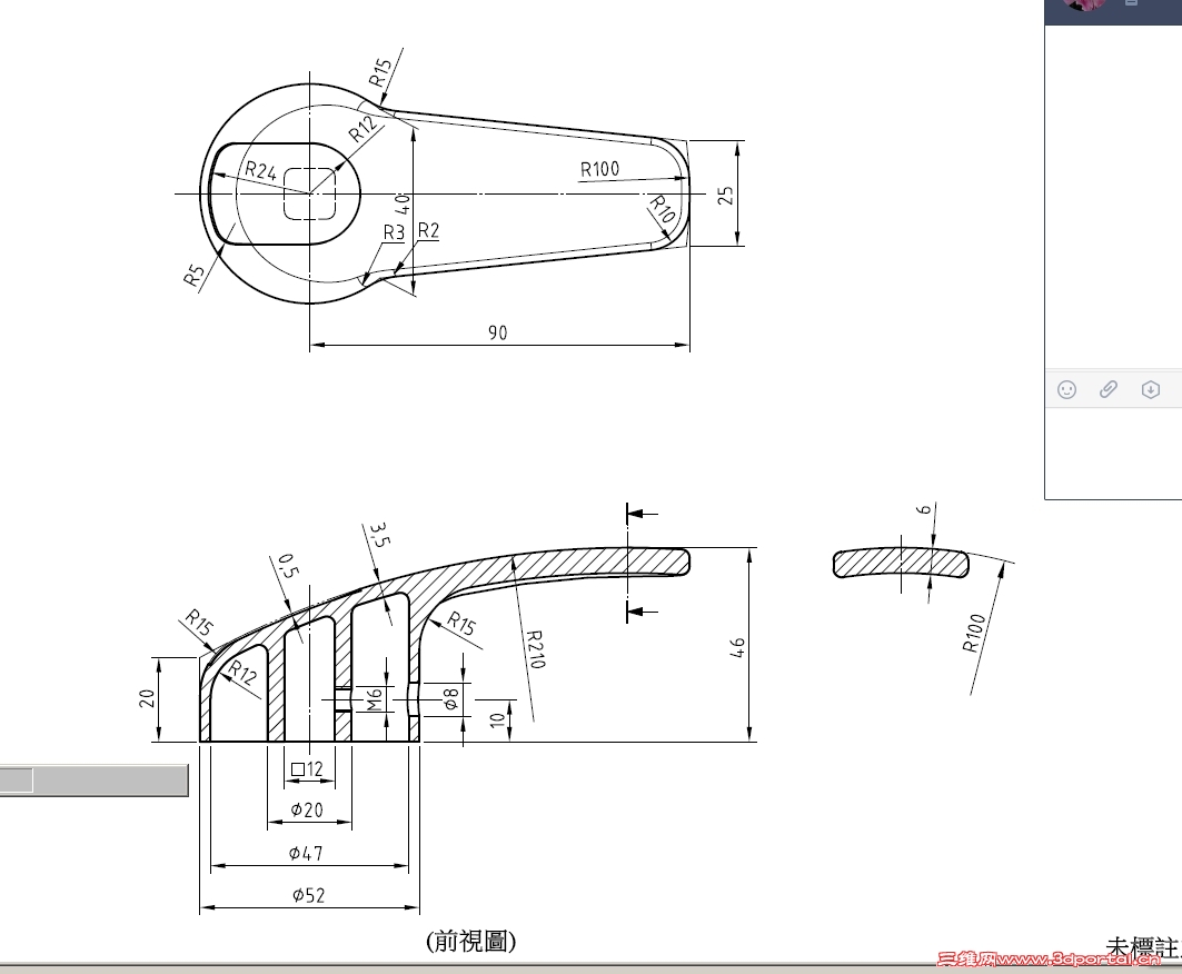
[分享] 2017丙級認證零件圖

[复制链接]
发表于 2017-2-8 00:00:25 | 显示全部楼层 |阅读模式 来自: 中国浙江嘉兴
特征建模
主题分类用于问题归类:

马上注册,结识高手,享用更多资源,轻松玩转三维网社区。

您需要 登录 才可以下载或查看,没有帐号?注册

x
本帖最后由 ryouss 于 2017-2-8 08:58 编辑
* N0 U  G) j4 N# v0 g. N$ n0 O/ Y0 N  p; y& {9 \
幾何網看到的,有興趣試試!/ U0 v+ V/ j: S; w* z6 Q
" {; y# S' j! w( \7 ?: E2 R7 W
1486102269857.jpg 2 c! |9 ^" m2 F

3 @$ h+ m- c* t: x; Q 4.png     2.png

评分

参与人数 1三维币 +3 收起 理由
阿帕奇 + 3

查看全部评分

发表于 2017-2-8 02:12:09 | 显示全部楼层 来自: 中国台湾
台灣的?
发表于 2017-2-8 13:55:50 | 显示全部楼层 来自: 中国浙江嘉兴
支持一下。 360截图20170208135500548.jpg 3 I. ~; O( v) x3 I8 Z& `
 楼主| 发表于 2017-2-8 15:36:47 | 显示全部楼层 来自: 中国浙江嘉兴
本帖最后由 ryouss 于 2017-2-8 15:49 编辑
! F  [5 b1 C1 _; ]; z4 \8 ]
6 `" J  m3 |% x不知道是否有更簡潔的作圖?; h$ v$ m$ j& j  g% B
不用移動面的作圖.
( B6 Q: f4 Z% p( x! T( `# ^; s( y
- E5 Q$ r7 T. a  Z) Z
水龍頭把手_鉻面_1.png * I" M7 p( R: j* Y

3 T6 f9 Z9 t. P/ ]: m$ L
发表于 2017-2-8 16:41:13 | 显示全部楼层 来自: 中国浙江嘉兴
ryouss 发表于 2017-2-8 15:36
3 T! N& f6 d8 l2 D$ i不知道是否有更簡潔的作圖?+ Z4 v5 x  G& c: D0 Y; T# O) A
不用移動面的作圖.

: }) [" A( ]* i& J) ?我是步骤还要多    旧了该换了
% C& r* i. a0 ]  ?/ ]6 l3 i& D; v7 n* {( R: I. R
无标题.png , c. U' }8 F1 X5 t: f/ H
发表于 2017-2-9 10:41:16 | 显示全部楼层 来自: 中国四川攀枝花
本帖最后由 pzhzshun 于 2017-2-9 10:50 编辑
8 H. S6 X9 c% g" C
) B4 d# {. E2 O/ P7 V用包覆来做的顶上凹坑。
3 ~: a' a' B8 s' P% L 快照1.png 8 i4 U1 u; p! N! E4 A
/ ?3 j! N; C, V6 o
用包覆特征就存在一个问题,包覆出来的形状和 包覆草图 在投影上不重合(图中红框部分)," F& L2 K6 G7 {. f) }5 }# r
不知道能不能用包覆特征做出符合要求的形状来!?9 o8 y+ t2 b. ^2 d4 d
快照2.png ! M! t/ i9 }/ D8 t" d
发表于 2017-2-14 17:46:48 | 显示全部楼层 来自: 中国上海
做出来的大侠们,分享一下源文件学习下!!!
发表回复
您需要登录后才可以回帖 登录 | 注册

本版积分规则


Licensed Copyright © 2016-2020 http://www.3dportal.cn/ All Rights Reserved 京 ICP备13008828号

小黑屋|手机版|Archiver|三维网 ( 京ICP备2023026364号-1 )

快速回复 返回顶部 返回列表