|
|

楼主 |
发表于 2017-4-22 20:27:47
|
显示全部楼层
来自: 中国广东中山
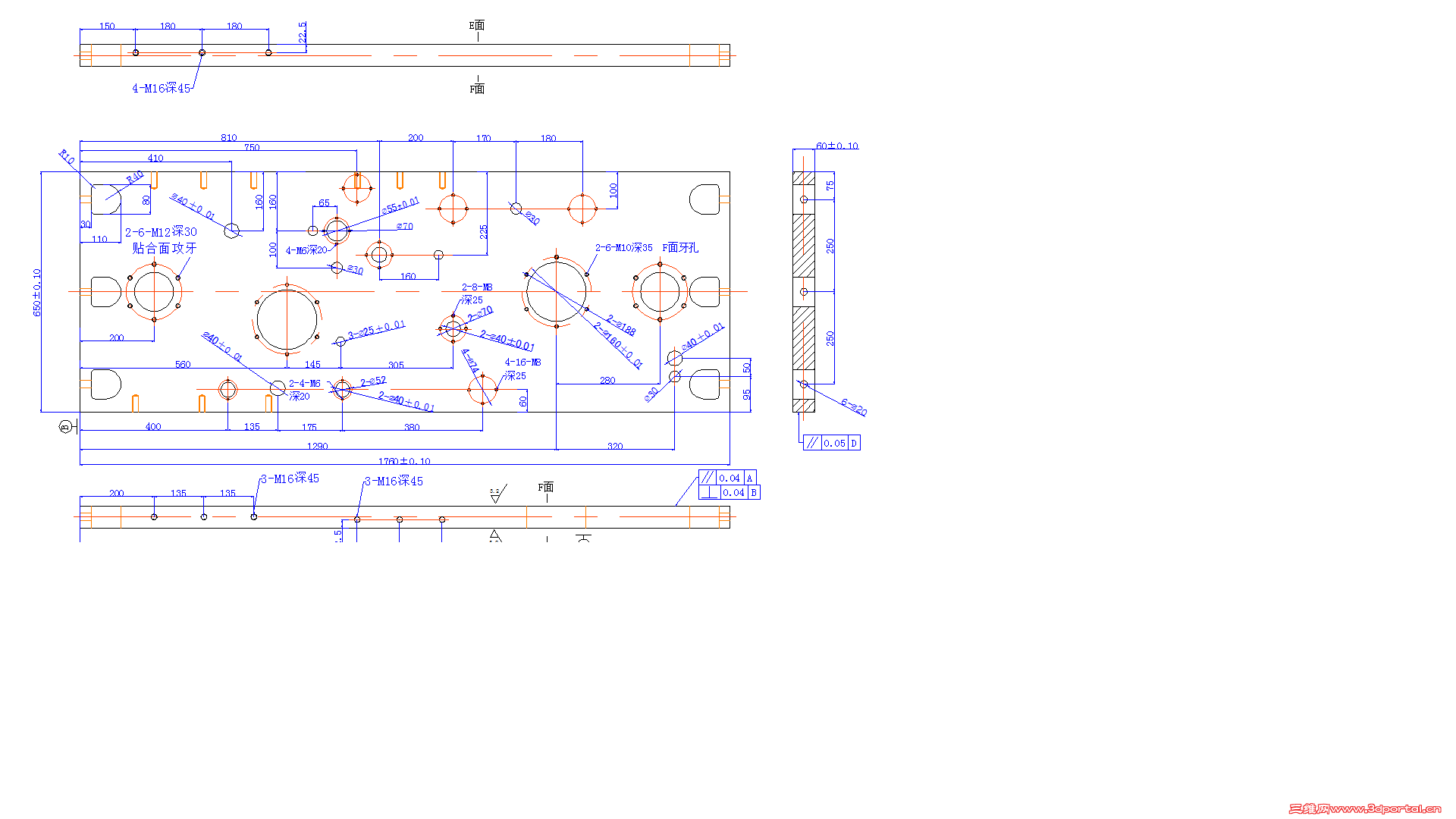
本帖最后由 guanfaping001 于 2017-4-22 20:35 编辑 / Z( N9 Y, n) G0 M: G9 a0 }
' h. X f, C! c8 l
各位高手、前辈,我一个人画台像这样10多米长的机器(复合机),结构不算太复杂,以传动为主,要用两个多月,是不是真的太慢了。我们的零部件多数都是外加工,不标清楚点,一是人家不明白,二是出了错,老板会责怪,自己不好过。另外,我在实体建模前,也是用了图块构思出整机的,如附图。$ s; U* E- a& h# u7 |7 k& c
还有没有什么办法更快点?
1 S% _( n$ D9 ] 现在都不知该怎么办了?都快被炒鱿鱼了。救救我吧. 还有就是,以前的那种表示方法(CAD的,第一张图)好,还是后面的我现在的表示方法好?第一种简单,快,但个人觉得不是很清楚,因为别人加工容易看错,导致回来的零件总有问题;但我的似乎也不太好,所以请问大家,还有没有其它的方式表达呢?; a) U4 S6 m! R
|
|