QQ登录

只需一步,快速开始

登录 | 注册 | 找回密码

三维网

 找回密码
 注册

QQ登录

只需一步,快速开始

展开

通知     

查看: 3011|回复: 8
收起左侧

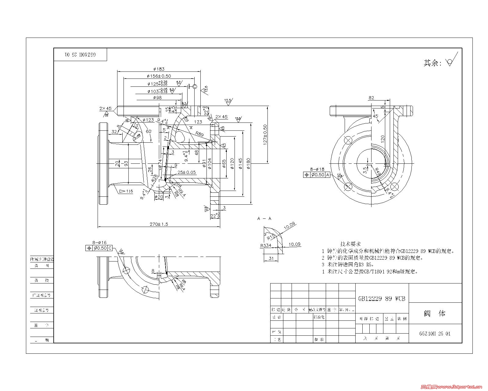
[求助] 求助如何画闸阀阀体 没有思路

[复制链接]
发表于 2017-7-14 14:11:13 | 显示全部楼层 |阅读模式 来自: 中国浙江温州
安装
主题分类用于问题归类:

马上注册,结识高手,享用更多资源,轻松玩转三维网社区。

您需要 登录 才可以下载或查看,没有帐号?注册

x
这是闸阀 阀体,哪位师傅可以教教怎么画,本人有sw 夜校毕业的基础。 QQ:357220067,真心求教
' R2 E! W: ~! {( [! @
阀体-布局1.jpg
发表于 2017-7-14 19:29:37 | 显示全部楼层 来自: 中国河南新乡
先把水平向外形用旋转特征做出来,不带孔,再把竖立方面的外形用扫描特征做出来,上法兰用旋转特征做出来,做筋等,最后再做孔,仔细考虑应该能画出来的
 楼主| 发表于 2017-7-15 16:15:13 | 显示全部楼层 来自: 中国浙江温州
肚子那里 怎么扫
发表于 2017-7-20 20:08:25 | 显示全部楼层 来自: 中国湖北襄阳
 楼主| 发表于 2017-7-21 15:44:11 | 显示全部楼层 来自: 中国浙江温州
那论坛现在注册不人了。
发表于 2017-7-26 23:21:32 | 显示全部楼层 来自: 中国上海
链接:http://pan.baidu.com/s/1i53jdfn 密码:qkuo  有类似的教程,你看看吧。有需求可以联系我QQ375633580
发表于 2017-7-27 22:37:24 | 显示全部楼层 来自: 中国广东肇庆
本帖最后由 keilei001 于 2017-7-29 21:47 编辑
/ a3 I' j. |% [; |9 q1 D
; q5 U; }$ s, j) e, s" C练习了一下,对图纸中的有些尺寸理解不透彻,所以没完全按图纸细节画。
* W6 |3 m' i$ _6 O
5 u2 w0 r# a0 h% y3 Z, t 10.gif
发表于 2017-7-27 22:49:02 | 显示全部楼层 来自: 中国广东肇庆
本帖最后由 keilei001 于 2017-7-29 21:48 编辑
+ k& L! X' j/ y4 L& l+ f3 }+ x
0 q" D8 K; u% Y5 ?+ Q 2017-07-29_210117.png & ?' g( m7 U& {- F

  R' v+ c* v0 c* `. z2 _ 2017-07-29_210150.png
* T* w4 [) q9 N9 \( }) l. R: X3 W3 c4 A1 K
8 J. J! [( x  ^1 o8 V+ M0 j

. g* a8 M+ P: y( X7 Y6 B$ J5 S, @( A
发表于 2017-8-2 07:10:19 | 显示全部楼层 来自: 中国江苏苏州

. T3 N7 D+ f' }' K" x/ [大神厉害啊,这个都能画出来
发表回复
您需要登录后才可以回帖 登录 | 注册

本版积分规则


Licensed Copyright © 2016-2020 http://www.3dportal.cn/ All Rights Reserved 京 ICP备13008828号

小黑屋|手机版|Archiver|三维网 ( 京ICP备2023026364号-1 )

快速回复 返回顶部 返回列表