QQ登录

只需一步,快速开始

登录 | 注册 | 找回密码

三维网

 找回密码
 注册

QQ登录

只需一步,快速开始

展开

通知     

全站
10天前
查看: 1626|回复: 2
收起左侧

[分享] 水龍頭手把

[复制链接]
发表于 2017-7-20 13:43:30 | 显示全部楼层 |阅读模式 来自: 中国浙江嘉兴
特征建模
主题分类用于问题归类:

马上注册,结识高手,享用更多资源,轻松玩转三维网社区。

您需要 登录 才可以下载或查看,没有帐号?注册

x
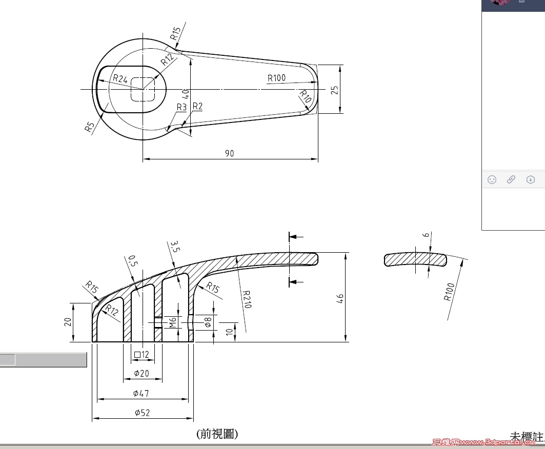
2017年丙級認證幾何網的練習題
1 F, v( B" Y4 t/ H% i( [6 P! C6 D/ B, {# Y

8 U) [( J! l, m
$ p! D4 j3 T+ n+ f 1486102269857.jpg
- Y" ^: [/ e/ w) k3 Y5 I4 T8 V! S" D' h. ?2 _
# M# r( |$ s. w9 y# S, X% u
作法參考
( D3 }) P/ V% i$ c8 @6 S, B: l$ z
0.png
( ^/ M3 G: L4 S1 |3 b& u0 C  h7 z# U3 y6 q* I  Y$ b' B! {' k9 t& {( R6 f
4.png
, A3 k) M, i- K

评分

参与人数 1三维币 +3 收起 理由
阿帕奇 + 3

查看全部评分

发表于 2017-7-21 14:46:26 | 显示全部楼层 来自: 中国广东肇庆
本帖最后由 keilei001 于 2017-7-21 14:48 编辑
4 H  V7 x$ c. J: F* h' P; ]) c3 M- J' B( t1 x( B2 [
练习一下,不知对不对。
9 W  e+ W( w. Q+ V& ? 2017-07-21_144254.png $ U% ]& ~* x; M" }/ e: b

3 O3 k) G2 N% h9 i 2017-07-21_144719.png 6 A9 F/ z) S- j: w) e

评分

参与人数 1三维币 +3 收起 理由
阿帕奇 + 3

查看全部评分

 楼主| 发表于 2017-7-21 21:32:05 | 显示全部楼层 来自: 中国浙江嘉兴
keilei001 发表于 2017-7-21 14:46
0 z! c8 L3 k1 I& b; }练习一下,不知对不对。

/ F, E9 j5 Z' a( X2 g厚度6剖面的R100沒標示,就不知是否符合!
发表回复
您需要登录后才可以回帖 登录 | 注册

本版积分规则


Licensed Copyright © 2016-2020 http://www.3dportal.cn/ All Rights Reserved 京 ICP备13008828号

小黑屋|手机版|Archiver|三维网 ( 京ICP备2023026364号-1 )

快速回复 返回顶部 返回列表