QQ登录

只需一步,快速开始

登录 | 注册 | 找回密码

三维网

 找回密码
 注册

QQ登录

只需一步,快速开始

展开

通知     

全站
9天前
查看: 5608|回复: 9
收起左侧

[求助] 我这里有个水轮机叶片木模图,哪位帮画一下三维图啊

[复制链接]
发表于 2017-9-25 15:46:30 | 显示全部楼层 |阅读模式 来自: 中国四川乐山
安装
主题分类用于问题归类:

马上注册,结识高手,享用更多资源,轻松玩转三维网社区。

您需要 登录 才可以下载或查看,没有帐号?注册

x
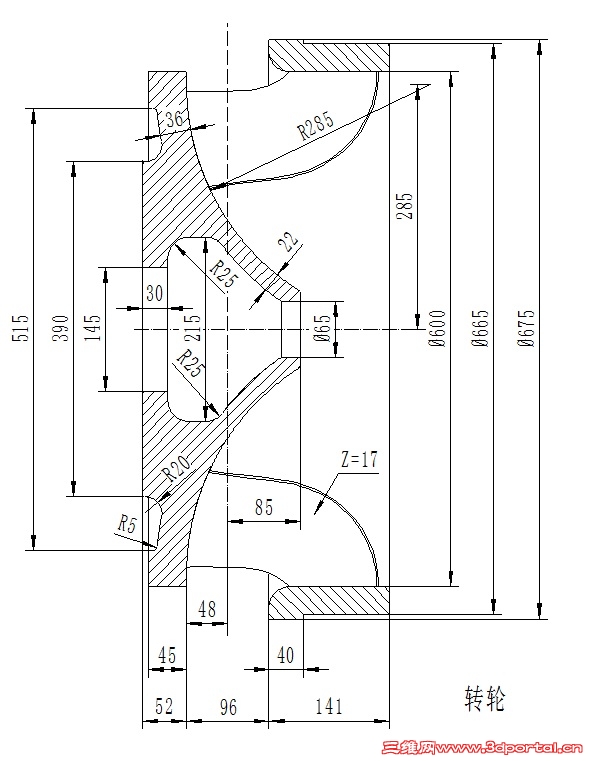
我这里有个水轮机叶片木模图,哪位帮画一下三维图啊,SW格式传上来,或发我邮箱:fishflat@qq.com。谢谢啊。 HLD4660-8.jpg
- G- W! e, v& s' g( g$ Y: `4 Z- Q- j; E/ U
HLD4660-7.jpg
. B. l, |. u! Z' ~; r: T9 H
& g6 G; p. h/ J# ? HLD4660-6.jpg / j0 K0 k% a, D0 x& ?5 M; c3 y
HLD4660-5.jpg - Y7 j  V- Y% Y; Z& c$ |
HLD4660-4.jpg 1 z0 j- _# w4 B% U
HLD4660-3.jpg
6 [* f1 c: {) B# @4 } HLD4660-2.jpg
/ E, y$ i& F& i1 q7 s* w8 {9 X HLD4660-1.jpg . b: q/ {/ A' E( e% W" d7 V
5 ]7 E/ K% a( v. ^4 Q9 z
1 \! T# ^) T" C

& d9 `% H# _7 V9 ~, \6 G0 U: K! x- t

/ @' p# n+ ]6 R7 Q- d4 p5 s* X! ]3 S1 j4 l, a3 @3 A( ~

2 A) @* ^; b8 @' {' D$ e
$ K6 x' t+ ~8 M- a7 _- E# ]- i' e
* q* r  ?% Q( }4 p& i. E8 p) U
转轮.jpg
发表于 2017-9-25 15:57:43 | 显示全部楼层 来自: 中国广东肇庆
光看那些密密麻麻的阿拉伯数字就晕了,我举白旗。
发表于 2017-9-25 16:25:01 | 显示全部楼层 来自: 中国浙江温州
这东西如果又免费给你画的那真的是雷锋,起码1000元起步
发表于 2017-9-26 18:41:20 | 显示全部楼层 来自: 中国黑龙江哈尔滨
混流式转轮,是型谱上的吗?
发表于 2017-11-24 19:32:29 | 显示全部楼层 来自: 中国浙江杭州
10年前画过,现在不知道还能不能画,明天我试试吧
3 Z4 g$ y. _8 P6 C. ]
发表于 2017-11-24 19:37:21 | 显示全部楼层 来自: 中国浙江杭州
最好再来份轴流叶片的
% u+ [! P) X9 B' A/ Q$ d8 V# Z' u
发表于 2018-10-19 20:24:48 | 显示全部楼层 来自: 中国陕西西安
比较丑,新手学着画。9 A- X2 q2 o' C& U4 {
有几处实在不知道怎么弄算是作弊吧。
7 c: [. r) ]  z$ r1 N8 {   1.用木模坐标建立草图
3 ?! Y: V% r& e4 u. u   2.放样拉伸2 W) [& B: k" m  ?  p  y8 v
   3.镜像( z$ S+ E6 ^9 y( \) b* n
叶片上面和上冠圆锥不知道怎么贴合,这里用作弊法。
7 E4 F! x' n( P1 i' J1,3,5头部不会用。还有第一张图里很多半径值,A数据不清楚用法。
Untitled.JPG
转轮剖视.JPG
发表于 2018-10-19 20:29:25 | 显示全部楼层 来自: 中国陕西西安
我画的图传不上去!!!!!嫌太大
发表于 2018-10-20 16:51:08 | 显示全部楼层 来自: 中国浙江金华
本帖最后由 xyz3456a 于 2018-10-20 16:52 编辑
1 e5 }$ y  M7 u- s- R; ?+ v
oo029 发表于 2018-10-19 20:29
2 I% S5 ~) D; k8 T, z% f/ a我画的图传不上去!!!!!嫌太大

+ f( Y) X* P$ o! B# }打包压缩一下,也传不上ma好像是限制4MB的大小0 U4 `0 S5 l  {( Q0 n
实在不行用网盘分享一下啊
, C: `5 P! r  @
发表于 2018-10-25 16:54:24 | 显示全部楼层 来自: 中国上海
我估计这东西实际上加工应该直接读取的是三维模型,而不是看三视图来定义曲面。
发表回复
您需要登录后才可以回帖 登录 | 注册

本版积分规则


Licensed Copyright © 2016-2020 http://www.3dportal.cn/ All Rights Reserved 京 ICP备13008828号

小黑屋|手机版|Archiver|三维网 ( 京ICP备2023026364号-1 )

快速回复 返回顶部 返回列表