QQ登录

只需一步,快速开始

登录 | 注册 | 找回密码

三维网

 找回密码
 注册

QQ登录

只需一步,快速开始

展开

通知     

查看: 3653|回复: 0
收起左侧

[原创] 广州五所案列分享—Radan钣金编程软件的应用(一)

[复制链接]
发表于 2020-8-26 16:31:44 | 显示全部楼层 |阅读模式 来自: 中国江苏南京

马上注册,结识高手,享用更多资源,轻松玩转三维网社区。

您需要 登录 才可以下载或查看,没有帐号?注册

x
广州五所案例分享
RADAN钣金编程软件的应用
广州五所环境仪器有限公司(简称“广五所”)是工业和信息化部电子第五研究所下属国有全资高新技术企业,一直专注于可靠性与环境适应性试验仪器设备。
广五所公司是国内最早从事环境试验仪器设备研制的厂家,老一辈专家早在1958年就研制了国内第一批潮热箱、海雾箱、工业气体箱;1995年至2012年,与国外企业进行了17年的合资合作;201211月电子五所回购合资公司50%股份,将公司名更改为“广五所”,并启用了全新的“GWS”品牌。
公司产品主要是由钣金件组成,钣金件加工的成本高低,直接影响机组成本的高低。为了增加钣金产品的市场竞争力,对钣金件加工成本的控制尤为重要。
传统的钣金加工CI方法,是从钣金的结构设计和材料选用等方面着手,RADAN钣金编程软件的应用,改变了这种单一的CI方法,它从设计编程加工等方面,全面提高钣金的加工效率。
目前,RADAN已经成功的运用到潮热箱、气体箱、海雾箱等产品中,并且极大地提高了设计效率和生产进度,有效的节约了板材的用量,提高了工作人员的工作效率,产生了很好的经济效益,因此提高了公司产品在市场的竞争力。
本文将讲述RADAN钣金编程软件是如何从设计编程加工等方面提高工作效率,降低成本。
1.RADAN的应用
1.1.RADAN的应用对加工流程的改善
原加工流程
图片1.png
此套流程中,需要改善的地方:
  • 技术部
    • 出受控的展开图,并需要标注:开料尺寸,折弯线方向,折弯线尺寸
    • 展开图需手动导成DXF文件格式
      * E' L' u7 D. E% m3 b/ i, m
  • 编程室
    • 加载模具图,且修模时间长
    • 手工修正排版
    • 手动优化走刀轨迹
      3 x+ d1 C8 ]6 L. X9 Y8 _/ b/ Q
  • 操作工
    & h/ @5 R: }; l- i& k& Q9 [6 D9 h
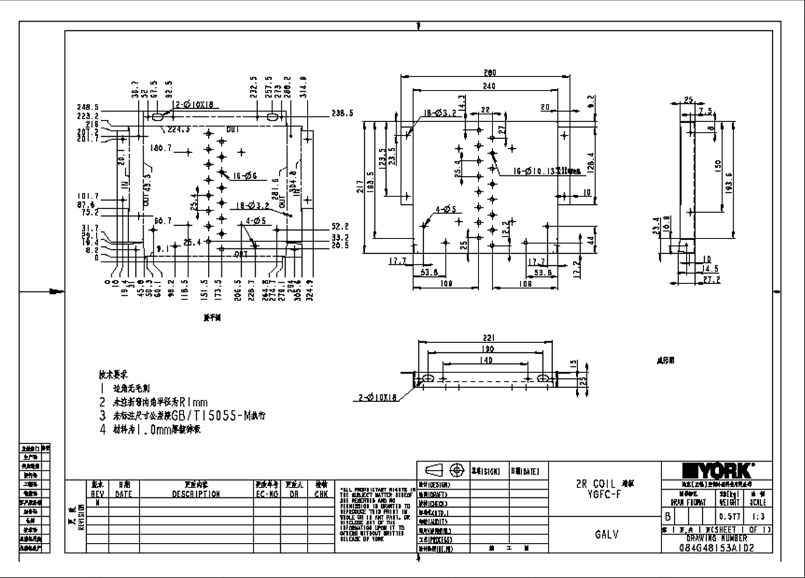
1.2.RADAN的应用对图纸的改善
  • 原来的出图方式,纸中包含
    & c5 x  }* }. x8 e" J4 w
成型图:成型尺寸,孔的定位尺寸,孔的数量
展开图:开料尺寸,折弯线方向,折弯线尺寸,孔的定位尺寸,孔的数量
如下图所示
图片3.png
  • 使用RADAN软件后的出图方式,图纸中包含

    + x/ J+ u# v: M# {) x1 ~# J
成型图:成型尺寸如下图所示:
图片4.png
Radan可以自动批量的从模型库中调出模型,并且转成DXF文件,这样就省去了设计人员手动出图的工作量,从而提高了工作效率。
1.3.RADAN的应用对冲床编程的改善   1.3.1. Radan软件自动加刀模板建立
图片5.png
图片6.png
  • 钣金加工自动加刀模板的建立:原软件进行零件自动配刀后,切角位置全部需要手动修改,现软件将这些切角全部做成标准模板,以后同类切角自动采用设计的切角。大大减少修改配刀过程。
  • 以前滚筋、百叶窗等特殊模具都需手动加模具,目前做好模板,直接配刀。
    7 J  |, ?2 X+ C2 g! @1 {
1.3.2. Radan软件零件清单导入系统
图片7.png
图片8.png
  • 以前广州五所的计划清单有三个格式SAPYSMPMAC三种格式,编程需计划员单独将需加工的零件清单信息导出,易出错,
  • 现利用RADAN软件专用转换模块,直接将原数据导入,导出生成零件文件,方便便捷,提高工作效率。
    5 e' |: \" _3 J& a
1.3.2. Radan软件自动零件自动填充排版
图片9.png
图片10.png
  • 将看板件零件实际需求个数设置为0,额外数量设置为一个较大值,在排完需要加工的零件后,会在排版零件缝隙自动插入看板件,提高钣金利用率。
  • 可以设置相同零件的共边切除,不同零件的不共边,提高钣金利用率。

    ( ^6 F; l5 v. @: c  d4 v8 M/ c
1.3.4. Radan软件切割方向设置
图片11.png
可自由的设置零件加工方向,保证先加工超长部分,以及从上往下加工路径,防止抖料现象,可以提高冲床速度,提高加工效率。

0 c! Y3 b/ G& V4 n8 T
1.3.5. Radan软件生成加工代码输入机床
图片12.png
自动生成加工代码,保存到机床访问地址读取加工,准对不同型号机床做到离线编程。
1.3.6. Radan软件生成二维码标签
图片13.png
Radan可定制化多样报表,广州五所运用二维码标签贴于每个零件,通过扫码枪对零件的入库追溯等都方程便捷。

! h% O! E! a) ~/ |

' r: j6 E9 M# c" k2 `9 b
图片14.png
图片15.png
图片16.png
图片17.png
图片18.png
图片19.png
图片20.png
图片21.png
图片22.png
图片23.png
图片24.png
图片25.png
图片26.png
图片27.png
图片28.png
发表回复
您需要登录后才可以回帖 登录 | 注册

本版积分规则


Licensed Copyright © 2016-2020 http://www.3dportal.cn/ All Rights Reserved 京 ICP备13008828号

小黑屋|手机版|Archiver|三维网 ( 京ICP备2023026364号-1 )

快速回复 返回顶部 返回列表