QQ登录

只需一步,快速开始

登录 | 注册 | 找回密码

三维网

 找回密码
 注册

QQ登录

只需一步,快速开始

展开

通知     

全站
5天前
查看: 3222|回复: 17
收起左侧

[推荐] CAD几何作图竞赛题(2023年2月),竞赛结果已公布

 关闭 [复制链接]
发表于 2023-2-15 09:23:43 | 显示全部楼层 |阅读模式 来自: 中国广西河池
安装
主题分类用于问题归类:

马上注册,结识高手,享用更多资源,轻松玩转三维网社区。

您需要 登录 才可以下载或查看,没有帐号?注册

x
本帖最后由 2005llnn 于 2023-2-27 09:28 编辑
- l* \9 z  A4 J$ E! Q- B- G- e. o  d; {! b& i; i4 e
CAD设计标志2023026 d4 L/ a+ J: n, V" Z
本题目由会员2005llnn提供+ W6 \) \$ e1 z
202302.jpg
& X7 C1 h: Z! S+ K3 T
2 R+ A; q# Q/ D) e7 e+ Q0 ?' G/ C, O; R; s8 {. x3 `
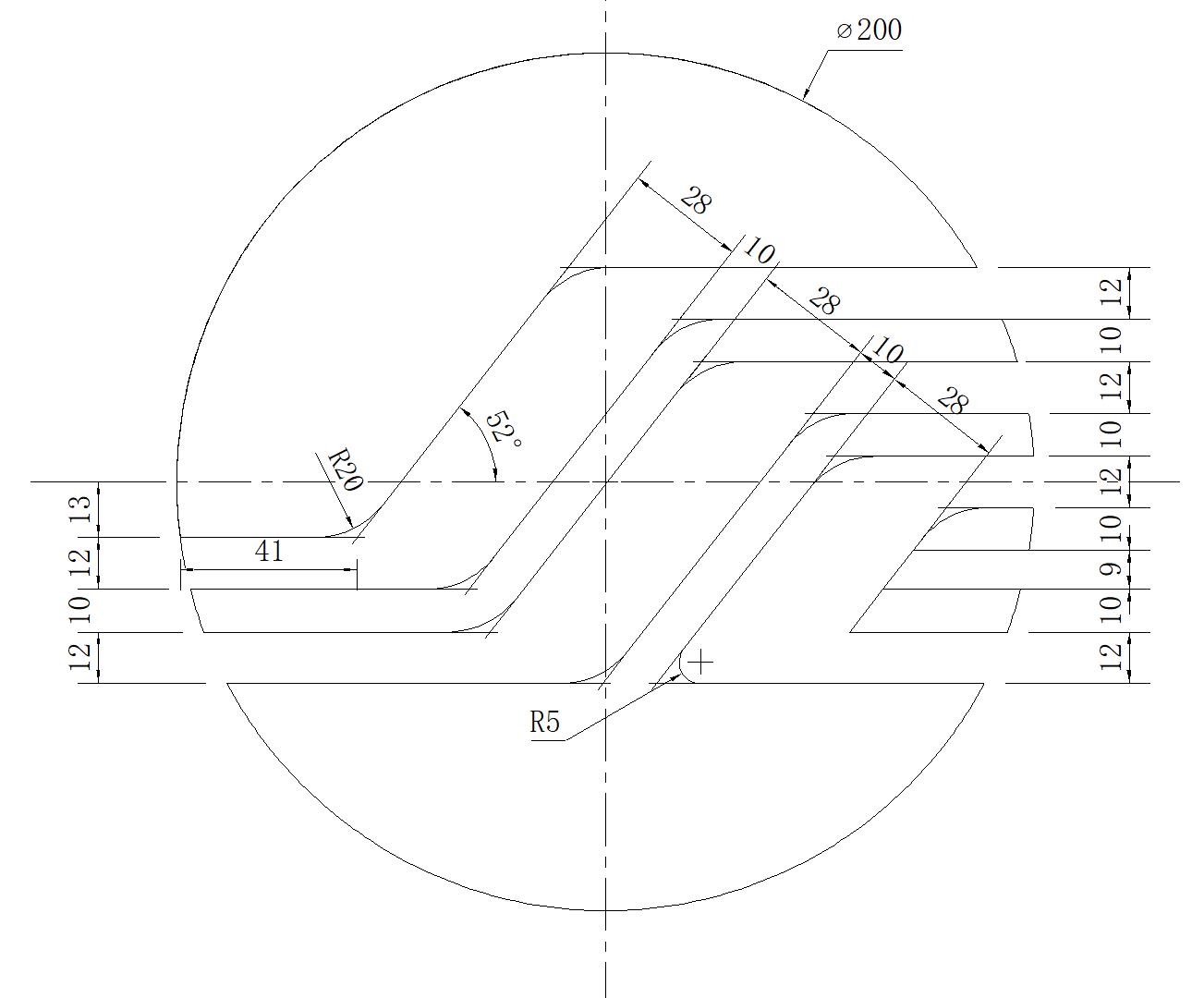
题目为:设计该标志CAD几何作图题,要求尺寸200,作出dwg图,并标出完成图形所需尺寸标注
尺寸精度要求为整数。角度单位必须使用十进制度数,不得使用度/分/秒,百分度和弧度,精度也要求是整数。
/ y/ r$ {6 h3 ]. n9 \' f& f
参赛会员注意:图片及dwg格式的压缩文件以“附件”形式上传,不要点击“插入全部附件”,
8 W; H% @7 i$ y阅读权限设置为“最高权限”。
/ j5 b* K. ~' ~* l# |
答题请在本主题帖内发回复帖
8 o8 |1 |% Z  I8 P) o( y$ I, g* @
 楼主| 发表于 2023-2-15 09:25:40 | 显示全部楼层 来自: 中国广西河池
本帖最后由 2005llnn 于 2023-2-23 20:37 编辑 0 z4 }1 m3 V6 h% N4 m4 y
' k7 ~0 |1 G* {! p! m
.竞赛题目:CAD设计标志202302
& Z& o( F* N* \( v/ v! q9 E# j) P设计该标志CAD几何作图题,要求尺寸200,作出dwg图,并标出完成图形所需尺寸标注
尺寸精度要求为整数。角度单位必须使用十进制度数,不得使用度/分/秒,百分度和弧度,精度也要求是整数。
附件阅读权限定为最高权限。活动结束后由版主统一取消阅读权限。
禁止会员利用马甲一起参赛。
1 X. l6 w; o- v

4 F7 J5 U" O- s; K0 i2 B% ^
附件阅读权限定为最高权限。活动结束后由版主统一取消阅读权限。
7 Z2 I0 X3 c0 ^$ {7 s$ a4 I
.竞赛要求
; Q% e* b3 v( `7 v# A: i. k
除了AutoCAD区版主不能够参加竞赛,其它会员、技术团队成员、版主都可以参加竞赛,使用AutoCAD、CAXA或其他CAD软件,
: V' r! \0 z. z8 C0 @  F6 P- c
在规定时间内将作出的图形截图为jpg附件或压缩包在本主题下跟帖发表并提供dwg附件。

7 t! z6 {9 b% {
.竞赛时间
. r6 r& ^7 s: ]' D8 W  c
2023215日至2023222日。
0 ~9 U3 x+ N+ N1 M: ^! M4 W1 v
.评选时间及方法: N/ b9 V% y" f  t+ k& }. C6 a0 h
2023223-20232月25日,由三维网技术论坛CAD版块
2 [9 R; A5 K- ]8 E. j  h
版主为评委,内部评选出各奖项。

6 e. ?5 G, m/ A  X# \
.奖励& }/ K1 b5 v& U- c4 }6 Z
1、一等奖:1名,奖励100元以实物奖励上一期中一等奖的会员不能够连续获一等奖;如果抽中一等奖,只能够改获2等奖。
2、二等奖:2名,各奖励500个三维币;
, @3 {9 D/ ?! K& d
3、作图基本符合要求者先各奖励20个三维币;% M$ E2 i" {! z
4、根据竞赛实际情况会对奖励规则进行适当修改。4 U6 t2 p3 J( }0 r! c4 z( s7 Y
" X" P6 K1 V4 p8 u
.其它9 a! z  c4 F. J
竞赛结束后在本帖发回复帖进行点评和讨论。0 Z3 I' O- D+ O$ `/ ~

- M+ M  a# ^/ B, S5 h, i0 _
.抽奖规则
  x6 t/ e. @; `$ x2 `- _5 w
每期竞赛由本版区版主评出10名或10名以内优秀者参与抽奖,优秀者按发帖顺序进行从1开始顺序编号,
本期中奖号码按2月26日星期日开出的七星彩号码确定中奖者,七星彩左端第1位2位3位(各位不同号)为中奖号码,
如果第1位号码没有符合中奖要求,就七星彩号码第2位替代,以此类推。
如果本期七星彩号码不能够确定出全部中奖者,未确定的中奖者可通过下一期的七星彩号码继续确定。
1位获奖者可得到100元以内实物奖励。第2位及第3者可各得到500个三维币
上一期中一等奖的会员不能够连续获一等奖;如果抽中一等奖,只能够改获2等奖。一等奖由后一位中奖号所得。
例如七星彩开奖号码为7665432。则7为第1位中奖号码,6为第2位中奖号码53位中奖号码
如果一等奖中奖者在下一期竞赛开始前还没有办理领奖事宜,按弃奖处理。

5 H1 l) E9 Z6 Q5 Y. N
竞赛已结束,等待抽奖。
楼层用户名抽奖号备注
3TKG-091接近完美
4gerald_lee2接近完美
5gongwen05193接近完美
6wuyaqiang5174小数点后的0可不要
7wupeiqi5接近完美
8塔山817发错附件
9冰冻咖啡6接近完美
10zhangwp发错附件
11凤九天7角度漏标注
12spar8过渡圆弧不应多是R20
13ahu9过渡圆弧不应多是R25
: q, b% w) S% s$ k1 \5 k
发表于 2023-2-15 15:08:02 | 显示全部楼层 来自: 中国湖南
本帖最后由 2005llnn 于 2023-2-23 17:46 编辑 ' v( ]5 @: K$ x0 ]$ r5 l) @

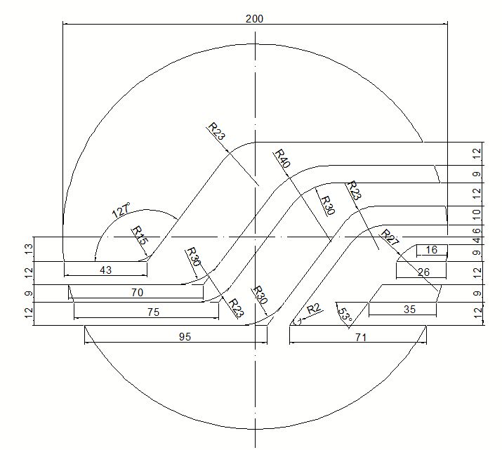
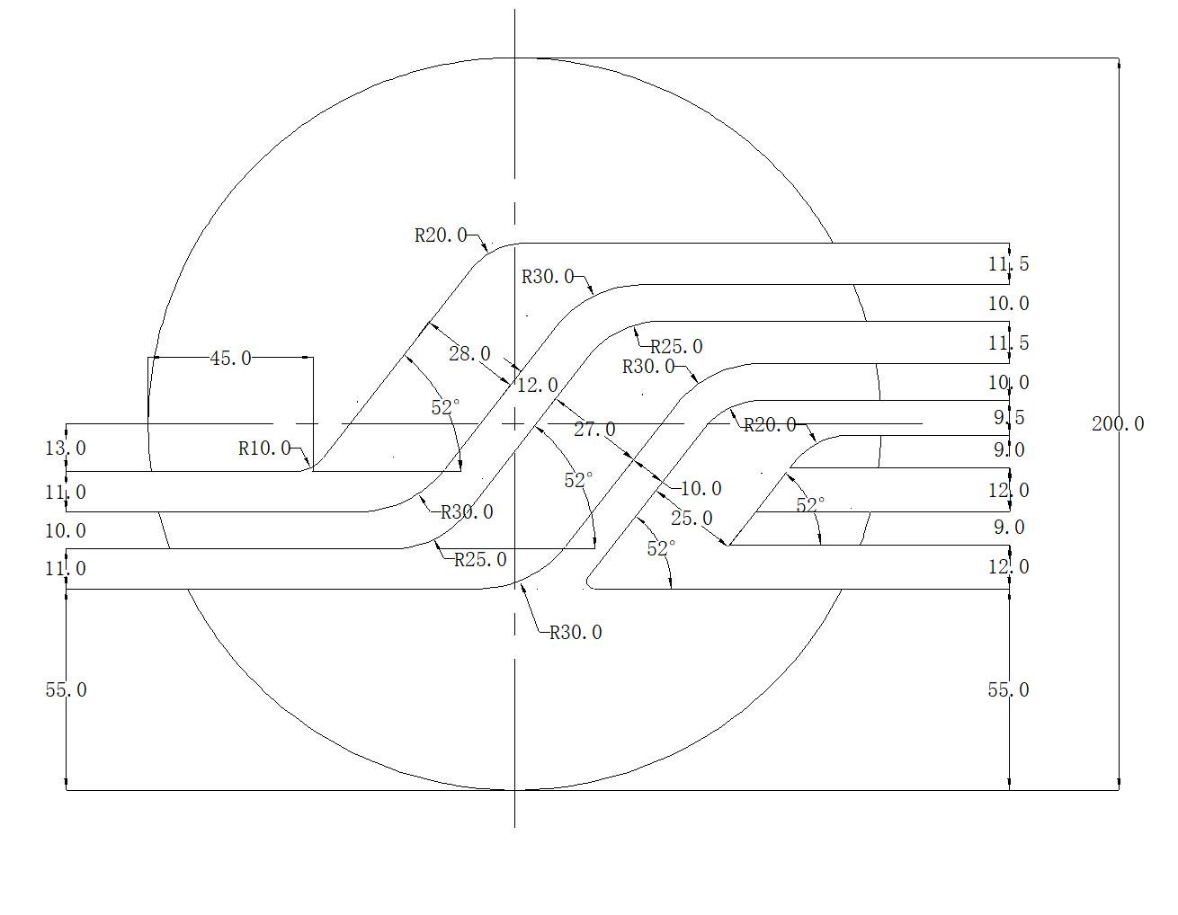
  P' }! V3 P' R2023.02 作业。 上海证券.zip (50.31 KB, 下载次数: 3)

评分

参与人数 2三维币 +520 收起 理由
kuangben8 + 20 鼓励参与。
2005llnn + 500 二等奖

查看全部评分

发表于 2023-2-15 16:51:18 | 显示全部楼层 来自: 中国天津
本帖最后由 2005llnn 于 2023-2-23 17:49 编辑
. O  R7 f3 f  C* g0 n8 E8 }  g* U: r$ `2 h. K+ J
交本月作业。6 x! o+ z5 ^8 c: T* Y
2023.02.JPG   @  j" i$ r. O) q

7 _' R: b6 S  L+ I, s8 i# |% h 2023.02.rar (31.69 KB, 下载次数: 3)

评分

参与人数 1三维币 +20 收起 理由
kuangben8 + 20 鼓励参与。

查看全部评分

发表于 2023-2-16 16:24:23 | 显示全部楼层 来自: 中国湖南岳阳
本帖最后由 2005llnn 于 2023-2-23 17:51 编辑
, X3 m  H- l; ^' `& C% H2 N
9 v- f4 Z0 t$ X" ?! o4 S0 _参与练习:
8 y/ @% l% H* k& V" J3 y3 K7 y 202302LX.rar (404.51 KB, 下载次数: 5)

评分

参与人数 1三维币 +20 收起 理由
kuangben8 + 20 鼓励参与。

查看全部评分

发表于 2023-2-17 11:29:23 | 显示全部楼层 来自: 中国河北秦皇岛
本帖最后由 2005llnn 于 2023-2-23 17:53 编辑
4 o+ }( ]# ?' k7 a* F
2 E3 o. m- _9 }- y; f这次没抢到第一名
, r9 u: q( V+ P" G 上海证券交易所.zip (263.91 KB, 下载次数: 5)

评分

参与人数 1三维币 +20 收起 理由
kuangben8 + 20 鼓励参与。

查看全部评分

发表于 2023-2-17 13:40:16 | 显示全部楼层 来自: 中国江苏苏州
本帖最后由 2005llnn 于 2023-2-23 17:54 编辑
+ q+ ^8 L0 g, [; n  x$ N' O0 L$ _% _" i; m  \* ^0 d3 G2 q
参与练习,提交附件" P3 R; ^; y; e' N! u

$ U( O, t7 Q' |; \: i. L$ Q6 Z9 v 2月份标志练习.rar (166.05 KB, 下载次数: 4)

评分

参与人数 1三维币 +20 收起 理由
kuangben8 + 20 鼓励参与。

查看全部评分

发表于 2023-2-17 23:28:36 | 显示全部楼层 来自: 中国山东东营
本帖最后由 2005llnn 于 2023-2-23 20:49 编辑
& ^5 |  J" B+ ^& E- \6 W, Y
9 E* J! r$ C, F" e7 R交作业
& M) z" Q' Q4 x; R( v1 I) O 202302.zip (82.77 KB, 下载次数: 7)

点评

已经在截止时间后才补,不能够参与抽奖。  发表于 2023-2-23 20:49
没有上传dwgf附件  发表于 2023-2-23 17:57

评分

参与人数 1三维币 +20 收起 理由
kuangben8 + 20 鼓励参与。

查看全部评分

发表于 2023-2-19 15:18:22 | 显示全部楼层 来自: 中国福建泉州
本帖最后由 2005llnn 于 2023-2-23 17:58 编辑
2 m+ R- @# P2 s7 ^" j* C1 p7 T0 ^0 ~6 n* }% e3 w9 L! B
画一画0 N' v; c4 S  v+ A, M: Z$ `
2月份.rar (126.5 KB, 下载次数: 3)

评分

参与人数 1三维币 +20 收起 理由
kuangben8 + 20 鼓励参与。

查看全部评分

发表于 2023-2-21 14:16:15 | 显示全部楼层 来自: 中国江苏南京
本帖最后由 2005llnn 于 2023-2-23 18:00 编辑 7 F9 g1 d5 N: |; }( p
2 x3 f" f$ p8 ^$ E9 P
参与二月份的作业。7 o; f# w* f! @! P6 j8 t
2023.1作业.rar (49.91 KB, 下载次数: 3)

评分

参与人数 1三维币 +20 收起 理由
kuangben8 + 20 鼓励参与。

查看全部评分

发表于 2023-2-21 18:27:21 | 显示全部楼层 来自: 中国山东青岛
本帖最后由 2005llnn 于 2023-2-23 18:03 编辑 4 v9 F% d' R) i7 U
/ D: S: A! W7 r5 `/ p3 Q
好久没参加了,交下作业
1 Y2 S. C. L7 |2 ~8 C 上证.rar (56.5 KB, 下载次数: 3)

评分

参与人数 1三维币 +20 收起 理由
kuangben8 + 20 鼓励参与。

查看全部评分

发表于 2023-2-21 21:26:11 | 显示全部楼层 来自: 中国四川
本帖最后由 2005llnn 于 2023-2-23 18:05 编辑   `+ h) ?+ m2 [6 R7 j7 k

* i+ G. y/ y8 D) Q0 m$ J7 l2月作业3 w+ e0 N; w0 Z( d+ s$ V6 H3 f  I( k2 j
上交所标志.png 上交所标志.rar (46.16 KB, 下载次数: 3)

评分

参与人数 2三维币 +520 收起 理由
kuangben8 + 20 鼓励参与。
2005llnn + 500 二等奖

查看全部评分

发表于 2023-2-22 13:49:16 | 显示全部楼层 来自: 中国河南洛阳
本帖最后由 2005llnn 于 2023-2-23 18:06 编辑 8 A/ m. A/ m. \/ ^5 }

4 e" ?5 F3 X) z2 y. Y. A6 \参与练习
- b: z3 g8 ]; O+ a6 U 练习_20230222.rar (398.2 KB, 下载次数: 4)

评分

参与人数 1三维币 +20 收起 理由
kuangben8 + 20 鼓励参与。

查看全部评分

发表于 2023-2-23 15:28:23 | 显示全部楼层 来自: 中国江苏苏州
本帖最后由 2005llnn 于 2023-2-23 18:07 编辑
8 |( b. U. T, P6 o' _# u( Q
) ^0 ~, _* l/ G( `6 t版主:实在对不起,我又发错了答卷。本次答题只参加答卷,不参加抽奖以示惩罚。谢谢。
& a2 M6 D- Q: s/ f9 a, Z9 I 2023.2作业.rar (61.72 KB, 下载次数: 2)

评分

参与人数 1三维币 +20 收起 理由
kuangben8 + 20 鼓励参与。

查看全部评分

 楼主| 发表于 2023-2-27 09:25:21 | 显示全部楼层 来自: 中国广西河池
2月26日星期日开出的七星彩号码为6168267,第一位的号码6为一等奖中奖号码。第二位的号码1及第四位的号码8为二等奖中奖号码。9 k$ C5 K* l# A; Z1 F# @& ~
恭喜会员冰冻咖啡获得一等奖,可得到100元以内实物奖励。
% {; N6 w- b" ~  a" N' f+ e恭喜会员TKG-09及spar获得二等奖。可各得到500个三维币% `0 f2 L2 R" K; ?- V' i2 P
请会员冰冻咖啡通过本论坛短消息联系版主2005llnn办理领奖。3 R1 d1 p& z! E/ }& H, P+ z
0226.jpg
/ ]/ B& O9 G8 h4 r+ \
  a" f! O7 W! Q, z7 L! K

' S( T' c5 o9 H5 d( p+ h
发表于 2023-3-4 17:26:38 | 显示全部楼层 来自: 中国福建泉州
感谢,一等奖送套衣服给孩子
2 a. C$ J: r6 I3 I
ab36b520a3ded1655c3b6c99b27f5a1.jpg

评分

参与人数 1三维币 +5 收起 理由
kuangben8 + 5 美丽!

查看全部评分

发表回复
您需要登录后才可以回帖 登录 | 注册

本版积分规则


Licensed Copyright © 2016-2020 http://www.3dportal.cn/ All Rights Reserved 京 ICP备13008828号

小黑屋|手机版|Archiver|三维网 ( 京ICP备2023026364号-1 )

快速回复 返回顶部 返回列表