QQ登录

只需一步,快速开始

登录 | 注册 | 找回密码

三维网

 找回密码
 注册

QQ登录

只需一步,快速开始

展开

通知     

查看: 6091|回复: 20
收起左侧

[已解决] 单路稳定分流阀

[复制链接]
发表于 2006-11-6 09:03:43 | 显示全部楼层 |阅读模式 来自: LAN

马上注册,结识高手,享用更多资源,轻松玩转三维网社区。

您需要 登录 才可以下载或查看,没有帐号?注册

x
求助:单路稳定分流阀的工作原理及过程(最好结合图纸说明)
+ U/ m+ h: l7 x. x: ]3 C5 ]  r* R, l楼主先附图来啊!
4 Z1 Y1 o5 }$ U& n1 }& ^' h
6 e" B6 r0 c- o# K: W[ 本帖最后由 江边 于 2007-2-23 16:35 编辑 ]
发表于 2006-11-6 14:42:58 | 显示全部楼层 来自: 中国安徽马鞍山
说老实话,我搞液压4年多来,还真没听说单路稳定分流阀,楼主 发个图上来 看 看 ,液压这东西应该是通的 ,一通百通!我试看 看 !
发表于 2006-11-7 15:22:56 | 显示全部楼层 来自: 中国江苏苏州
单稳分流阀是有的,以根据需求定做,常见于复合齿轮泵,合肥长源液压件厂有。主要用于小型工程机械,提供一组稳定流量油路和一组主油路。$ _0 z/ F' i1 E& F
. i* A! [- P: L# w. h
型号应该CBWFa-E4

评分

参与人数 1三维币 +3 收起 理由
shengl1630 + 3 应助

查看全部评分

发表于 2006-11-11 14:27:17 | 显示全部楼层 来自: 中国安徽马鞍山
楼上说来听听啊,什么叫单稳分流阀?最好给个符号啊!
发表于 2006-11-11 17:11:55 | 显示全部楼层 来自: 中国江苏
不好意思,去山推出差了几天。( \0 G5 C6 t7 ^$ f+ ~* S7 v- R
9 Q5 ?$ o8 p8 C# P4 e/ q
http://www.cy-hydraulics.com/cbw-fa/CBW-FAz.gif
+ p! w( ]8 N' j这是合肥长源的复合齿轮泵的图纸,A口为主油路,B口为稳定的分油路

评分

参与人数 1三维币 +5 收起 理由
shengl1630 + 5 应助,谢谢你的资料!谢谢你的参与!

查看全部评分

发表于 2006-11-13 15:29:13 | 显示全部楼层 来自: 中国陕西榆林
恩,不错,有学了点东西
发表于 2006-11-13 19:09:28 | 显示全部楼层 来自: 中国广东广州
收藏,谢楼主0 S# K" W; a" G7 Y
阀自身带泵的比较少吧?
发表于 2006-11-13 22:05:59 | 显示全部楼层 来自: 中国安徽马鞍山
谢谢5楼兄弟,以前似曾见过这种泵,时间长了忘了,看到图纸好象有点影象!温故知新,不假!兄弟还有什么图纸,再传几张来看看,加深印象!谢谢$ q7 G0 \# V( q1 O
顺便说说楼上:阀带泵?没有。该阀通常用于此泵中!
发表于 2007-12-6 17:00:29 | 显示全部楼层 来自: 中国四川泸州
FLD型单路稳定分流阀 是如何工作呢?
发表于 2007-12-6 17:14:21 | 显示全部楼层 来自: 中国江苏无锡
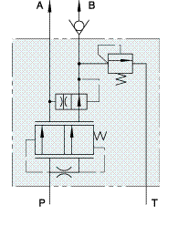
单路稳流分流阀具有B口稳定、恒量的油液优先保证,以及根据需要可调定合流功能,即当A口负载大于B口负载时,油流自动合流到A口,提高系统运行速度的优点。同时具有结构紧凑、性能优良、压力损失小、分流精度高等特点。主要用于具有全液压转向系统的工程机械设备,为其提供稳定油流。有的地方也叫优先阀。; y* n, q7 a; \  |' a2 Z

  z' ?) n) G$ F% `" Q1 y# r[ 本帖最后由 goldfluid 于 2007-12-6 17:17 编辑 ]
未命名.GIF
发表于 2007-12-7 11:03:36 | 显示全部楼层 来自: 中国四川泸州

回复 10# 的帖子

请问优先保证B口的流量吧?B口接转向器吧?当A口负载大于B口负载的时候,油自动到汇合到A口。那B口的油怎么保证呢?第一次接触到行走机械,很多不懂,请指教。
发表于 2009-12-23 00:28:13 | 显示全部楼层 来自: 中国山西大同
10楼能否提供一个结构图。
发表于 2009-12-23 08:39:41 | 显示全部楼层 来自: 中国浙江杭州
叉车上非常常用,一路供转向稳定的油流,一路供工作装置液压系统
发表于 2009-12-23 10:30:42 | 显示全部楼层 来自: 中国辽宁鞍山
谢谢各位的解释有学到了不少知识
发表于 2009-12-24 10:27:44 | 显示全部楼层 来自: 中国江苏常州
优先阀室优先阀吧,和单路稳定分流阀不是一回事啊,单路稳定分流阀的作用是:不管负载如何变化,通过节流口的流量保持不变,在负载变化及供油泵输出变化时,都可以保证工作机构所需流量的稳定。而优先阀的作用是有限转向用,和转向器配合用,小型行走机械中基本都用此阀,单路稳定分流阀大部分是用在全地面起重机中的。
发表于 2009-12-29 22:42:29 | 显示全部楼层 来自: 中国江苏常州
优先阀是优先转向用,不好意思打错了。
发表于 2009-12-29 22:42:45 | 显示全部楼层 来自: 中国浙江杭州
同意15#楼说的。单路稳定分流阀镇江液压件厂有生产的。
发表于 2009-12-29 22:56:56 | 显示全部楼层 来自: 中国北京
请问那个厂家有小型的单路稳定分流阀?就要求流量2L/min0 ^9 D7 @9 h7 c/ r  i+ P
, L4 y: x% C+ Q! x8 T
一般在多路阀中会集成这种阀,不知有单独生产的吗?
! C( M7 G% |# j+ Q# `' \# C$ p  r: ?* a' `! w: ]
流量阀太贵
发表于 2009-12-29 23:45:48 | 显示全部楼层 来自: 中国辽宁鞍山
建议楼主看看 路甬祥主编. 液压气动技术手册,上面讲得很详细,有原理,有示意图,你可以下电子版,三维论坛上就有,
发表于 2011-4-24 07:29:01 | 显示全部楼层 来自: 中国黑龙江哈尔滨
有没有CAD的图纸啊?
发表于 2011-4-25 17:13:11 | 显示全部楼层 来自: 中国江苏泰州
图示是我曾经使用过的单稳分流阀,也叫优先流量控制阀,优先流量可以达到40L/min。
V`P)64F$E0%OJH$%W)O{$`R.jpg
发表回复
您需要登录后才可以回帖 登录 | 注册

本版积分规则


Licensed Copyright © 2016-2020 http://www.3dportal.cn/ All Rights Reserved 京 ICP备13008828号

小黑屋|手机版|Archiver|三维网 ( 京ICP备2023026364号-1 )

快速回复 返回顶部 返回列表