QQ登录

只需一步,快速开始

登录 | 注册 | 找回密码

三维网

 找回密码
 注册

QQ登录

只需一步,快速开始

展开

通知     

查看: 13571|回复: 11
收起左侧

[推荐] CAD几何作图竞赛题(2025年5月),竞赛结果已公布。

 关闭 [复制链接]
发表于 2025-5-14 11:48:35 | 显示全部楼层 |阅读模式 来自: 中国广西南宁
安装
主题分类用于问题归类:

马上注册,结识高手,享用更多资源,轻松玩转三维网社区。

您需要 登录 才可以下载或查看,没有帐号?注册

x
本帖最后由 2005llnn 于 2025-5-25 23:25 编辑
) i' N6 |8 X% i1 o& _, [# @0 m$ a- F4 u4 m- m& Z* [
CAD设计标志202505
1 Z+ D2 u7 ~! |) e本题目由会员2005llnn提供
- Z7 Z8 L/ ]' }0 L( @
# m0 p- N6 J$ g  T+ I/ n, L; V8 A 202505.jpg + `6 l+ Z1 ?+ ?/ L
% ]' w; `) \' C' q# \7 o* ~, n

, o! R3 F- U# K/ \9 C; t
6 R* u* ^: u, m( |4 @5 ~* f  U8 G+ S! r% y! E
) F' X+ U2 D- e+ `
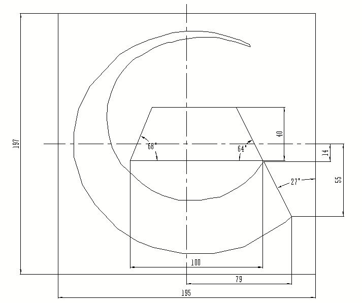
设计该标志CAD几何作图题,要求尺寸100,作出dwg图,并标出完成图形所需尺寸标注 % D1 M  d3 s% B7 V5 h% |
5 T2 i" m- @3 m( f5 c
尺寸精度要求为整数。角度单位必须使用十进制度数,不得使用度/分/秒,百分度和弧度,精度也要求是整数。
) e. c" T. g0 X0 k
参赛会员注意:图片及dwg格式的压缩文件以“附件”形式上传,不要点击“插入全部附件”,
+ v8 d4 |% V5 H" d 阅读权限设置为“最高权限”。
5 V; u) ~6 J9 d- W
答题请在本主题帖内发回复帖。

# d' Y: I* M/ E# A/ o
 楼主| 发表于 2025-5-14 11:50:11 | 显示全部楼层 来自: 中国广西南宁
本帖最后由 2005llnn 于 2025-5-22 16:22 编辑
3 u. X* C9 @1 {1 h
# [) e' t0 M8 ~% \) @1 @一.竞赛题目:CAD设计标志202505
" h; y7 p( i) ~$ O设计该标志CAD几何作图题,要求尺寸100,作出dwg图,并标出完成图形所需尺寸标注。
) m( R4 |! E: r 尺寸精度要求为整数。角度单位必须使用十进制度数,不得使用度/分/秒,百分度和弧度,精度也要求是整数。
% N/ d# @; M$ S 附件阅读权限定为最高权限。活动结束后由版主统一取消阅读权限。
5 ]4 q' b; r1 H6 c, d 禁止会员利用马甲一起参赛。% x& p7 U5 s! n0 R

8 d: V: C' _% u* H 二.竞赛要求
* J, a, ?* p4 z3 {) Q 除了AutoCAD区版主不能够参加竞赛,其它会员、技术团队成员、版主都可以参加竞赛,使用AutoCAD、CAXA或其他CAD软件,/ W6 k3 |9 r& @, X* V" l! |  \
在规定时间内将作出的图形截图为jpg附件或压缩包在本主题下跟帖发表,并提供dwg附件,
" Z8 M& }3 H- }( d 附件阅读权限定为最高权限。活动结束后由版主统一取消阅读权限。
' ?, L9 i9 K0 C5 C3 _5 n$ z* X; m
- d6 @( }; ]1 h( k. W3 W+ P( j三.竞赛时间/ D. q& `! ^- e2 o0 @
2025年5月14日至2025年5月21日。
+ N- G$ u# v7 ?# r4 [( K: u/ F5 o8 L
* h! o7 D' r% ?, }4 R" O" S 四.评选时间及方法
' |' E9 `* k# x% y* M5 m" M" r2025年5月22日-2025年5月24日,由三维网技术论坛CAD版块: v$ i6 Q2 X4 Q3 E6 u
版主为评委,内部评选出各奖项。  }7 R# W/ h( J) T2 M

" |" f' M# _7 X* j; d4 |6 i 五.奖励' t; C( N3 D5 {# f* i# i: ?2 V
1、一等奖:1名,奖励100元以内实物奖励,上一期中一等奖的会员不能够连续获一等奖;如果抽中一等奖,只能够改获2等奖。
) @- A" H4 l  r2、二等奖:2名,各奖励500个三维币;
+ c8 V, U* Y& X; Z. i3、作图基本符合要求者先各奖励20个三维币;1 k& q2 W# r- M) ~3 Q
4、如果评出11名优秀者,上期一等奖获得者不参与抽奖,可获得300三维币;
* G* l/ p3 R- [3 l5 \' B' C5、如果评出11名以上优秀者,按发帖提交时间排名优先获得抽奖资格,排名较后的作图接近完美的会员可插队获得抽奖资格;
9 y3 j/ K7 P8 A+ l1 ]2 `/ z; L6、根据竞赛实际情况会对奖励规则进行适当修改。
2 S' n( Z' t1 P4 }" p7 U
7 M. E& P' v0 e# I, t  h 六.其它
4 a% ^! V9 F3 O9 |- f' @  A6 M- V 竞赛结束后在本帖发回复帖进行点评和讨论。
5 C, w+ q  o  s, U: J8 [8 T8 o8 `7 K! i: Y* ^8 ]) e4 p
七.抽奖规则
2 A8 ^) ?4 Q0 H3 V2 z3 f 每期竞赛由本版区版主评出10名或10名以内优秀者参与抽奖,优秀者按发帖顺序进行从1开始顺序编号,% X4 m3 I+ X' N
本期中奖号码按5月25日星期日开出的七星彩号码确定中奖者,七星彩左端第1位、第2位、第3位(各位不同号)为中奖号码,
2 h4 z) y: p" R  z3 y" c: Y 如果第1位号码没有符合中奖要求,就以七星彩号码第2位替代,以此类推。  G: x; d+ u0 C0 k
如果本期七星彩号码不能够确定出全部中奖者,未确定的中奖者可通过下一期的七星彩号码继续确定。
7 O$ F2 b3 K; w4 M( R2 ?/ k 第1位获奖者可得到100元以内实物奖励。第2位及第3位获奖者可各得到500个三维币。
( N' }5 b% \0 c  l) U; B  W" J9 F 上一期中一等奖的会员不能够连续获一等奖;如果抽中一等奖,只能够改获2等奖。一等奖由后一位中奖号所得。. b# E' |9 {" Z4 A
例如七星彩开奖号码为7665432。则7为第1位中奖号码,6为第2位中奖号码,5为第3位中奖号码。
: x0 e- r  _: [如果一等奖中奖者在下一期竞赛开始前还没有办理领奖事宜,按弃奖处理。# Y& P1 Z/ v- @6 @5 P* A

8 n: q4 m) L$ _* b9 [
竞赛已结束,等待抽奖。
楼层用户名抽奖号备注
3wupeiqi1接近完美
4gerald_lee2接近完美
5gongwen05193有点过于复杂
6spar 4标注尺寸不全
7zhaozhihui5梯形不对称
8zhangwp 6接近完美
9longzhu1887标注尺寸不全
2 u! c! \' _  j% G
发表于 2025-5-15 08:34:35 | 显示全部楼层 来自: 中国江苏
本帖最后由 2005llnn 于 2025-5-22 16:16 编辑
4 F" }* d: G! R8 u7 _/ @! }7 P3 a
7 c, q( c! {  H3 P$ f5 e参与练习,提交作业& l3 g. w, I; }2 Z6 ^
5月练习.rar (129.87 KB, 下载次数: 7)

点评

恭喜获得一等奖!  发表于 2025-5-25 23:23

评分

参与人数 1三维币 +20 收起 理由
kuangben8 + 20 鼓励参与。

查看全部评分

发表于 2025-5-15 08:42:58 | 显示全部楼层 来自: 中国天津
本帖最后由 2005llnn 于 2025-5-22 16:17 编辑
; }% X6 g+ ?# h' A( R' z5 p6 ~! }7 E
交本月作业! 2025.05.rar (396.95 KB, 下载次数: 6)

评分

参与人数 1三维币 +20 收起 理由
kuangben8 + 20 鼓励参与。

查看全部评分

发表于 2025-5-15 13:19:42 | 显示全部楼层 来自: 中国湖南
本帖最后由 2005llnn 于 2025-5-22 16:17 编辑
( A" P4 Q$ ?8 U8 p* H+ X, b2 C7 N: _% c1 D5 [& J
本月练习:. `2 B. V3 g5 P
202505Lx.rar (139.72 KB, 下载次数: 6)

评分

参与人数 2三维币 +520 收起 理由
kuangben8 + 20 祝贺获奖。
2005llnn + 500 二等奖

查看全部评分

发表于 2025-5-16 11:27:43 | 显示全部楼层 来自: 中国四川成都
本帖最后由 2005llnn 于 2025-5-22 16:18 编辑
: U  |! ^. u, [( S# D% a0 b
+ _6 z9 E" R( Z' P; ^. B" s2025年5月交作业/ E* Z4 f8 v% ^- F' {0 n5 j" j
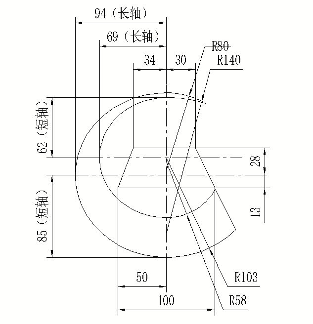
1747365689450.png
2 W% h- p1 I* A4 ^. }, z
( A6 E! y5 s$ b' M8 \; G+ A$ I" ?" Q9 k 中国黄金.rar (89.09 KB, 下载次数: 5)

评分

参与人数 1三维币 +20 收起 理由
kuangben8 + 20 鼓励参与。

查看全部评分

发表于 2025-5-16 21:54:23 | 显示全部楼层 来自: 中国江苏盐城
本帖最后由 2005llnn 于 2025-5-22 16:18 编辑 " }( ~/ H# S3 H) o
6 `( C- t9 e3 D* S
交作业:! j! E0 V; w: _8 f
中国黄金标志 CAD几何作图竞赛题(2025年5月)  G9 v/ ~. H/ I8 E6 y
中国黄金标志 CAD几何作图竞赛题(2025年5月).rar (44.15 KB, 下载次数: 4)

评分

参与人数 1三维币 +20 收起 理由
kuangben8 + 20 鼓励参与。

查看全部评分

发表于 2025-5-19 08:17:15 | 显示全部楼层 来自: 法国
本帖最后由 2005llnn 于 2025-5-22 16:19 编辑
4 N* L8 K% u* l% g1 z7 N3 ]4 _
- _8 j6 [5 }/ w: k7 h$ P6 e$ e积极参与论坛活动。/ L+ {7 I1 J+ t* G$ s6 }; O- o
2025.5作业.rar (353.57 KB, 下载次数: 6)

评分

参与人数 2三维币 +520 收起 理由
kuangben8 + 20 鼓励参与。
2005llnn + 500 二等奖

查看全部评分

发表于 2025-5-19 14:19:38 | 显示全部楼层 来自: 中国上海
本帖最后由 2005llnn 于 2025-5-22 16:20 编辑 . b' d# L/ f2 v; j& C0 F6 Q
0 C" M' ?0 U: ]& R
首次参与。 G-logo提交.zip (60.18 KB, 下载次数: 4)

评分

参与人数 1三维币 +20 收起 理由
kuangben8 + 20 鼓励参与。

查看全部评分

 楼主| 发表于 2025-5-25 23:21:49 | 显示全部楼层 来自: 中国广西南宁
5月25日星期日开出的七星彩号码为136686+13,第一位的号码1为一等奖中奖号码。第二位的号码3及第三位的号码6为二等奖中奖号码。
# q2 p2 [; O/ T2 r3 A' C/ S4 L 恭喜会员wupeiqi获得一等奖,可得到100元以内实物奖励。+ K5 ?7 r7 v# u4 O* E7 E2 `
恭喜会员gongwen0519及zhangwp 获得二等奖。可各得到500个三维币。
% K- l2 s4 P( k 请会员wupeiqi通过本论坛短消息联系版主2005llnn办理领奖。/ O( }; X# d' u

" l* |4 p+ G8 Q" F6 O) `8 j
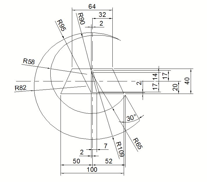
5-25.jpg
发表于 2025-5-31 10:10:51 | 显示全部楼层 来自: 中国江苏苏州
本帖最后由 wupeiqi 于 2025-5-31 10:16 编辑
5 {: u0 v1 Z  d( ]9 ^8 {( F, Y1 r; Y* q6 m3 _: d$ W- r! V$ w/ `
5月份奖金兑换的奖品已收到,感谢论坛提供竞赛平台,谢谢版主的兑换。收到的防晒衣图片:3 `, e/ l2 K+ f6 A2 C; E
收到的防晒衣图片.jpg
收到的防晒衣图片.jpg
发表回复
您需要登录后才可以回帖 登录 | 注册

本版积分规则


Licensed Copyright © 2016-2020 http://www.3dportal.cn/ All Rights Reserved 京 ICP备13008828号

小黑屋|手机版|Archiver|三维网 ( 京ICP备2023026364号-1 )

快速回复 返回顶部 返回列表