QQ登录

只需一步,快速开始

登录 | 注册 | 找回密码

三维网

 找回密码
 注册

QQ登录

只需一步,快速开始

展开

通知     

查看: 11548|回复: 12
收起左侧

[推荐] CAD几何作图竞赛题(2025年7月),竞赛结果已公布。

 关闭 [复制链接]
发表于 2025-7-9 17:11:35 | 显示全部楼层 |阅读模式 来自: 中国广西南宁
安装
主题分类用于问题归类:

马上注册,结识高手,享用更多资源,轻松玩转三维网社区。

您需要 登录 才可以下载或查看,没有帐号?注册

x
本帖最后由 2005llnn 于 2025-7-21 10:14 编辑 ( H" Q! w% q$ u# T( q, m

! r$ D9 S2 L0 B3 F: X2 S7 |" A1 uCAD设计标志2025075 a, V, K% d. y  p6 D
本题目由会员2005llnn提供
* y# _( T2 N$ i7 \ 202507.jpg * O* S- w) L0 G0 Z- T  [2 N4 ]- ^
: K- |! m! {3 Y+ ^0 W# ?6 e
0 B& ^- w& c' a2 q  h  V& p. b' }

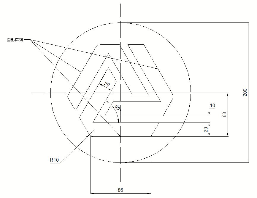
) {7 d/ w$ m: ^) F4 W  `设计该标志CAD几何作图题,要求尺寸200,作出dwg图,并标出完成图形所需尺寸标注
  K% n6 j' ^* v8 q* v$ w* e  y" U+ M. Q3 Q
尺寸精度要求为整数。角度单位必须使用十进制度数,不得使用度/分/秒,百分度和弧度,精度也要求是整数。
, |0 }( s  S/ x- _  Q/ f7 H: u! c# B
参赛会员注意:图片及dwg格式的压缩文件以“附件”形式上传,不要点击“插入全部附件”,
" O# O' _0 D2 Z, }, c' Z  f阅读权限设置为“最高权限”。
* }0 ]5 }& l, n, Y3 k
答题请在本主题帖内发回复帖。

, i- G0 Y. D( h3 D, ?5 \- f
 楼主| 发表于 2025-7-9 17:24:25 | 显示全部楼层 来自: 中国广西南宁
本帖最后由 2005llnn 于 2025-7-17 10:42 编辑
; E1 S5 ?. U, p+ ~. B8 C( @
" ?* q# U/ s( L( R: b6 A2 c5 q: Z一.竞赛题目:CAD设计标志202507( c* ]: `$ D4 ]0 k8 |( M! k% m
设计该标志CAD几何作图题,要求尺寸200,作出dwg图,并标出完成图形所需尺寸标注。 2 D) c" x* H7 C$ g3 F! s+ K; D
尺寸精度要求为整数。角度单位必须使用十进制度数,不得使用度/分/秒,百分度和弧度,精度也要求是整数。, r9 N% U. R9 S3 R% R
附件阅读权限定为最高权限。活动结束后由版主统一取消阅读权限。1 ~. ^  z  J* W8 ^$ Q3 P
禁止会员利用马甲一起参赛。  v: A" t7 y& {7 F3 [& }

6 z0 ^6 u0 O7 J3 I) l二.竞赛要求
- @2 `/ Q8 m( Q& s$ E3 ^除了AutoCAD区版主不能够参加竞赛,其它会员、技术团队成员、版主都可以参加竞赛,使用AutoCAD、CAXA或其他CAD软件,1 L5 J3 M2 ?3 L; @3 C
在规定时间内将作出的图形截图为jpg附件或压缩包在本主题下跟帖发表,并提供dwg附件,* O/ S( o7 p7 \/ L5 F
附件阅读权限定为最高权限。活动结束后由版主统一取消阅读权限。
8 g4 r- D5 y4 e. H  ^) d# B- Q  x4 I  h. m

% f7 c, A$ K$ Q5 ?三.竞赛时间
# R- t7 w+ m( ]% \% _2025年7月9日至2025年7月16日。
! P* U! r6 d8 M+ O  k! b8 I% ?3 l# r, ~6 a" r! r  X3 A
四.评选时间及方法) S! S9 X" s5 q3 H+ i
2025年7月17日-2025年7月19日,由三维网技术论坛CAD版块6 z1 y- `1 r7 W9 F. o
版主为评委,内部评选出各奖项。
/ @# v* z! b4 k
! z. [# s9 R+ F1 g: ^  t% c五.奖励- a, ~, h  B. J
1、一等奖:1名,奖励100元以内实物奖励,上一期中一等奖的会员不能够连续获一等奖;如果抽中一等奖,只能够改获2等奖。
& v8 K/ I- _6 v# _: V2、二等奖:2名,各奖励500个三维币;
* }; h5 k. [* `( o+ @4 K+ z3、作图基本符合要求者先各奖励20个三维币;+ W# K- Q2 f, N* w
4、如果评出11名优秀者,上期一等奖获得者不参与抽奖,可获得300三维币;
, R: \; g/ r, q0 Z5、如果评出11名以上优秀者,按发帖提交时间排名优先获得抽奖资格,排名较后的作图接近完美的会员可插队获得抽奖资格;
- W) p9 p, Z  E3 ]+ [2 V6 a+ ~6、根据竞赛实际情况会对奖励规则进行适当修改。( ~! c1 w  g& G0 \0 |; |
+ S) B5 e: |* ?0 ]* [' F$ x0 h
六.其它" D3 }7 l0 g) C& P( n
竞赛结束后在本帖发回复帖进行点评和讨论。
9 U& G4 W# R, K7 v5 e9 `4 M% N$ \1 x- T+ o7 A8 g
七.抽奖规则0 @( ]: K0 @% A: |
每期竞赛由本版区版主评出10名或10名以内优秀者参与抽奖,优秀者按发帖顺序进行从1开始顺序编号,
2 H9 d; _- k+ ?, }2 w$ Z) Y本期中奖号码按7月20日星期日开出的七星彩号码确定中奖者,七星彩左端第1位、第2位、第3位(各位不同号)为中奖号码,1 J9 Q! Q. G: ^7 @' k4 m2 D! ~
如果第1位号码没有符合中奖要求,就以七星彩号码第2位替代,以此类推。# u) n8 ^% r0 @/ `  v: y
如果本期七星彩号码不能够确定出全部中奖者,未确定的中奖者可通过下一期的七星彩号码继续确定。
& `# g" H( o! I" ]7 \第1位获奖者可得到100元以内实物奖励。第2位及第3位获奖者可各得到500个三维币。) H% K6 w/ O6 x- x
上一期中一等奖的会员不能够连续获一等奖;如果抽中一等奖,只能够改获2等奖。一等奖由后一位中奖号所得。
6 l& n! x9 n6 ]( q9 _  W例如七星彩开奖号码为7665432。则7为第1位中奖号码,6为第2位中奖号码,5为第3位中奖号码。
; M0 }. s) c! @1 o如果一等奖中奖者在下一期竞赛开始前还没有办理领奖事宜,按弃奖处理。
3 p/ d4 C* U+ p7 Y" ]( `) E4 l. d! f" p. X" [5 k# V: G& S
竞赛已结束,等待抽奖。
楼层用户名抽奖号备注
3塔山817 1尺寸标注不全
4TKG-09 2接近完美
5gerald_lee3接近完美
6wupeiqi4接近完美
7sh_mrhg5图形不对称
8zhaozhihui6图形不对称
9zhangwp 7图形不对称
10gongwen05198接近完美

- S+ q% Y0 K: W. L; B
发表于 2025-7-9 23:18:11 | 显示全部楼层 来自: 中国山东
本帖最后由 2005llnn 于 2025-7-17 10:38 编辑 ' g2 K; I  h" p) t1 A

' `9 k, r+ l1 \- `) r交作业+ Q" K) d1 m  I( j  n. y5 E9 A
202507.zip (64.75 KB, 下载次数: 9)

点评

恭喜获得一等奖!  发表于 2025-7-21 10:13

评分

参与人数 1三维币 +20 收起 理由
kuangben8 + 20 鼓励参与。

查看全部评分

发表于 2025-7-10 10:50:32 | 显示全部楼层 来自: 中国湖南
本帖最后由 2005llnn 于 2025-7-17 10:38 编辑 8 _, r8 R; t8 g- r3 J# y

5 U2 b* S" ]6 S2025.07 作业 。! w5 Z; d0 ?6 a, c9 A
中国证监会.zip (40.3 KB, 下载次数: 6)

评分

参与人数 1三维币 +20 收起 理由
kuangben8 + 20 鼓励参与。

查看全部评分

发表于 2025-7-10 19:13:36 | 显示全部楼层 来自: 中国
本帖最后由 2005llnn 于 2025-7-17 10:39 编辑 % X( F6 j8 k, O) @& v" ?- t
! s& U1 j! E3 F+ ^3 Z- u
交本月作业! 2025.07.rar (53.37 KB, 下载次数: 6)

评分

参与人数 1三维币 +20 收起 理由
kuangben8 + 20 鼓励参与。

查看全部评分

发表于 2025-7-11 10:44:31 | 显示全部楼层 来自: 中国江苏
本帖最后由 2005llnn 于 2025-7-17 10:39 编辑
1 X3 u7 g2 a; @0 ^( J( z+ j/ N& Y- s2 g7 H. P  X5 x
参与练习,提交附件。# g8 t8 H) K! D% Y& g) w: a! ?
7月份标志练习.rar (248.96 KB, 下载次数: 7)

评分

参与人数 1三维币 +20 收起 理由
kuangben8 + 20 鼓励参与。

查看全部评分

发表于 2025-7-11 21:29:49 | 显示全部楼层 来自: 中国江苏南通
本帖最后由 2005llnn 于 2025-7-17 10:40 编辑
: V' B/ a6 u$ T  o4 K3 y) l6 p* o2 i  T/ R* W
2025.07作业
8 v0 \6 r" ~2 Z& K6 Q 202507.rar (224.65 KB, 下载次数: 7)

评分

参与人数 2三维币 +520 收起 理由
2005llnn + 500 二等奖
kuangben8 + 20 鼓励参与。

查看全部评分

发表于 2025-7-12 21:09:02 | 显示全部楼层 来自: 中国江苏盐城
本帖最后由 2005llnn 于 2025-7-17 10:40 编辑 $ l; V5 o6 i& Q  q( x/ l. q, v5 Z
; `/ |- ]6 |* x' P
交作业:
' {9 }7 s+ _9 ?1 {CAD几何作图竞赛题(2025年7月) 中国证监会标志
0 N7 Y/ ^8 o/ s* u, k; u3 Z7 e+ K6 F: L2 k0 s, B! F& ]
CAD几何作图竞赛题(2025年7月) 中国证监会标志.rar (60.12 KB, 下载次数: 6)

评分

参与人数 1三维币 +20 收起 理由
kuangben8 + 20 鼓励参与。

查看全部评分

发表于 2025-7-14 07:00:19 | 显示全部楼层 来自: 中国江苏苏州
本帖最后由 2005llnn 于 2025-7-17 10:41 编辑
9 ~" T4 S4 \  I( O" w2 P, q. \' _- z! s# n2 N0 ~
积极参加论坛活动。5 b: _, K5 i7 p2 _
2025.7作业.rar (51.15 KB, 下载次数: 5)

评分

参与人数 1三维币 +20 收起 理由
kuangben8 + 20 鼓励参与。

查看全部评分

发表于 2025-7-15 14:19:42 | 显示全部楼层 来自: 中国湖南
本帖最后由 2005llnn 于 2025-7-17 10:42 编辑 5 C7 W4 A5 n6 I+ A" \9 D3 A% h
' `$ E: y% N. D# j% Q; n7 v$ E
本月练习:' R  e4 D  j4 G7 `
202507Lx.rar (158.58 KB, 下载次数: 10)

评分

参与人数 2三维币 +520 收起 理由
2005llnn + 500 二等奖
kuangben8 + 20 鼓励参与。

查看全部评分

 楼主| 发表于 2025-7-21 10:10:50 | 显示全部楼层 来自: 中国广西南宁
7月20日星期日开出的七星彩号码为185963+10,第一位的号码1为一等奖中奖号码。第二位的号码8及第三位的号码5为二等奖中奖号码。
; D3 ]! @6 |1 b: l* ?恭喜会员塔山817获得一等奖,可得到100元以内实物奖励。6 X6 @- _8 ?& P9 u, o2 j
恭喜会员gongwen0519及sh_mrhg获得二等奖。可各得到500个三维币。. C1 x" P3 x7 M9 ~  h% R  v
请会员塔山817通过本论坛短消息联系版主2005llnn办理领奖。
07-20.jpg
7 y* S2 `  S9 d: [. f8 @6 G  E( |0 Q* O# C5 O- G
' @) p* b4 A  V3 C1 M. \3 u
  N. I; r. z: s/ O% O. M7 m
发表于 2025-7-25 19:25:50 | 显示全部楼层 来自: 中国山东
奖品收到,谢谢! 11.jpg
发表回复
您需要登录后才可以回帖 登录 | 注册

本版积分规则


Licensed Copyright © 2016-2020 http://www.3dportal.cn/ All Rights Reserved 京 ICP备13008828号

小黑屋|手机版|Archiver|三维网 ( 京ICP备2023026364号-1 )

快速回复 返回顶部 返回列表