QQ登录

只需一步,快速开始

登录 | 注册 | 找回密码

三维网

 找回密码
 注册

QQ登录

只需一步,快速开始

展开

通知     

查看: 10504|回复: 18
收起左侧

[推荐] CAD几何作图竞赛题(2025年8月),竞赛结果已公布。

 关闭 [复制链接]
发表于 2025-8-13 15:25:48 | 显示全部楼层 |阅读模式 来自: 中国广西南宁
安装
主题分类用于问题归类:

马上注册,结识高手,享用更多资源,轻松玩转三维网社区。

您需要 登录 才可以下载或查看,没有帐号?注册

x
本帖最后由 2005llnn 于 2025-8-27 18:08 编辑 : N: H' k) v& E6 T: P' O
3 a( ^# ]$ u: r/ n
CAD设计标志202508
/ B' B! P, C. E) {& V* N, J本题目由会员2005llnn提供
* c7 z) l, h) i: g" b. | 202508.jpg
$ @7 H! a5 p% k  z$ v0 Y) @+ l$ |8 y- _2 e- G
; b! c0 u: A8 j& R& q
8 `+ M/ v) f1 m: ?/ Z5 x6 M5 h" d9 T

7 b) C- P1 w$ u- E
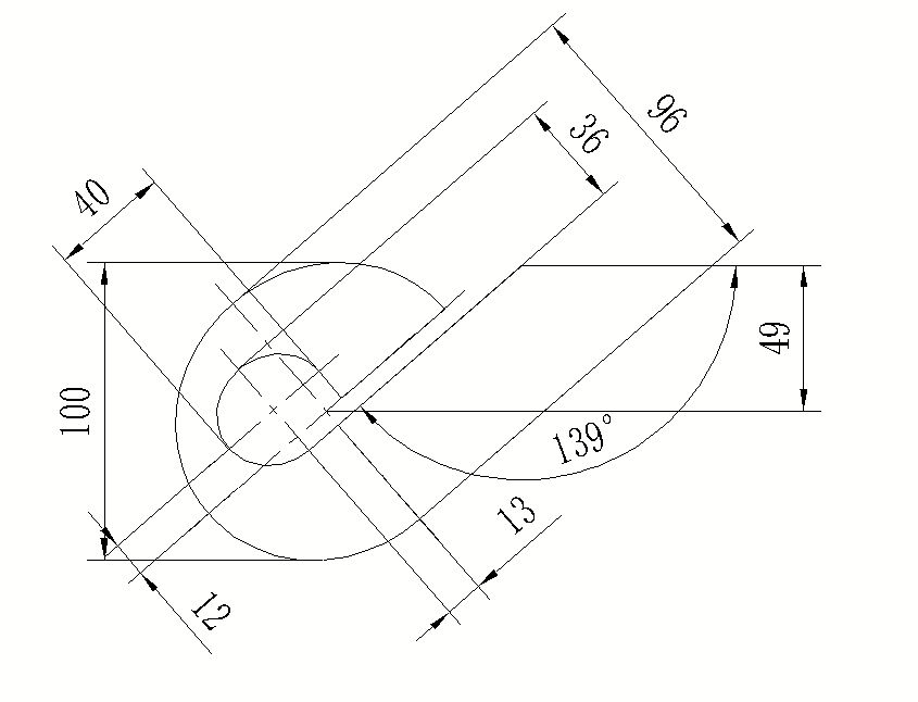
. A# R- x2 m, `3 z7 g+ a$ A设计该标志,要求尺寸100,作出dwg图,并标出完成图形所需尺寸标注 " Q" |# n! Z$ G/ |( I7 i
% W4 z$ q7 G" [1 O% L! F
尺寸精度要求为整数。角度单位必须使用十进制度数,不得使用度/分/秒,百分度和弧度,精度也要求是整数。
' s3 }1 z$ y) ?: B$ ?! R  P
参赛会员注意:图片及dwg格式的压缩文件以“附件”形式上传,不要点击“插入全部附件”,' Z0 O  U( d  @: S
阅读权限设置为“最高权限”。
, o+ t) I/ a3 B+ p/ R1 P$ b. X
答题请在本主题帖内发回复帖。
% D, K8 G8 p, \7 X5 q7 Q. S
4 B7 g6 n) B. n# e" ~4 n. Q, Y1 K
 楼主| 发表于 2025-8-13 15:27:43 | 显示全部楼层 来自: 中国广西南宁
本帖最后由 2005llnn 于 2025-8-27 18:07 编辑
/ U! x. v$ R' m% R
* z# q8 [7 n; B8 i' h一.竞赛题目:CAD设计标志2025084 m, ^0 S/ X+ x; h( p- W- w$ u
设计该标志CAD几何作图题,要求尺寸100,作出dwg图,并标出完成图形所需尺寸标注。
7 ~; k/ @6 ~; n$ t4 P& ~尺寸精度要求为整数。角度单位必须使用十进制度数,不得使用度/分/秒,百分度和弧度,精度也要求是整数。
& N: w' ?2 n3 X1 u) e7 T# S: M8 K附件阅读权限定为最高权限。活动结束后由版主统一取消阅读权限。, d$ w3 ?: D6 ]8 U
禁止会员利用马甲一起参赛。3 \9 F7 S# g" Q& I/ y( S2 N$ n

+ @. w- J; n6 d% g9 f+ F5 V! O! j2 J  a% [二.竞赛要求
3 X* g5 L6 \4 H2 T& @除了AutoCAD区版主不能够参加竞赛,其它会员、技术团队成员、版主都可以参加竞赛,使用AutoCAD、CAXA或其他CAD软件,* M) n0 p% o3 R
在规定时间内将作出的图形截图为jpg附件或压缩包在本主题下跟帖发表,并提供dwg附件,
: v+ n# b; B& J% H, l; n附件阅读权限定为最高权限。活动结束后由版主统一取消阅读权限。0 ^) G: I6 k# S5 ^

0 @6 e( U& p3 t, ^; _1 z三.竞赛时间) G* P+ r( Y# B' _/ W/ \. x
2025年8月13日至2025年8月20日。
; @/ p+ K, i! x) Z2 B( {/ d4 d( c3 b* j
四.评选时间及方法
! V3 X+ Q" f/ k( `1 Q2025年8月21日-2025年8月23日,由三维网技术论坛CAD版块
" j% }. ~" _1 y. V2 j. D4 S( Q9 _版主为评委,内部评选出各奖项。3 t" n8 A% u& p% U( g: I
' {- K1 d! X- c+ P$ g' G9 A
五.奖励
/ L2 \* j4 J" d, [, W1、一等奖:1名,奖励100元以内实物奖励,上一期中一等奖的会员不能够连续获一等奖;如果抽中一等奖,只能够改获2等奖。" k0 Q9 n' T) i6 R$ ~; O6 f6 J- U, C
2、二等奖:2名,各奖励500个三维币;4 E& C* Z! c2 X" m
3、作图基本符合要求者先各奖励20个三维币;4 p4 A0 b6 m1 u& h  y
4、如果评出11名优秀者,上期一等奖获得者不参与抽奖,可获得300三维币;0 R: M* _, H0 n3 F' C( _
5、如果评出11名以上优秀者,按发帖提交时间排名优先获得抽奖资格,排名较后的作图接近完美的会员可插队获得抽奖资格;
( q3 C& K( ]2 {, B- ~6、根据竞赛实际情况会对奖励规则进行适当修改。5 Y1 f2 j% R+ I# S7 u

8 V& v0 e& W" }! ~六.其它- y- C3 o# Z1 U/ h$ D
竞赛结束后在本帖发回复帖进行点评和讨论。
5 |+ V" Q) e0 {1 b/ A( V# [) k, i" Q3 c) U* |; T8 K
七.抽奖规则
2 I# P3 u$ l" O2 g每期竞赛由本版区版主评出10名或10名以内优秀者参与抽奖,优秀者按发帖顺序进行从1开始顺序编号,
- c: k; Z- z2 H; v  J5 t) v6 I" ?本期中奖号码按8月24日星期日开出的七星彩号码确定中奖者,七星彩左端第1位、第2位、第3位(各位不同号)为中奖号码,7 i0 s# G' B: h& Q4 ?$ k
如果第1位号码没有符合中奖要求,就以七星彩号码第2位替代,以此类推。
8 I) l2 y2 k8 ]  `如果本期七星彩号码不能够确定出全部中奖者,未确定的中奖者可通过下一期的七星彩号码继续确定。2 Z2 n8 ^/ X; |2 L  i
第1位获奖者可得到100元以内实物奖励。第2位及第3位获奖者可各得到500个三维币。
0 h: e3 h+ D/ B( H# m2 }上一期中一等奖的会员不能够连续获一等奖;如果抽中一等奖,只能够改获2等奖。一等奖由后一位中奖号所得。! M- i+ G0 N- W: x  L9 d. y! ]5 L
例如七星彩开奖号码为7665432。则7为第1位中奖号码,6为第2位中奖号码,5为第3位中奖号码。/ f9 ~" w3 \3 L! N; s
如果一等奖中奖者在下一期竞赛开始前还没有办理领奖事宜,按弃奖处理。) H. {+ c, ~/ e
1 u5 H$ T' j& o9 U/ B) K. ]  C
竞赛已结束,等待抽奖。
楼层用户名抽奖号备注
3spar 1接近完美
4TKG-09 2接近完美
5林主05983接近完美
7zhaozhihui4左端尺寸40处圆弧标注不明
8凤九天5接近完美
9zhangwp 6左端尺寸100处不宜为直线
10wupeiqi7左端尺寸38处不宜为直线
11gerald_lee8接近完美
12sh_mrhg9左端尺寸28处不宜为直线
13gongwen05190接近完美
14塔山817 上期一等奖下端尺寸17处不宜为直线
& `! f% \1 S3 U7 F, ~! |
发表于 2025-8-14 14:36:33 | 显示全部楼层 来自: 中国四川成都
本帖最后由 2005llnn 于 2025-8-27 17:19 编辑
* u$ `2 K' v) e3 l1 m0 K( B5 r0 u. [" ?5 W7 e
2025年8月,交作业/ i" s' e8 a9 n4 j( q; `5 h+ q
雅江集团标志.rar (81.25 KB, 下载次数: 27)

评分

参与人数 1三维币 +20 收起 理由
kuangben8 + 20 鼓励参与。

查看全部评分

发表于 2025-8-15 15:22:03 | 显示全部楼层 来自: 中国湖南
本帖最后由 2005llnn 于 2025-8-27 17:20 编辑
9 N$ k* F9 H, B: T; l: X5 l9 p: U' m
2025 08 作业。6 {! ]; H9 t+ g  g% H/ w& m
2025.08 作业.jpg : ]" L3 L+ w. ~5 E* q7 F

' T' O/ I  R  G 中国雅江.zip (25.99 KB, 下载次数: 9)

评分

参与人数 1三维币 +20 收起 理由
kuangben8 + 20 鼓励参与。

查看全部评分

发表于 2025-8-16 10:38:50 | 显示全部楼层 来自: 中国福建三明
本帖最后由 2005llnn 于 2025-8-27 17:21 编辑
$ N0 ~; e/ {6 {- A. X
% \& I$ j- q" C. h3 _8月作图( j$ D  W6 I( y3 g+ `7 J: D8 O- e* d7 x8 f
8月作图.rar (71.58 KB, 下载次数: 11)

点评

恭喜获得一等奖!  发表于 2025-8-24 23:32

评分

参与人数 1三维币 +20 收起 理由
kuangben8 + 20 鼓励参与。

查看全部评分

发表于 2025-8-16 18:18:44 | 显示全部楼层 来自: 中国北京
本帖最后由 wisdom_lc 于 2025-8-16 18:20 编辑
, X* ?- x. \6 _8 s# G. c& ^% x* G2 H5 _
重新上传
2 O) T+ K/ Q" J# o$ ~- R
发表于 2025-8-16 18:23:07 | 显示全部楼层 来自: 中国北京
本帖最后由 2005llnn 于 2025-8-27 17:29 编辑
2 b- k  \5 y$ g+ H& m! s
9 Y0 P9 Y* e5 E8 ^交作业:
- _) C4 u' [+ l3 ~, }2 J; W1 UCAD几何作图竞赛题(2025年8月) 中国雅江集团标志; |/ e5 C( e8 U- _% w$ n. \
CAD几何作图竞赛题(2025年8月) 中国雅江集团标志.rar (37.29 KB, 下载次数: 7)

评分

参与人数 1三维币 +20 收起 理由
kuangben8 + 20 鼓励参与。

查看全部评分

发表于 2025-8-17 20:26:32 | 显示全部楼层 来自: 中国山东
本帖最后由 2005llnn 于 2025-8-27 17:47 编辑
6 \2 M2 n1 G, B" ]: p$ E( f% k. O
! E1 q9 U1 l1 Z  `, s好久没交作业了 中国雅江集团.rar (159.14 KB, 下载次数: 21)

评分

参与人数 1三维币 +20 收起 理由
kuangben8 + 20 鼓励参与。

查看全部评分

发表于 2025-8-18 08:00:03 | 显示全部楼层 来自: 中国江苏苏州
本帖最后由 2005llnn 于 2025-8-27 17:50 编辑 7 H/ a' W" \& w0 p4 D9 S/ V
/ P( E2 A6 C: b7 F, F
积极参加论坛活动。1 I# |2 l9 m4 o) s7 z  A
2025.8作业.rar (81.17 KB, 下载次数: 8)

评分

参与人数 1三维币 +20 收起 理由
kuangben8 + 20 鼓励参与。

查看全部评分

发表于 2025-8-18 08:34:19 | 显示全部楼层 来自: 中国江苏
本帖最后由 2005llnn 于 2025-8-27 17:53 编辑
$ E% z* p# U% @, @: U# Z) w9 J: p8 I+ W0 t; P0 T
参与练习,提交作业。 8月份标志练习.rar (240.42 KB, 下载次数: 25)

评分

参与人数 2三维币 +520 收起 理由
kuangben8 + 20 鼓励参与。
2005llnn + 500 二等奖

查看全部评分

发表于 2025-8-18 11:56:55 | 显示全部楼层 来自: 中国天津
本帖最后由 2005llnn 于 2025-8-27 17:57 编辑 & H* K+ M8 G. o! H( P# n  a7 H
) U# X. s& p: J
交本月作业! 2025.08.rar (69.61 KB, 下载次数: 18)

评分

参与人数 1三维币 +20 收起 理由
kuangben8 + 20 鼓励参与。

查看全部评分

发表于 2025-8-19 21:10:09 | 显示全部楼层 来自: 中国江苏南通
本帖最后由 2005llnn 于 2025-8-27 18:00 编辑 % L: Q* L9 ]* D* h* ?' F% d+ Z
5 K8 o, |+ F: H9 m( j( e: J
2025.08作业 202508.rar (154.07 KB, 下载次数: 9)

评分

参与人数 2三维币 +520 收起 理由
kuangben8 + 20 鼓励参与。
2005llnn + 500 二等奖

查看全部评分

发表于 2025-8-19 21:38:45 | 显示全部楼层 来自: 中国湖南
本帖最后由 2005llnn 于 2025-8-27 18:02 编辑
: o5 r0 q+ x, ]: j/ ~* k
9 Y+ w' i6 }0 V  V5 c! o8 R9 k& q/ v1 k( T参与练习: 202508Lx.rar (132.42 KB, 下载次数: 28)

评分

参与人数 1三维币 +20 收起 理由
kuangben8 + 20 鼓励参与。

查看全部评分

发表于 2025-8-19 23:19:38 | 显示全部楼层 来自: 中国山东
本帖最后由 2005llnn 于 2025-8-27 18:05 编辑
2 F+ {+ ~# X6 o3 y9 a% q1 f( \2 K' u/ U
交作业
1 I. P/ n. i* P2 k8 }, S6 D9 J8 \ 202508.zip (74.62 KB, 下载次数: 13)

评分

参与人数 2三维币 +320 收起 理由
kuangben8 + 20 鼓励参与。
2005llnn + 300 上期一等奖获得者不参与抽奖。

查看全部评分

 楼主| 发表于 2025-8-24 21:24:34 | 显示全部楼层 来自: 中国广西贺州
由于网络问题,先确定抽奖名单。
+ O: i7 c( i1 ^3 r' J$ E$ P& a竞赛已结束,等待抽奖。                        ; c5 L: j$ l- z6 p/ j( b
楼层        用户名        抽奖号        备注
3 H; k8 b1 I0 v7 Y' w/ x3        spar         1        ( P# }+ z! j. w/ Z$ c9 L
4        TKG-09         2        6 u4 E+ u% f; v( S
5        林主0598        3        " K+ [: \6 T# Y8 J/ x7 Z
7        zhaozhihui        4       
* d& L. |& X+ d1 C4 {7 U- W8        凤九天        5       
7 n3 F! ]& W; [" a9        zhangwp         6        / q2 X2 T* s% r+ N
10        wupeiqi        7        1 y" `8 Y; c6 B/ x( c# T# }) A
11        gerald_lee        8        : q1 R4 \! \# v# O3 ]% c# C9 z
12        sh_mrhg        9        , ^" p1 c; d& ~0 M
13        gongwen0519        0       
3 F5 D- l1 r+ z% g) o& o; C14        塔山817         上期一等奖          ^; O3 |+ p: [
 楼主| 发表于 2025-8-24 22:53:46 | 显示全部楼层 来自: 中国广西贺州
竞赛已结束,等待抽奖。                       
; K. n" v+ _, R9 m+ L楼层        用户名        抽奖号        备注
8 {3 }, x  s2 y4 m( ?3        spar         1        接近完美4 k0 K* F- \2 h9 _( e
4        TKG-09         2        接近完美7 Y8 W4 w" \! |0 g' R+ P
5        林主0598        3        接近完美) I8 h) e" h+ e& }0 l3 c
7        zhaozhihui        4        左端尺寸40处圆弧标注不明
; j: [" {; A/ N5 S9 d4 i8        凤九天        5        接近完美2 z0 `7 Q( q) I( z# ?( \
9        zhangwp         6        左端尺寸100处不宜为直线
7 l) f' g- Y) E9 m, V0 W- Q+ t, Z10        wupeiqi        7        左端尺寸38处不宜为直线
$ L1 d5 t6 P9 r- a  N+ d11        gerald_lee        8        接近完美
8 W9 f. {3 T' Q; [12        sh_mrhg        9        左端尺寸28处不宜为直线
9 B7 \  Q$ Y; F1 b; s! D5 }% V13        gongwen0519        0        接近完美6 n/ e4 J- C  H$ {# l4 o" m
14        塔山817         上期一等奖        下端尺寸17处不宜为直线/ N2 R& ]2 z3 w; f
 楼主| 发表于 2025-8-24 23:26:42 | 显示全部楼层 来自: 中国广西贺州
8月24日七星彩开奖号码为3973656,第一位的3为本期一等奖中奖号码,第二位的9及第三位的7为本期二等奖中奖号码。1 M3 u5 C+ [& g3 L1 z7 \! C
恭喜会员林主0598获得一等奖,奖品为100元购物款,请与版主2005llnn通过论坛短消息联系领奖。: S+ g; ?  q- d% y& \. @6 U
恭喜会员sh_mrhg 及会员wupeiqi 获得二等奖,各获得500三维币。
发表于 2025-8-31 20:17:08 | 显示全部楼层 来自: 中国福建三明
收到奖品!很满意!!谢谢!!' V0 _' r" e. J& A
% o/ r, v  u. i
奖品.jpg
发表回复
您需要登录后才可以回帖 登录 | 注册

本版积分规则


Licensed Copyright © 2016-2020 http://www.3dportal.cn/ All Rights Reserved 京 ICP备13008828号

小黑屋|手机版|Archiver|三维网 ( 京ICP备2023026364号-1 )

快速回复 返回顶部 返回列表