QQ登录

只需一步,快速开始

登录 | 注册 | 找回密码

三维网

 找回密码
 注册

QQ登录

只需一步,快速开始

展开

通知     

查看: 11700|回复: 14
收起左侧

[推荐] CAD几何作图竞赛题(2025年10月),竞赛结果已公布。

 关闭 [复制链接]
发表于 2025-10-15 09:52:28 | 显示全部楼层 |阅读模式 来自: 中国
安装
主题分类用于问题归类:

马上注册,结识高手,享用更多资源,轻松玩转三维网社区。

您需要 登录 才可以下载或查看,没有帐号?注册

x
本帖最后由 2005llnn 于 2025-10-27 07:25 编辑
/ @: ?9 f$ ^  Y; |  }/ x  v% u; v3 j2 T1 d* u, L9 r0 D' y% j2 f' k
CAD设计标志2025105 q5 N) W  B3 {" g( _9 y3 M, g- n
本题目由会员2005llnn提供
, {% m# ~  O  R$ s2 N, X+ n% ]2 l, U$ X 202510.jpg
: H7 |9 a3 y+ L" S' d" W1 f( w* V) c6 {1 J4 C

- U( U- i- l" T( V1 d. n" \
: }9 e# P3 c$ k6 I5 \% G3 _
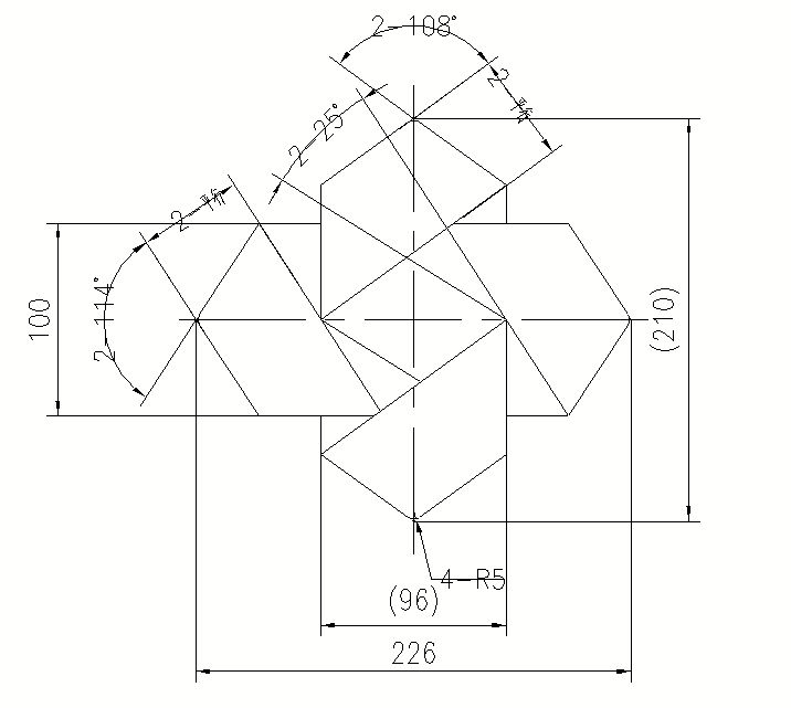
  i1 T) e3 q) r, D8 |) N设计该标志,要求尺寸100,作出dwg图,并标出完成图形所需尺寸标注
+ n  Y. e# V$ |4 w1 D8 q
" L. \7 @) D) W" s9 D8 O( Q
尺寸精度要求为整数。角度单位必须使用十进制度数,不得使用度/分/秒,百分度和弧度,精度也要求是整数。6 H) [$ A7 t8 [2 j0 f6 E* J: ?( m
参赛会员注意:图片及dwg格式的压缩文件以“附件”形式上传,不要点击“插入全部附件”,
8 o0 f8 g9 X2 b阅读权限设置为“最高权限”。
. f8 M" b9 C5 j+ S3 N+ w* J  x
答题请在本主题帖内发回复帖。

# m0 T# R( e0 }, Q* E, ?5 I& t5 [; t
( A2 y% L5 o. ~* e" L. [; k9 ~: y* b, d5 v
: y/ h; U/ K6 ^
 楼主| 发表于 2025-10-15 09:53:53 | 显示全部楼层 来自: 中国
本帖最后由 2005llnn 于 2025-10-23 12:49 编辑
% z0 m( W% X0 Z4 p# v5 F5 \0 |! i: ?8 N' j9 P+ b: i
一.竞赛题目:CAD设计标志202510; x% ]  g- o" g
设计该标志CAD几何作图题,要求尺寸100,作出dwg图,并标出完成图形所需尺寸标注。
' P; Y* ]2 z5 }4 }) `尺寸精度要求为整数。角度单位必须使用十进制度数,不得使用度/分/秒,百分度和弧度,精度也要求是整数。/ c0 d7 ]7 Y) f4 |7 i+ e
附件阅读权限定为最高权限。活动结束后由版主统一取消阅读权限。) c' P7 Q% X4 ?) Z- ?/ n  |/ m- Q6 Q
禁止会员利用马甲一起参赛。1 b  |, ~8 i3 p
1 l/ N7 m# _' r
二.竞赛要求' x/ p' S+ X- l" B7 c- a
除了AutoCAD区版主不能够参加竞赛,其它会员、技术团队成员、版主都可以参加竞赛,使用AutoCAD、CAXA或其他CAD软件,5 T. |/ u3 S0 @: u( k
在规定时间内将作出的图形截图为jpg附件或压缩包在本主题下跟帖发表,并提供dwg附件,
% s8 h; D/ s& ]$ w6 G# s9 Q' e7 i附件阅读权限定为最高权限。活动结束后由版主统一取消阅读权限。
' J# @+ k5 V' q+ S) b" s, I$ G
6 h  k9 O7 h, x" F1 ]/ h3 Z# L0 X. f3 l三.竞赛时间
' }5 A! A1 a9 K2025年10月15日至2025年10月22日。
6 \6 K; U% c: B; y% U1 Q/ ~2 C
. V. I8 W9 q' t- w四.评选时间及方法
) \1 B- ?; r1 s2025年10月23日-2025年10月25日,由三维网技术论坛CAD版块
) M* `3 ]/ @; M& }# b' a版主为评委,内部评选出各奖项。
) F; ?1 g" ~5 |4 s
/ [8 c  ?: C8 k7 k( e* `五.奖励6 N4 O$ y( J9 B, i3 _4 `, a9 k
1、一等奖:1名,奖励100元以内实物奖励,上一期中一等奖的会员不能够连续获一等奖;如果抽中一等奖,只能够改获2等奖。! D/ V8 O  z. t# i
2、二等奖:2名,各奖励500个三维币;, L& Q4 s; C/ `& ?1 ]+ u, Z  a7 i! _
3、作图基本符合要求者先各奖励20个三维币;- L$ m) S+ V: G5 }- z( b5 ]
4、如果评出11名优秀者,上期一等奖获得者不参与抽奖,可获得300三维币;0 T0 f2 s: b/ I, [, J+ m7 M4 u
5、如果评出11名以上优秀者,按发帖提交时间排名优先获得抽奖资格,排名较后的作图接近完美的会员可插队获得抽奖资格;
3 e3 a: m% s+ j3 s& G- b: K* [! l- p6、根据竞赛实际情况会对奖励规则进行适当修改。
% p, ]9 Q2 o* \1 ~% m1 n' g- V. h! g; |* x" E+ W) V7 M
六.其它8 f8 c- e" e1 _- ]1 m% I2 q) i
竞赛结束后在本帖发回复帖进行点评和讨论。
7 Q3 C5 s3 W0 h# e- E( x" s& a0 H
七.抽奖规则) |$ U. G. t- q% }; l
每期竞赛由本版区版主评出10名或10名以内优秀者参与抽奖,优秀者按发帖顺序进行从1开始顺序编号,$ n+ p( [# J0 }$ y
本期中奖号码按10月26日星期日开出的七星彩号码确定中奖者,七星彩左端第1位、第2位、第3位(各位不同号)为中奖号码,7 V) `, `7 s# L* o! K# D( s, a% Q
如果第1位号码没有符合中奖要求,就以七星彩号码第2位替代,以此类推。' S* ?6 M0 m' M& L8 O
如果本期七星彩号码不能够确定出全部中奖者,未确定的中奖者可通过下一期的七星彩号码继续确定。; w9 _1 r! B+ J- v1 z
第1位获奖者可得到100元以内实物奖励。第2位及第3位获奖者可各得到500个三维币。
! b: I/ Q9 O2 f" F! R/ i+ i' E上一期中一等奖的会员不能够连续获一等奖;如果抽中一等奖,只能够改获2等奖。一等奖由后一位中奖号所得。- l% ^8 y9 P- m/ Q
例如七星彩开奖号码为7665432。则7为第1位中奖号码,6为第2位中奖号码,5为第3位中奖号码。$ m( }& I- l% s( x, ?; `
如果一等奖中奖者在下一期竞赛开始前还没有办理领奖事宜,按弃奖处理。
& }- j) [1 O& V( a) T' F, Y! e/ v& e( U0 S! C
竞赛已结束,等待抽奖。
楼层用户名抽奖号备注
3塔山8171接近完美
4spar2图未完成
5林主05983接近完美
6凤九天4标注尺寸字体太小
7zhangwp5接近完美
8wupeiqi6接近完美
9gerald_lee7接近完美
10gongwen05198接近完美
11zhaozhihui9接近完美
12zh876252780不符合要求
2 S% b) p9 Q  u6 D

7 B& b" l+ w/ A$ Y4 F* x
发表于 2025-10-16 21:27:52 | 显示全部楼层 来自: 中国山东
本帖最后由 2005llnn 于 2025-10-23 12:29 编辑
1 l! J$ t* c' w2 u& Q# Q4 C1 H  L# [9 {3 {( T
交作业
& w0 R- L9 J7 o0 y" M& C" Q: k5 y6 |/ } 202510.zip (59.32 KB, 下载次数: 4)

评分

参与人数 1三维币 +20 收起 理由
kuangben8 + 20 鼓励参与。

查看全部评分

发表于 2025-10-17 22:45:30 | 显示全部楼层 来自: 中国四川南充
本帖最后由 2005llnn 于 2025-10-23 12:30 编辑 : A2 r; ], }4 `

$ V* J& q5 L0 Q! H4 x/ Q5 C2025年10月交作业1 R. T( I' k! S1 j: M
中国矿产标志.rar (92.24 KB, 下载次数: 6)

评分

参与人数 1三维币 +20 收起 理由
kuangben8 + 20 鼓励参与。

查看全部评分

发表于 2025-10-19 10:29:16 | 显示全部楼层 来自: 中国福建三明
本帖最后由 2005llnn 于 2025-10-23 12:43 编辑 # \1 g+ M7 W3 A+ B5 h9 x  M* o9 ]

3 ]/ l. U$ n4 _10月作图
' j" W& G0 A( Z# s- @$ y1 I: u 10月作图.rar (221.14 KB, 下载次数: 4)

评分

参与人数 1三维币 +20 收起 理由
kuangben8 + 20 鼓励参与。

查看全部评分

发表于 2025-10-19 20:51:54 | 显示全部楼层 来自: 中国山东
本帖最后由 2005llnn 于 2025-10-23 12:32 编辑
+ z( j- i( k3 p
9 P" G+ f3 P' o7 J交作业了6 [  N! L. }9 O, r9 a/ G
中国矿产标志.rar (223.6 KB, 下载次数: 4)

评分

参与人数 1三维币 +20 收起 理由
kuangben8 + 20 鼓励参与。

查看全部评分

发表于 2025-10-20 07:47:55 | 显示全部楼层 来自: 中国江苏苏州
本帖最后由 2005llnn 于 2025-10-23 12:33 编辑 8 G: u% ]! K3 F+ Y+ h7 q5 B
$ j% J$ A3 g7 ]( H
参与论坛活动。
. [% D1 S( n& c. l$ Y 2025.10作业.rar (46.32 KB, 下载次数: 4)

评分

参与人数 2三维币 +520 收起 理由
2005llnn + 500 二等奖
kuangben8 + 20 鼓励参与。

查看全部评分

发表于 2025-10-20 12:30:36 | 显示全部楼层 来自: 中国江苏
本帖最后由 2005llnn 于 2025-10-23 12:33 编辑
2 ?' ?% c9 r# [4 L# a' W$ E( G% a' p5 C8 V
参与练习(10月份)提交附件
9 h  C9 p* t# J7 p  w, }% ^ 10月份标志练习.rar (288.49 KB, 下载次数: 4)

评分

参与人数 2三维币 +520 收起 理由
2005llnn + 500 二等奖
kuangben8 + 20 鼓励参与。

查看全部评分

发表于 2025-10-20 16:08:04 | 显示全部楼层 来自: 中国天津
本帖最后由 2005llnn 于 2025-10-23 12:34 编辑
. Q$ X3 z3 D6 W/ v. P' W
; [8 d0 j! M) `" ?& e, }交本月作业!, i# o, z2 `3 j' M) Y$ S- E
2025.10.rar (58.18 KB, 下载次数: 4)

评分

参与人数 1三维币 +20 收起 理由
kuangben8 + 20 鼓励参与。

查看全部评分

发表于 2025-10-20 22:48:34 | 显示全部楼层 来自: 中国湖南
本帖最后由 2005llnn 于 2025-10-23 12:34 编辑
4 L7 X. I' G5 N4 [8 h! U: l+ g" ?( q
参与练习;
, s) M2 \- m; z! r& f) ~7 V! \- O0 q5 F/ F! t
202510LX.rar (184.45 KB, 下载次数: 4)

点评

恭喜获得一等奖!  发表于 2025-10-27 07:22

评分

参与人数 1三维币 +20 收起 理由
kuangben8 + 20 鼓励参与。

查看全部评分

发表于 2025-10-21 09:57:25 | 显示全部楼层 来自: 中国北京
本帖最后由 2005llnn 于 2025-10-23 12:35 编辑 3 W+ s2 z+ g/ X3 X: T# i2 f

' I0 W! q% ~/ f- d+ u6 T交作业:9 X# o! X2 V/ L1 ~% ?# p9 D2 D5 }
CAD几何作图竞赛题(2025年10月).rar (40.62 KB, 下载次数: 6)

评分

参与人数 1三维币 +20 收起 理由
kuangben8 + 20 鼓励参与。

查看全部评分

发表于 2025-10-22 22:49:40 | 显示全部楼层 来自: 中国上海
本帖最后由 2005llnn 于 2025-10-23 12:37 编辑 5 o3 A8 d  n% N) V# M6 b* A
: `2 }, L; T& s; H* `, A
练习中: m  a) G+ i% r1 {# K* B/ c: s6 {. e
练习.png (173.04 KB, 下载次数: 0)

评分

参与人数 1三维币 +20 收起 理由
kuangben8 + 20 鼓励参与。

查看全部评分

 楼主| 发表于 2025-10-27 07:21:46 | 显示全部楼层 来自: 中国
10月26日七星彩开奖号码为8065797,开奖号码第一位的8为本期一等奖中奖号码,
0 P. c- r$ Y) {  M开奖号码第三位的6及第四位的5为本期二等奖中奖号码。7 R' c# u3 {* |% T
恭喜会员gongwen0519 获得一等奖,奖品为100元购物款,请与版主2005llnn通过论坛短消息联系领奖。* d$ p: \' }6 v, c; ~
恭喜会员wupeiqi及会员zhangwp 获得二等奖,各获得500三维币。; T" Z8 y& W3 [  I) ]# C
1026.jpg * L, ?. w. ~( s

' S+ b3 p" u5 x9 P/ x) f4 }( }1 E- K
发表于 2025-11-3 21:14:25 | 显示全部楼层 来自: 中国湖南
礼品收到,谢谢论坛、谢谢版主。
( n9 j4 D$ ~8 k1 H) q9 y7 M 20251103202550.jpg
; u6 \% I% r4 `4 ]' _5 T+ D
发表回复
您需要登录后才可以回帖 登录 | 注册

本版积分规则


Licensed Copyright © 2016-2020 http://www.3dportal.cn/ All Rights Reserved 京 ICP备13008828号

小黑屋|手机版|Archiver|三维网 ( 京ICP备2023026364号-1 )

快速回复 返回顶部 返回列表