QQ登录

只需一步,快速开始

登录 | 注册 | 找回密码

三维网

 找回密码
 注册

QQ登录

只需一步,快速开始

展开

通知     

查看: 41139|回复: 15
收起左侧

[推荐] CAD几何作图竞赛题(2025年12月),竞赛结果已公布。

 关闭 [复制链接]
发表于 2025-12-17 11:29:59 | 显示全部楼层 |阅读模式 来自: 中国广西南宁
安装
主题分类用于问题归类:

马上注册,结识高手,享用更多资源,轻松玩转三维网社区。

您需要 登录 才可以下载或查看,没有帐号?注册

x
本帖最后由 2005llnn 于 2025-12-28 23:20 编辑 + n; m7 w, r. N4 b+ }/ h% l3 \( g
% p9 \( e- h! b0 [
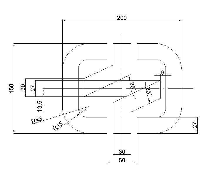
CAD设计标志202512
6 B$ v8 s) G) o本题目由会员2005llnn提供
; k: |+ ?9 W/ s, G5 m" T7 X0 d 202512.jpg
7 O4 a2 i4 H9 c, T% Y4 w3 c& w
# o% ?, p/ P+ `2 l' z设计该标志,要求尺寸200,作出dwg图,并标出完成图形所需尺寸标注
: g( B3 y* Y- a: U* b$ t/ }2 X: |
尺寸精度要求为整数。角度单位必须使用十进制度数,不得使用度/分/秒,百分度和弧度,精度也要求是整数。9 q; V+ a! {4 B2 n- I' A
参赛会员注意:图片及dwg格式的压缩文件以“附件”形式上传,不要点击“插入全部附件”,
( x3 g& Q; x& q; ?* d阅读权限设置为“最高权限”。
- ~* f# V! ~0 p& a
答题请在本主题帖内发回复帖。
 楼主| 发表于 2025-12-17 11:32:21 | 显示全部楼层 来自: 中国广西南宁
本帖最后由 2005llnn 于 2025-12-25 10:33 编辑
* W0 _1 M- T3 |
: c/ C) ]2 F+ h  \' J+ e一.竞赛题目:CAD设计标志202512% l! c2 Y* H0 |( k0 n
设计该标志CAD几何作图题,要求尺寸200,作出dwg图,并标出完成图形所需尺寸标注。
2 w8 ~3 n% ~' p( \- v9 l尺寸精度要求为整数。角度单位必须使用十进制度数,不得使用度/分/秒,百分度和弧度,精度也要求是整数。$ `( b* l7 v# q- b$ W4 c
附件阅读权限定为最高权限。活动结束后由版主统一取消阅读权限。9 J* G$ ], p( T7 b* t
禁止会员利用马甲一起参赛。
& f5 f9 _' {  u/ m6 E" m. a" C& N+ }% ~. I
二.竞赛要求
, K( I" s3 n+ d# `$ I除了AutoCAD区版主不能够参加竞赛,其它会员、技术团队成员、版主都可以参加竞赛,使用AutoCAD、CAXA或其他CAD软件,' r( G6 p$ L$ t  [( v! S8 ^( |
在规定时间内将作出的图形截图为jpg附件或压缩包在本主题下跟帖发表,并提供dwg附件,
! K- f/ p0 F6 N附件阅读权限定为最高权限。活动结束后由版主统一取消阅读权限。
( X" C) z: w8 o& t. f* c
& u2 E% Y" ?0 ?1 ?/ k6 p三.竞赛时间
6 X# R+ ]  {7 C& c+ i$ c2 ?' `+ j2025年12月17日至2025年12月24日。
, h' _4 p6 J6 g- P( T, S& h# }( t, M2 n$ |3 ]8 ]% k
四.评选时间及方法9 {: g4 T, |' o! Q
2025年12月25日-2025年12月27日,由三维网技术论坛CAD版块8 ~  T& F$ [7 P) ^8 K2 x5 f
版主为评委,内部评选出各奖项。1 ^1 B: Z& G4 E7 A% C

6 {6 F/ z1 n  Q8 x- k2 F五.奖励
4 Y  v! ?- m: I) l1、一等奖:1名,奖励100元以内实物奖励,上一期中一等奖的会员不能够连续获一等奖;如果抽中一等奖,只能够改获2等奖。" Z, \% j* i  M6 l
2、二等奖:2名,各奖励500个三维币;
, }, e; k: |! y, e+ }3、作图基本符合要求者先各奖励20个三维币;
  z/ K- u6 R4 l( w% o+ J7 h+ C4、如果评出11名优秀者,上期一等奖获得者不参与抽奖,可获得300三维币;
' v; [- B2 M$ D* j& e  x+ u5、如果评出11名以上优秀者,按发帖提交时间排名优先获得抽奖资格,排名较后的作图接近完美的会员可插队获得抽奖资格;' y6 f$ `. W/ B  l# A
6、根据竞赛实际情况会对奖励规则进行适当修改。
5 @1 V" Z, Z) J
- C3 s% N, q  k/ [3 G2 w六.其它
/ L3 O0 Y7 r$ R" H0 g8 J& F/ A竞赛结束后在本帖发回复帖进行点评和讨论。# x8 Z( L/ w( \( }
0 N0 m/ |  K& P6 n  S7 S4 H* M
七.抽奖规则% N7 H* g& u" _6 Q$ ?; M/ K9 u$ A  `
每期竞赛由本版区版主评出10名或10名以内优秀者参与抽奖,优秀者按发帖顺序进行从1开始顺序编号,
: j8 j8 M5 M) Q0 v# y本期中奖号码按12月28日星期日开出的七星彩号码确定中奖者,七星彩左端第1位、第2位、第3位(各位不同号)为中奖号码,! S2 `! p. P( f- y5 C, b$ x
如果第1位号码没有符合中奖要求,就以七星彩号码第2位替代,以此类推。9 p7 J5 U9 N7 k. g8 d* l$ ^+ @( B
如果本期七星彩号码不能够确定出全部中奖者,未确定的中奖者可通过下一期的七星彩号码继续确定。% ^1 l1 R* f8 |8 v0 U/ I
第1位获奖者可得到100元以内实物奖励。第2位及第3位获奖者可各得到500个三维币。
3 Q, A& W% u7 P& p; O上一期中一等奖的会员不能够连续获一等奖;如果抽中一等奖,只能够改获2等奖。一等奖由后一位中奖号所得。) m7 K5 V% A* c  N
例如七星彩开奖号码为7665432。则7为第1位中奖号码,6为第2位中奖号码,5为第3位中奖号码。
% J! [( j4 j0 y: j如果一等奖中奖者在下一期竞赛开始前还没有办理领奖事宜,按弃奖处理。5 k/ T( V1 ?6 _2 p* ]0 ?- Z3 ?

! T; Y" B6 L6 O8 c( O
竞赛已结束,等待抽奖。 
楼层用户名抽奖号备注
3o1ojacko1o1尺寸标注不全
4gerald_lee2斜线角度应相同
5TKG-093接近完美
6gongwen05194接近完美
7zhaozhihui上期一等奖尺寸标注不全
8塔山8175尺寸标注不全
9wupeiqi6斜线角度应相同
10sh_mrhg7接近完美
11zhangwp8接近完美
12spar9斜线角度应相同
13林主05980接近完美
6 F4 ]2 y" h$ K, X; y9 e1 B8 s7 H
发表于 2025-12-17 12:03:39 | 显示全部楼层 来自: 中国山东潍坊
本帖最后由 2005llnn 于 2025-12-25 10:23 编辑   ?) h* N: B) n: C9 ~0 a* z

: ~0 f+ n$ Z4 f& O% q% e  X+ }沙发
" Z! c( S8 b  H: y% t, e! J( ?& d o1ojacko1o.rar (38.66 KB, 下载次数: 4)

评分

参与人数 1三维币 +20 收起 理由
kuangben8 + 20 鼓励参与。

查看全部评分

发表于 2025-12-17 14:15:41 | 显示全部楼层 来自: 中国天津
本帖最后由 2005llnn 于 2025-12-25 10:24 编辑 . v) j" ~2 d# J" Z
# W/ J7 n9 |+ W: }- \, @: D
交本月作业!% I( |2 E$ @, Q* B" e# v
2025.12.rar (59.06 KB, 下载次数: 4)

评分

参与人数 1三维币 +20 收起 理由
kuangben8 + 20 鼓励参与。

查看全部评分

发表于 2025-12-17 16:12:31 | 显示全部楼层 来自: 中国湖南
本帖最后由 2005llnn 于 2025-12-25 10:24 编辑 " n; u4 o( F- J; o9 w$ T2 }# _

4 Z+ O+ f. ?6 V8 N# _/ G! m# M2025 12 作业 。9 Z  O# ]* f+ @: _+ O" F
2025.12 作业.jpg & k( N( D$ l; w' B, P
9 ?. t. m& n& R$ q+ Q& ?
" N: ]' m1 k' V
中国核建.zip (30.88 KB, 下载次数: 7)

评分

参与人数 2三维币 +520 收起 理由
2005llnn + 500 二等奖
kuangben8 + 20 鼓励参与。

查看全部评分

发表于 2025-12-17 19:50:47 | 显示全部楼层 来自: 中国湖南
本帖最后由 2005llnn 于 2025-12-25 10:25 编辑
* o6 K( r) \7 y9 D& c# ^& V# D
& r2 z0 X" ?$ T7 I! N4 {1 G. y参与练习:
1 t! c( }4 [5 U: P, K' _  r 202512da.rar (111.38 KB, 下载次数: 4)

评分

参与人数 1三维币 +20 收起 理由
kuangben8 + 20 鼓励参与。

查看全部评分

发表于 2025-12-18 11:38:03 | 显示全部楼层 来自: 中国北京
本帖最后由 2005llnn 于 2025-12-25 10:26 编辑 ! ~& X7 r+ k2 J5 e# l1 D
2 @  C3 o( |* L+ B4 R
交作业:' i9 R  l: S4 q0 Q7 U9 p' O/ @
CAD几何作图竞赛题(2025年12月).rar (65.91 KB, 下载次数: 4)

评分

参与人数 2三维币 +320 收起 理由
2005llnn + 300 上期一等奖获得者不参与抽奖。
kuangben8 + 20 鼓励参与。

查看全部评分

发表于 2025-12-18 21:01:51 | 显示全部楼层 来自: 中国山东
本帖最后由 2005llnn 于 2025-12-25 10:26 编辑 ) }3 C/ O3 p" _2 w8 v. c0 S+ y
; o0 C0 U0 Y! v& ~+ E/ o  v' f$ X
交作业
( w& L6 W# ?) R) K- d 202512.zip (51.65 KB, 下载次数: 4)

评分

参与人数 2三维币 +520 收起 理由
2005llnn + 500 二等奖
kuangben8 + 20 鼓励参与。

查看全部评分

发表于 2025-12-19 08:59:01 | 显示全部楼层 来自: 中国江苏苏州
本帖最后由 2005llnn 于 2025-12-25 10:27 编辑 ; Z# |. k1 g& ]! M
( W) |  W6 i5 ~/ I; Z8 R0 s
参与练习,提交作业。
2 G7 S! U! T% S  C  q3 `
) @- L, u, Q9 j" i: o 12月份-中国核建标志-练习.rar (358.18 KB, 下载次数: 4)

评分

参与人数 1三维币 +20 收起 理由
kuangben8 + 20 鼓励参与。

查看全部评分

发表于 2025-12-21 15:53:42 | 显示全部楼层 来自: 中国江苏南通
本帖最后由 2005llnn 于 2025-12-25 10:27 编辑
* ?' c4 F0 W/ |4 O* ?, M/ p5 o5 g
2025.12交作业5 W( I. Q! p/ n+ A2 D
202512.rar (146.45 KB, 下载次数: 4)

评分

参与人数 1三维币 +20 收起 理由
kuangben8 + 20 鼓励参与。

查看全部评分

发表于 2025-12-22 08:40:32 | 显示全部楼层 来自: 中国江苏苏州
本帖最后由 2005llnn 于 2025-12-25 10:28 编辑 $ ]7 k- R- ^  L6 R5 B0 {/ f
" f+ ]; H. p4 s; M
积极参加论坛活动。
" B. H- c' K" X8 j  P! B8 h 2025.12作业.rar (213.54 KB, 下载次数: 4)

点评

恭喜获得一等奖!  发表于 2025-12-28 23:17

评分

参与人数 1三维币 +20 收起 理由
kuangben8 + 20 鼓励参与。

查看全部评分

发表于 2025-12-22 15:29:48 | 显示全部楼层 来自: 中国四川成都
本帖最后由 2005llnn 于 2025-12-25 10:29 编辑 ( e! f; u4 ]8 Q

! g% J" t8 ^# b2025年12月,交作业/ ~1 T. ?4 w# `+ X4 O
中国核建标志.png
; Y% R2 Z: A1 j+ O  U  d) c' j$ Y0 l; n/ \. j" ~8 C  W8 E/ J- u

  }4 q& X0 Z; A6 x$ l/ [( E% u 中国核建标志.rar (115.07 KB, 下载次数: 4)

评分

参与人数 1三维币 +20 收起 理由
kuangben8 + 20 鼓励参与。

查看全部评分

发表于 2025-12-23 18:44:21 | 显示全部楼层 来自: 中国福建三明
本帖最后由 2005llnn 于 2025-12-25 10:31 编辑
. W5 q: {* |6 ]" ~# D, x& q" ]% c! j3 w
2005llnn 发表于 2025-12-17 11:32
/ ?! x. N6 v- q- n* W3 ^一.竞赛题目:CAD设计标志2025121 h( j0 W/ Y( i
设计该标志CAD几何作图题,要求尺寸200,作出dwg图,并标出完成图形所需 ...

: p# G8 P3 X8 Z" U3 j3 c7 t/ ?, y' i12月作图! u  ?; a1 z9 ~- d7 T) A; V8 E
12月作图.rar (98.13 KB, 下载次数: 4)

评分

参与人数 1三维币 +20 收起 理由
kuangben8 + 20 鼓励参与。

查看全部评分

 楼主| 发表于 2025-12-28 23:16:00 | 显示全部楼层 来自: 中国
12月28日七星彩开奖号码为8531871,开奖号码第一位的8为本期一等奖中奖号码,( N) \* Y9 g6 v
开奖号码第二位的5及第三位的3为本期二等奖中奖号码。+ h$ W3 [) z1 P0 d5 I$ c
恭喜会员zhangwp获得一等奖,奖品为100元购物款,请与版主2005llnn通过论坛短消息联系领奖。/ }! A& o! K# v
恭喜会员塔山817及会员TKG-09获得二等奖,各获得500三维币。9 `' f, A2 r) D& w4 X
12-28.jpg . L* _$ O8 H# X0 w" a8 F
( ~  s" L' Y! Q) ^

4 @+ G8 u) ?- w( z7 P
, i& z' T  r  g' B' v- h# l3 i: B. V; t+ b+ e5 M4 E& D
发表于 2026-1-12 11:14:49 | 显示全部楼层 来自: 中国江苏苏州
有幸此次获奖。感谢论坛,感谢版主的操办。5 U6 W% h. X7 P6 c$ k
图片.jpg
发表回复
您需要登录后才可以回帖 登录 | 注册

本版积分规则


Licensed Copyright © 2016-2020 http://www.3dportal.cn/ All Rights Reserved 京 ICP备13008828号

小黑屋|手机版|Archiver|三维网 ( 京ICP备2023026364号-1 )

快速回复 返回顶部 返回列表