QQ登录

只需一步,快速开始

登录 | 注册 | 找回密码

三维网

 找回密码
 注册

QQ登录

只需一步,快速开始

展开

通知     

查看: 3112|回复: 18
收起左侧

[讨论结束] 一件值得讨论的零件的加工

[复制链接]
发表于 2006-11-12 17:59:17 | 显示全部楼层 |阅读模式 来自: 中国江苏南通

马上注册,结识高手,享用更多资源,轻松玩转三维网社区。

您需要 登录 才可以下载或查看,没有帐号?注册

x
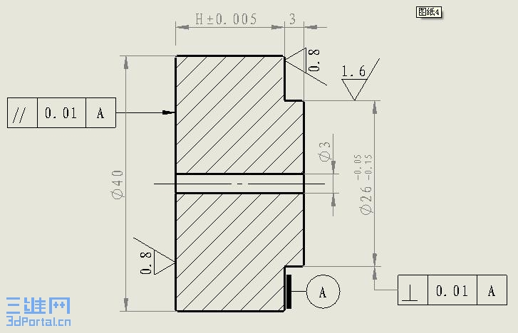
此件材料为CrWMn,成品硬度为HRC56-59
3 y  c, ]6 Q1 p. @0 z" D  j0 t要求20件同样的零件,H值等高
+ c0 r' _2 F9 w* m: [4 b3 m不知如何加工保证H值等高,且保证平行度要求

零件图形

零件图形
发表于 2006-11-12 19:29:21 | 显示全部楼层 来自: 中国安徽淮北
我认为只有用数控中心才能加工到这么精确.
发表于 2006-11-12 20:43:53 | 显示全部楼层 来自: 中国吉林长春
楼主自己的看法呢?我觉得轴向比较麻烦,同意楼上的看法。
发表于 2006-11-12 21:23:59 | 显示全部楼层 来自: 中国山东德州
做个工装,以A面以及φ26为基准定位,在平面磨上加工,应该可以达到要求吧。
发表于 2006-11-13 13:23:32 | 显示全部楼层 来自: 日本
再怎么样2个面都要磨的,所以建议在热处理后使用数控磨床一次磨2各面
发表于 2006-11-13 13:50:34 | 显示全部楼层 来自: 中国北京
多个工件放在加工中心上一起加工,多工位实验一下
发表于 2006-11-13 14:15:18 | 显示全部楼层 来自: 中国广东深圳
孔的要求不是太高,关键是外圆,还有位置公差,这些要求比较高,人工的话要上8级技工了,用加工中心型对简单多了。
发表于 2006-11-13 17:26:32 | 显示全部楼层 来自: 中国四川内江
引用
4 m3 J. u3 ?# J2 ~  j! p, i$ l做个工装,以A面以及φ26为基准定位,在平面磨上加工,应该可以达到要求吧。
$ d: n( ?( ]" _& W20件一次装夹加工完成!2 J4 N$ M+ g& F/ P0 F/ }- f
应该没问题吧!
发表于 2006-11-13 20:54:14 | 显示全部楼层 来自: 中国贵州贵阳
硬度是多少?材料是什么?如果硬度适中,材料是常用钢材,垂直度和基准A可以一次定位加工保证,然后做一工装,以基准A支靠,在平面磨床上磨另一平面,保证起来是比较容易的。
 楼主| 发表于 2006-11-24 10:31:14 | 显示全部楼层 来自: 中国江苏南通
做个工装,以A面以及φ26为基准定位,在平面磨上加工,应该可以达到要求吧。
  y* X! B2 l' J. |- d20件一次装夹加工完成!
( H; C+ D3 O$ T$ \/ o; |应该没问题吧!
, k+ o$ f  M* Y' i( _$ Y我们也是这样想的,可是这个工装怎做呢?没法固定啊
发表于 2006-11-24 13:26:28 | 显示全部楼层 来自: 中国山东德州
磨床床身不是有磁性嘛?用磁力来固定就可以吧(还加上有止口,应该飞不出去吧<小心些,飞出去也没人负责^-^>)?
- J: x. H) v) C9 ]! K或者,把φ26的长度做长一些,起导向固定作用,磨完后再车至尺寸;7 N( _/ U& @! C
再不行,好象就只能侧向顶紧φ40的外圆了……批量小的话实在不划算,找有加工中心的地外加工算了。
发表于 2006-11-24 13:27:51 | 显示全部楼层 来自: 中国上海
原帖由 havcy 于 2006-11-24 10:31 发表
# g6 ~4 ~. s% z2 V% Z# P做个工装,以A面以及φ26为基准定位,在平面磨上加工,应该可以达到要求吧。
$ ^, V% |: i) ?, x" ^5 S5 S20件一次装夹加工完成!
2 G, X/ A4 m( ?$ f. N9 o应该没问题吧!
: ^0 g' T$ [; \( t0 B" D我们也是这样想的,可是这个工装怎做呢?没法固定啊

  L; _3 A2 l, _- w- e- F0 H( J3 A; v8 q" O4 |9 Z
这个工装其实很简单的,就是一块平板(厚度大于3mm),打出20-φ26孔,在平面磨床上两面磨,使平板本身的两面平行度很好,然后把工件有孔的一面(就是A基准)放在平板上,让平面磨床一次磨出20个零件的另外一面,就可以使H相同了。* o0 f$ c4 }4 |
平面磨床是磁性吸住工件的,不用夹紧。, g8 G- s% [& K4 ?
/ {8 n7 @4 m+ ?# x4 n. j6 X
[ 本帖最后由 lhf999 于 2006-11-24 13:29 编辑 ]
发表于 2006-11-24 17:05:51 | 显示全部楼层 来自: 中国天津
用普通机床加工难度太大~可以说很难实现~建议用数控批量加工~
发表于 2006-11-26 15:19:41 | 显示全部楼层 来自: 中国河北沧州
同意12楼意见,20个面一次加工磨成即可
发表于 2006-11-26 19:19:10 | 显示全部楼层 来自: 中国重庆
一直径26    做一个孔定位的夹具   然后平磨底面
发表于 2006-12-24 14:58:13 | 显示全部楼层 来自: 中国吉林四平
台肩处光洁度不太好达到,请问用什么方法能达到
发表于 2006-12-24 20:52:00 | 显示全部楼层 来自: 中国湖北
可以这样加工:% y6 T$ U& k# C( \
   1.淬火后用外圆磨磨台肩面达Ra0.8;
* y$ S$ p. G9 `( S2 P   2.为平面磨床做一个延磁块,延磁块上面应有20个Φ26的孔,把Φ26的外圆放入孔中,吸牢磨削过的平面,磨另一端面,就能满足要求。5 T- c* Z& Q7 v  m9 W
   3.做延磁块是有必要的,因为钢材做的平磨用工装不能延续磁力,吸不牢的。
发表于 2010-1-17 10:29:39 | 显示全部楼层 来自: 中国江苏苏州
很难做到完全一样,总有误差,那怕很小很小。
发表于 2010-1-19 15:20:52 | 显示全部楼层 来自: 中国江苏南京
很多设计上的要求很过分 但是其实是 无意义的
发表回复
您需要登录后才可以回帖 登录 | 注册

本版积分规则


Licensed Copyright © 2016-2020 http://www.3dportal.cn/ All Rights Reserved 京 ICP备13008828号

小黑屋|手机版|Archiver|三维网 ( 京ICP备2023026364号-1 )

快速回复 返回顶部 返回列表