QQ登录

只需一步,快速开始

登录 | 注册 | 找回密码

三维网

 找回密码
 注册

QQ登录

只需一步,快速开始

展开

通知     

查看: 3166|回复: 19
收起左侧

[已解决] UG4.0工程图中如何剖已存视图???(附图)

[复制链接]
发表于 2006-12-4 14:39:52 | 显示全部楼层 |阅读模式 来自: 中国广东广州

马上注册,结识高手,享用更多资源,轻松玩转三维网社区。

您需要 登录 才可以下载或查看,没有帐号?注册

x
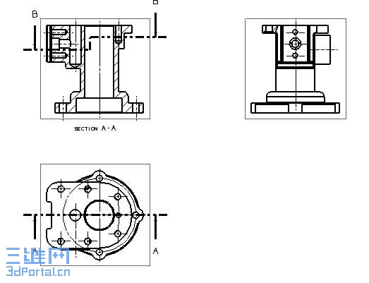
UG2.0中就很容易在已经存在的视图中创建剖视图,4.0我研究了好久阿,看了几本书也没有说清楚。我要得到的效果就是在俯视图做一次剖图,如图片右下角所视。不知道我说明白没有,希望各位大大出手。
2.JPG
 楼主| 发表于 2006-12-4 18:29:43 | 显示全部楼层 来自: 中国广东广州
有没有人回答一下阿,是不是问题太菜了。
发表于 2006-12-4 18:54:16 | 显示全部楼层 来自: 中国天津
一直用的都是2.0 没用过4.0
. K3 x0 L! Y- J那你就先添加一个主视图,在主视图上向上刨切 试试啊
 楼主| 发表于 2006-12-4 19:06:39 | 显示全部楼层 来自: 中国广东广州
3楼的结果是会重新在生成一个视图阿,还是不能在原有视图生成。
发表于 2006-12-4 19:25:49 | 显示全部楼层 来自: 中国天津
有在原有视图上生成剖视图的吗 我还真不知道* ]4 s: C( r- l5 |* J2 @$ z
把没有用的试图移动到其他图纸中不就完了
发表于 2006-12-4 19:28:02 | 显示全部楼层 来自: 中国江苏常州
把你的prt放上来试试。
 楼主| 发表于 2006-12-4 19:47:38 | 显示全部楼层 来自: 中国广东广州

好的,附上我的PART

大家看一下吧,希望有答案。

45.rar

170.42 KB, 下载次数: 8

 楼主| 发表于 2006-12-4 19:54:09 | 显示全部楼层 来自: 中国广东广州

不知道大家明白我的问题没有

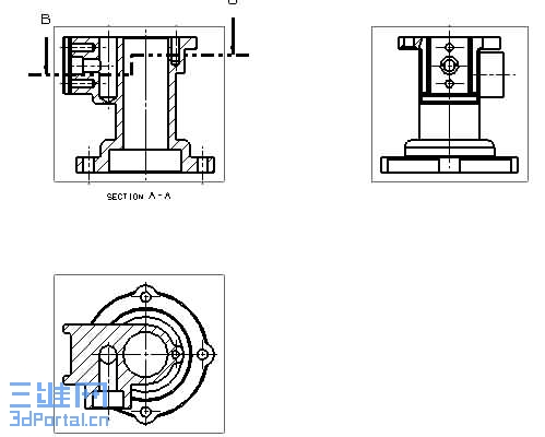
我做到这一步的时候(如图1)想在俯视图再做一次剖,剖成如图2所示,但是截面线A-A还在的,这个图2是我其它方法搞成这样的。(UG2.0的做法很简单,直接在菜单里选择剖已存视图)
11.JPG
22.JPG
发表于 2006-12-4 22:18:31 | 显示全部楼层 来自: 中国江苏常州
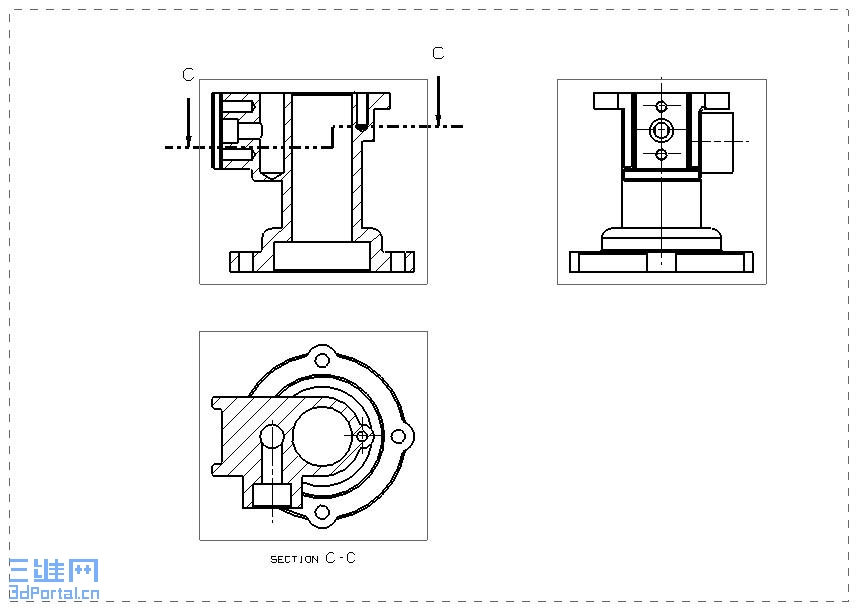
是要求这样的么。
Snap1.jpg

评分

参与人数 1三维币 +2 收起 理由
342539436 + 2 应助

查看全部评分

发表于 2006-12-4 22:38:49 | 显示全部楼层 来自: 中国四川乐山
说得有道理。。。。。。
 楼主| 发表于 2006-12-4 22:42:04 | 显示全部楼层 来自: 中国广东广州
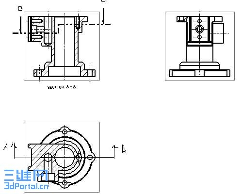
9楼的还不行阿,我之前已经说得很明白了,俯视图还要有主视图的剖面的截面线阿。呵呵,应该像下面那个图一样,这才是我想要的。6 g: V' @1 K1 A  A: ?) Y- g# i
5 x& H- _! \8 a' M
[ 本帖最后由 liyaowei8541 于 2006-12-4 22:45 编辑 ]
22.JPG
发表于 2006-12-5 23:47:08 | 显示全部楼层 来自: 中国广东广州
nx4的这种剖视图有点问题
发表于 2006-12-6 20:12:27 | 显示全部楼层 来自: 中国江苏常州
原来是要这样的结果啊。
Snap2.jpg
头像被屏蔽
发表于 2006-12-6 20:46:52 | 显示全部楼层 来自: 中国浙江杭州
提示: 作者被禁止或删除 内容自动屏蔽
 楼主| 发表于 2006-12-7 17:23:46 | 显示全部楼层 来自: 中国广东广州
13楼的老大做出来了,但是没有说在4.0是怎么做的,希望赐教!
发表于 2006-12-7 18:00:48 | 显示全部楼层 来自: 中国浙江宁波
大家    想的  太麻烦了  把   不就  画图纸  吗
 楼主| 发表于 2006-12-7 22:25:13 | 显示全部楼层 来自: 中国广东广州
16楼的兄弟如果有好方法就说出来啦。
发表于 2006-12-8 09:22:45 | 显示全部楼层 来自: 中国浙江台州
4.0版还没试过
发表于 2007-5-30 21:03:36 | 显示全部楼层 来自: 中国辽宁沈阳
知道的朋友分享一下啊,我也好想知道在NX4.0中如何实现??
发表于 2012-5-17 11:59:14 | 显示全部楼层 来自: 中国江苏常州
本帖最后由 dong114072276 于 2012-5-17 12:00 编辑
& F7 O# q* B( [( q/ F$ H' `4 V9 n4 C
6 |: Y' L9 u1 ?/ L& r7 m$ u晕,MANAM慢慢慢慢来!!!!!!!!
发表回复
您需要登录后才可以回帖 登录 | 注册

本版积分规则


Licensed Copyright © 2016-2020 http://www.3dportal.cn/ All Rights Reserved 京 ICP备13008828号

小黑屋|手机版|Archiver|三维网 ( 京ICP备2023026364号-1 )

快速回复 返回顶部 返回列表