QQ登录

只需一步,快速开始

登录 | 注册 | 找回密码

三维网

 找回密码
 注册

QQ登录

只需一步,快速开始

展开

通知     

查看: 3964|回复: 8
收起左侧

[已解决] 弹簧的检测标准

[复制链接]
发表于 2006-12-27 11:33:46 | 显示全部楼层 |阅读模式 来自: 中国广东佛山

马上注册,结识高手,享用更多资源,轻松玩转三维网社区。

您需要 登录 才可以下载或查看,没有帐号?注册

x
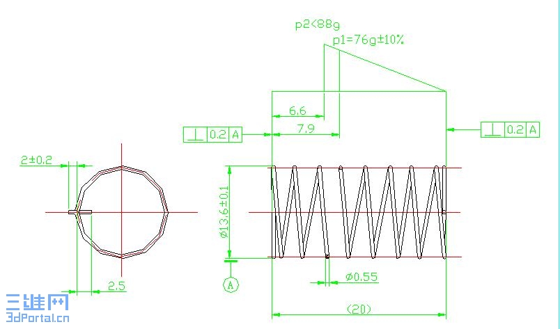
现在我们公司有个产品的弹簧被我们供应商做出来后,长度不够(本来20 ,做到17 ),线径也不够差0.05(要求Φ0.55)  
% h8 ?+ X* h$ r/ n& W
6 @7 y7 G- ]5 F3 _' b: H# v. O但是弹力是合格的  ,我想问问   到底弹簧的那些参数是非常重要的% N, w: v5 [& m0 I. x

3 w$ D0 T' ?9 _7 y这批弹簧我们收不收?
3 w8 Q! N# t6 A
: F3 U+ e6 j4 Q下面是弹簧的设计文件,请大家看看合不合理

8 v, O+ |* F$ j! D% K# S" \/ k, Y
8 Q% @- b" Z& h2 v- j6 }4 h- \还有那位兄弟有弹簧最新的国家标准  能不能共享  谢谢5 _! x( m" k) \5 z9 R
: b- y0 _- `+ r' O: Y( b, f% @9 k
. N! l. n3 W1 b4 ^2 ?1 _* C; g
补上技术要求:
3 F/ D9 e/ Y# q  k9 ~! L1.有效圈数: n=8
7 N8 Z$ n  ^; i  `0 V* m, O7 r2.总 圈 数: n=10

# M- A5 w$ @2 J: K7 ^% ?. u: A3.两端并圈数1圈
) i9 q, h3 q) A4 z* A4.允许调整节距来保证力性指标1 I( d( H- Z1 q3 }0 l1 ?
5.制件工作寿命50万次以上
" x$ L. E- t7 W

; P" d. Y" l5 Q% o* `7 K0 ]& i[ 本帖最后由 2374 于 2007-1-1 09:32 编辑 ]
1.JPG
发表于 2006-12-27 15:14:33 | 显示全部楼层 来自: 中国上海
不知道你说的弹力合格应该怎么理解。假如设计上要压缩2mm,要求力是10N,现在初始高度就短了3mm,能达到要求吗?当然符合了图纸上的规定的压力要求,可以请设计师考虑一下代用。' i9 }% M* Y* K8 [( y& o# b

, g# _- c- i) U' P' O0 V
1 Q7 ]9 w. V# N  r8 U7 v) ?9 |% r螺旋弹簧的标准有下面一些:
& e0 ^0 U$ c0 u9 W( g) HGB/T 1239.1-1989 冷卷圆柱螺旋拉伸弹簧技术条件0 S: \$ @. l7 V; G# D7 q
GB/T 1239.2-1989 冷卷圆柱螺旋压缩弹簧技术条件
& y% W9 K7 N3 {& J. yGB/T 1239.3-1989 冷卷圆柱螺旋扭转弹簧技术条件
3 \; |6 Z# T1 o! A9 WGB/T 1239.4-1989 热卷圆柱螺旋弹簧技术条件; B& L3 O) O5 Q2 I8 Q* U* V
GB/T 1239.5-1989 圆柱螺旋弹簧抽样检查 (调整为JB/T 7944-1995 ,现行版本为JB/T 7944-2000 )
2 J* @/ W$ y; V/ d- I% a+ NGB/T 1239.6-1992 园柱螺旋弹簧设计计算
7 U  w9 ^0 C2 R% v3 E7 t% l1 i3 n/ S3 S" U, F% `( N: ]0 t. V0 {
GB/T1973.1-2005小型圆柱螺旋弹簧技术条件
8 j1 w0 l3 [; i$ @, r( `" b% [. b2 ZGB/T 1973.2-2005 小型圆柱螺旋拉伸弹簧尺寸及参数5 d- i; J6 ^1 S& `7 S4 ]
GB/T 1973.3-2005 小型圆柱螺旋压缩弹簧尺寸及参数4 I* A+ B- X/ q3 g0 x" q

8 L% I& {- u0 ]; V如果你需要哪个标准,可以到标准求助区求助,我可以提供。(^_^,搜索了一下,上述标准论坛里都有的。)
/ @# N% s; f6 S- n; X, J8 w
8 M4 L! G; d* H+ ^: _[ 本帖最后由 lhf999 于 2006-12-27 15:21 编辑 ]

评分

参与人数 1三维币 +10 收起 理由
2374 + 10 积极应助

查看全部评分

 楼主| 发表于 2006-12-27 17:00:12 | 显示全部楼层 来自: 中国广东佛山
我去标准区搜索了一翻   还真不少东西  1 Z- ^0 S4 @  ~' ~/ r
但是感觉还是没有解决问题
发表于 2006-12-27 21:15:00 | 显示全部楼层 来自: 中国河北沧州
我认为可以不收,线径一般都是选取标准丝材,楼主可以根据相关的丝质检查偏差是否在允许的范围内,但是长度上的偏差确实太大啦。. U% T+ D$ M) j: U5 o7 T
弹簧的自由高度的公差一般比线性尺寸的未注公差值大。根据弹簧的精度不同,公差也不同,如果为1级公差为+-0。7,2级为+-1。2,3级为+-1。8。楼主在技术要求中应写明具体的工作圈数和
发表于 2006-12-28 01:16:59 | 显示全部楼层 来自: 中国上海
哪些参数重要那要看弹簧的工作场合,一般的技术要求需要标明弹簧的自由高,有效圈数,总圈数,旋向,端部类型,展开长度,热处理要求等;对于弹簧力及尺寸精度等级根据使用要求都可从标准手册上查得。弹簧的合格与否,如果图纸给出了明确要求,就按图纸要求检验;如果图纸没能给出明确要求,只要满足使用要求就可以了。
头像被屏蔽
发表于 2006-12-28 10:49:03 | 显示全部楼层 来自: 中国江苏苏州
提示: 作者被禁止或删除 内容自动屏蔽
发表于 2006-12-28 20:31:08 | 显示全部楼层 来自: 中国河南郑州

机械

有拨叉设计吗~~~~~~~
发表于 2007-11-5 10:05:44 | 显示全部楼层 来自: 中国江苏无锡
你可以测试一下力.如果受力没问题,也就是根据你的要求,如压下1MM要求10N,能满足你的要求,高度又能用,那这弹簧就能用,能满足你的使用要求.
发表于 2007-11-22 15:52:47 | 显示全部楼层 来自: 中国上海

回复 2# 的帖子

去看一下,希望有我想要的。
发表回复
您需要登录后才可以回帖 登录 | 注册

本版积分规则


Licensed Copyright © 2016-2020 http://www.3dportal.cn/ All Rights Reserved 京 ICP备13008828号

小黑屋|手机版|Archiver|三维网 ( 京ICP备2023026364号-1 )

快速回复 返回顶部 返回列表