QQ登录

只需一步,快速开始

登录 | 注册 | 找回密码

三维网

 找回密码
 注册

QQ登录

只需一步,快速开始

展开

通知     

查看: 2380|回复: 5
收起左侧

[转帖] 个人总结 <机械加工余量及下料余量>

 关闭 [复制链接]
发表于 2007-1-5 06:37:43 | 显示全部楼层 |阅读模式 来自: 中国河北沧州

马上注册,结识高手,享用更多资源,轻松玩转三维网社区。

您需要 登录 才可以下载或查看,没有帐号?注册

x
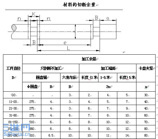
个人总结 <机械加工余量及下料余量>

加工余量.rar

46.21 KB, 下载次数: 101

评分

参与人数 2三维币 +21 收起 理由
sxw68 + 6 鼓励分享,DOC格式。
渔樵 + 15 好资料

查看全部评分

发表于 2007-1-5 09:29:19 | 显示全部楼层 来自: 中国湖北十堰
看了下,觉得很不错,比较全面!
01.jpg
02.jpg
03.jpg
发表于 2007-1-6 16:58:57 | 显示全部楼层 来自: 中国江苏泰州
总结得很不错,对搞工艺的或搞定额的很有用.
发表于 2007-1-23 11:57:22 | 显示全部楼层 来自: 中国广东中山

回复 #1 lfl88 的帖子

非常好的一个教程,对于成本和工艺都有一个不错的参照!
发表于 2007-1-23 18:18:39 | 显示全部楼层 来自: 中国广西南宁
感觉上楼主留的余量太大.
发表于 2007-1-23 21:32:43 | 显示全部楼层 来自: 中国湖南湘潭
初学机械加工的可一定要看阿!
发表回复
您需要登录后才可以回帖 登录 | 注册

本版积分规则


Licensed Copyright © 2016-2020 http://www.3dportal.cn/ All Rights Reserved 京 ICP备13008828号

小黑屋|手机版|Archiver|三维网 ( 京ICP备2023026364号-1 )

快速回复 返回顶部 返回列表