QQ登录

只需一步,快速开始

登录 | 注册 | 找回密码

三维网

 找回密码
 注册

QQ登录

只需一步,快速开始

展开

通知     

全站
6天前
查看: 2497|回复: 7
收起左侧

[求助] 阀门的球面密封怎么检测

[复制链接]
发表于 2007-1-9 18:39:53 | 显示全部楼层 |阅读模式 来自: 中国湖南娄底

马上注册,结识高手,享用更多资源,轻松玩转三维网社区。

您需要 登录 才可以下载或查看,没有帐号?注册

x
近几日在修复一个钢铁厂高炉放灰阀门,不知道它的球面密封面在研磨后如何检测才算合格?
发表于 2007-1-9 20:14:25 | 显示全部楼层 来自: 中国江苏常州
楼主可以下载《阀门设计手册》看看,里面有阀门的检验一节,能找到答案,可以进行密封性试验。0 W% y' l8 y& c
http://www.3dportal.cn/discuz/vi ... 3787&highlight=
$ \2 H+ g$ ?5 l' E+ i  L' N9 }/ v5 L1 J6 S) }! b6 X" o
[ 本帖最后由 clztp2004 于 2007-1-9 20:29 编辑 ]
 楼主| 发表于 2007-1-10 10:22:31 | 显示全部楼层 来自: 中国湖南娄底
谢谢!!
: p- f3 i% G, V8 [5 c7 b. S$ g, r6 O可是我看不到.
发表于 2007-1-11 17:25:11 | 显示全部楼层 来自: 中国天津

回复 #1 qjh735442 的帖子

这样的阀门需要密封性检测吗?放灰的好像没这么高的要求吧?. ^( I8 G( F4 z5 A# J# I* c" ?
建议楼主说清楚这个阀门的种类和型式,找一般的阀门手册就能知道如果检测。) p( h7 ]/ r, S1 }  {
而且密封面还是球面,一般不用检测吧,
发表于 2007-1-12 17:11:49 | 显示全部楼层 来自: 中国江苏常州
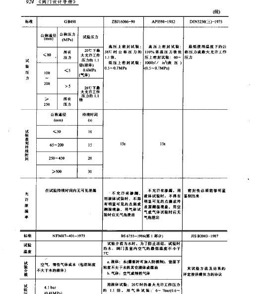
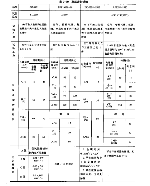
从设计手册上截取的图片供参考
+ p9 n0 m3 T$ d' p8 \9 n% X& K' h7 ^. e/ n5 ~# x% J
[ 本帖最后由 clztp2004 于 2007-1-12 17:13 编辑 ]
001.jpg
002.jpg
003.jpg
004.jpg
005.jpg
006.jpg
007.jpg
发表于 2007-1-12 17:24:21 | 显示全部楼层 来自: 中国河南郑州
查找标准看一下,出灰的没有那么高的要求把
发表于 2007-1-13 16:11:44 | 显示全部楼层 来自: 中国四川成都
在没有改变阀门原结构,而只是研磨密封面,一般通常简便方法是在阀门的一端放置煤油,另一端不渗漏就算合格。
 楼主| 发表于 2007-1-15 13:38:05 | 显示全部楼层 来自: 中国湖南娄底
谢谢各位,- C- W5 V  [' T8 f7 J4 x/ y0 I9 p
不密封会出煤气的.
发表回复
您需要登录后才可以回帖 登录 | 注册

本版积分规则


Licensed Copyright © 2016-2020 http://www.3dportal.cn/ All Rights Reserved 京 ICP备13008828号

小黑屋|手机版|Archiver|三维网 ( 京ICP备2023026364号-1 )

快速回复 返回顶部 返回列表