QQ登录

只需一步,快速开始

登录 | 注册 | 找回密码

三维网

 找回密码
 注册

QQ登录

只需一步,快速开始

展开

通知     

查看: 2601|回复: 10
收起左侧

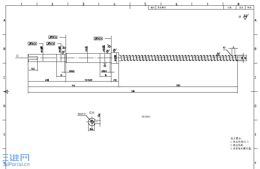
[讨论] l螺杆的工艺

[复制链接]
发表于 2007-1-25 16:43:58 | 显示全部楼层 |阅读模式 来自: 中国上海

马上注册,结识高手,享用更多资源,轻松玩转三维网社区。

您需要 登录 才可以下载或查看,没有帐号?注册

x
希望大家讨论一下螺杆的加工工艺
8 x+ w/ {' z9 |' v) V+ D
3 ]1 e3 w. `$ t& q! o* G4 `[ 本帖最后由 渔樵 于 2007-2-4 08:11 编辑 ]
简介.jpg

odel (1).pdf

70.6 KB, 下载次数: 21

发表于 2008-2-25 09:16:07 | 显示全部楼层 来自: 中国广东广州
可以参考细长轴的加工方法呀,螺杆部分和齿轮加工应该相适.那位高手说说呀!!!

评分

参与人数 1三维币 +1 收起 理由
飞天小猪 + 1 讨论

查看全部评分

发表于 2008-2-25 14:04:03 | 显示全部楼层 来自: 中国重庆
杆加工起来还是好加工的
& t6 {3 n( ^& ~# w倒是螺旋片焊在杆上就有点困难了

评分

参与人数 1三维币 +1 收起 理由
飞天小猪 + 1 讨论

查看全部评分

发表于 2008-2-25 15:55:53 | 显示全部楼层 来自: 中国浙江杭州
用仪表车床,前面用个导套是否可行,螺旋部分要求不高

评分

参与人数 1三维币 +1 收起 理由
飞天小猪 + 1 讨论

查看全部评分

发表于 2008-3-1 07:57:01 | 显示全部楼层 来自: 中国浙江舟山
可以用两滚或三滚的滚压加工,先从根部加工然后从尾部退出

评分

参与人数 1三维币 +1 收起 理由
飞天小猪 + 1 讨论

查看全部评分

发表于 2008-3-1 19:00:50 | 显示全部楼层 来自: 中国江苏南京
一.微电脑控制器6 p/ N  w3 y  r1 s8 l) U  {% x# ~
电动螺杆空压机电气控制系统是电动螺杆机的关键系统,其主要作用对三相异步电动机(容量大于10KW)起动时降低电压,减少起动电流,不致在供电线路中产生过大的压降,减少对电网的影响。% A( P7 W7 L* K9 t- n3 N
该系统具有下述特点:' M; N7 R- C* b1 k
1.       功能及技术参数2 c7 H2 u; z4 m! c
①         开关量:9路开关量输入,10路继电器开关量输出;$ U% d" Z' b# D
②     模拟量:二路pt100温度输入,二路4~20mA变送输入,两组三相电流输入(配置CT);7 T/ z: T" ?5 K: Z6 O* X
③     相序输入电压:三相380V;
1 \6 N6 }5 Z" k( u7 a) n④     控制器工作电流:220V、50Hz、20VA;& r8 Q5 b7 u7 J( s% s% A+ g% O
⑤     相序保护:当保护器检测到错相时,显示器就会报警,无法起动;0 }, r) s$ `1 w
⑥     主控器对主电机和风扇电机均具有五种保护功能,分别为堵转保护,短路保护,缺相保护,不平衡保护,过载反时限保护特性;
/ P/ A2 P) w6 a( }6 q⑦     温度保护:当检测到的实际温度大于设定温度时,动作时间≤2S;% Y. W/ V2 @- \) J) T' }
⑧     输出继电器触点容量:250V 5A;触点寿命5000000次;
- w: x" x# m/ M' z9 }) [1 N⑨     电流显示误差小于1.0%。% W+ D4 t# l  W7 @. [
2.       控制器接线端子
: @% e1 j+ N9 p. r" n显示器与主控器由通讯电缆连接,23、24、25为相序输入端子;7、9为排气温度输入端子;CT1为主电机互感器;CT2为风扇电机互感器;32为输出继电器公共端COM1;27控制主接触器(KM1);28控制星形接触器(KM3);29控制三角形接触器(KM2);30加载电磁阀;31控制电机;34控制卸放阀;37运行指示;42为接地;43、44为220V电源。
* d0 Y1 A1 r2 @! a6 X) C  y二.控制原理* d2 D, d: Y6 D
控制器上电后有3秒自检,按启动键不能起动。自检结束后,按起动键主机开始起动;出现故障,按急停键按钮。主机起动过程为:KM3、KM1得电→Y形起动状态→延时时间到(Y/△转换时间),KM3失电(KM2、KM3互锁),KM2得电→电机△形起动。电机起动到△状态后,延时一段时间后,加载电磁阀得电,空压机开始加荷。当气压升高超过设定高限压力时(卸载压力值),加载电磁阀失电,空压机空车运行,在空车时间内,压力没有降到低限压力,控制器将自动停止电机工作,实现空车过久自动停机。为了防止频繁起动控制,按停机键,空车过久停机。故障停机使电机停转时不能马上起动电机,需有一段延时。本控制器在各种停机状态下时间显示窗口倒计时显示剩余延时时间(如90秒),只有延时时间为零时才能起动电机。
发表于 2008-3-3 20:14:52 | 显示全部楼层 来自: 中国山东济南
学习了 哈哈,辛苦灌水
发表于 2008-3-6 19:17:00 | 显示全部楼层 来自: 中国重庆
恩,学习了,灌水,呵呵
发表于 2008-3-7 14:17:52 | 显示全部楼层 来自: 日本
这都是实际的知识啊  在学校里没接触过 学习了
发表于 2008-3-7 14:26:23 | 显示全部楼层 来自: 中国江苏南京
螺杆部分可以用内外渐开线花键配合,分别加工外花键心轴然后分段拉内花键并根据牙型曲线车出螺纹,分多段套上心轴,这样加工维护都比较方便,精度也好保证,综合成本也不比焊接的高
发表于 2008-3-9 10:13:04 | 显示全部楼层 来自: 中国广西柳州
该螺杆加工工艺如下:
2 j. Q, o4 y5 R! |1 Z$ s4 t9 t1、下料$ s  T& p/ U: D4 Z/ Z- b
2、调质处理(改善加工性能)2 f2 V; Q$ j& x
3、车中心孔,半精车各外圆
# T+ i2 Y; D4 h2 X2 k  N$ s6 [4、粗磨外圆
9 ]% q/ P) j& F# G: q8 k5、粗车(或粗铣)螺旋槽
) Z1 o) x$ V( b1 U8 U" }" L) O6、去应力退火
+ S) k. v2 P. Z/ v% o; Q7、修研中心孔,精车各外圆. k$ o# z* ?2 p/ d5 H- v2 u7 w$ Y/ P! v
8、半精磨外圆4 u. p; D) [6 x  k: N/ N2 f, ]# z
9、精车(或精铣)螺旋槽
  h0 D& O  ^6 @( O) ^% |) p10、抛光螺旋槽' K- a0 b6 H% B, Z( K6 K
11、铣合键槽" q8 R& ?) f- j9 N$ m$ K
12、精磨外圆+ i) @5 w" d/ ^& B! f, f) N
13、车端面内螺纹,车合长度4 N/ S  v3 ?7 M$ h8 @
14、氮化处理" P, c- v. n7 h3 ?
15、抛光螺旋槽
# F& }, g9 u, i$ O& e, H& K; Y16、精磨外圆
发表回复
您需要登录后才可以回帖 登录 | 注册

本版积分规则


Licensed Copyright © 2016-2020 http://www.3dportal.cn/ All Rights Reserved 京 ICP备13008828号

小黑屋|手机版|Archiver|三维网 ( 京ICP备2023026364号-1 )

快速回复 返回顶部 返回列表