QQ登录

只需一步,快速开始

登录 | 注册 | 找回密码

三维网

 找回密码
 注册

QQ登录

只需一步,快速开始

展开

通知     

查看: 7548|回复: 15
收起左侧

[已解决] 请问哪位知道图中的位置度标注是什么意思?

 关闭 [复制链接]
发表于 2007-2-1 15:25:48 | 显示全部楼层 |阅读模式 来自: 中国河南郑州

马上注册,结识高手,享用更多资源,轻松玩转三维网社区。

您需要 登录 才可以下载或查看,没有帐号?注册

x
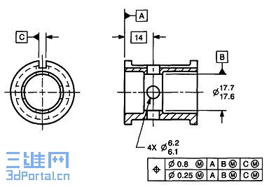
请问哪位知道图中的位置度标注是什么意思?
6 [( A  r/ Q" K2 Y: V该图是ASME Y14.5M 中的插图。
未命名.jpg

评分

参与人数 1三维币 +2 收起 理由
plc + 2 提出问题共同讨论、共同提高!

查看全部评分

发表于 2007-2-1 17:30:57 | 显示全部楼层 来自: 中国上海
请看下面的说明,仔细揣摩上面的意思!
Image00000.jpg
发表于 2007-2-1 18:53:35 | 显示全部楼层 来自: 中国云南昆明
1、圆圈中的A,B ,C分别为关联要素基准,分别为零件的端面、搭子端面及槽的中心面。
! S8 e4 W5 o" o2 ~# E" A  v2、(1)搭子所打的四个圆孔2-φ6.2位置度公差φ0.8,且采用最大实体要求。位置度的关联基准要素为A、B、C,且对基准也提出了最大实体要求。3 [4 R2 M  v1 \# x3 O
(2)搭子所打的四个圆孔2-φ6.1位置度公差φ0.25,且采用最大实体要求。位置度的关联基准要素为A、B、C,且对基准也提出了最大实体要求。
9 g$ ^. J# \) d. C& J       建议2-φ6.2、2-φ6.1不要如图中标注,分开标注。因为是非对称体,易产生混淆。

评分

参与人数 1三维币 +5 收起 理由
plc + 5 应助

查看全部评分

发表于 2007-2-2 08:23:44 | 显示全部楼层 来自: 中国天津
三楼的朋友,回答太心急了吧,图纸没怎么看清楚吧7 _, L, ]4 o  ]
A后面可没有M哦!!!
$ \% P$ v4 u: t" i3 }  w而且ASME的标注还建议。。。
& @# D4 v& @; x$ m% d& ^只能说外国人的标注习惯不一样,或者是省事。不过从另一方面也能说明外国人他们机加工人的识图能力应该也不错。

评分

参与人数 1三维币 +2 收起 理由
plc + 2 细心、应助!

查看全部评分

发表于 2007-2-15 10:31:06 | 显示全部楼层 来自: 中国江苏常州
老外的位置度用的特别多,三楼的解释基本是对的。
7 C- M* \- ^$ D+ \+ N; A9 {6 y( a---------------------------------------------0 {. K4 }3 k' G( K% ~1 @; ^
其实就这个图而言是不完整的。
发表于 2007-2-15 11:24:35 | 显示全部楼层 来自: 中国陕西宝鸡
刚刚在电子图板上模拟了一下,我国的标准也是可以这样标注的。. t+ b/ X  k# Q
但现在的情况是,如果你这样标了,只会给自己造成麻烦,我们这里连精度等级之类的都尽量不让使用,说是不利于加工。9 i& M4 Y0 b! ^+ [
其实,老外的设计很注意细节,但在图纸标注上,却省略了很多东西,比如粗糙度,公差等。

评分

参与人数 1三维币 +3 收起 理由
userkypdy + 3 应助

查看全部评分

发表于 2007-2-23 03:53:37 | 显示全部楼层 来自: 中国北京
这个零件的精度要求是非常高的,尽管尺寸精度不高,但不容易加工。三楼的朋友解释基本正确,但不全面。
4 z; m$ s% G9 S
$ |' @- e+ ^  s! H  e  R+ x0 B四个孔的位置度是相对于三个两两互相垂直的基准而言的,其中对A基准是由理想尺寸14来控制,对于B、C基准都是在其处于最大实体状态下来要求的。允许的变动公差带是空间中的一个倾斜的圆柱体。
( g0 m/ R4 V" N
4 P4 Q# L8 k) `8 w* h+ R  K0 ~0.25是最小允许极限变动量,0.8是基准偏离最大实体状态时,孔的位置最大极限公差,有一个补偿量。

评分

参与人数 1三维币 +8 收起 理由
userkypdy + 8 应助

查看全部评分

发表于 2007-5-15 08:42:00 | 显示全部楼层 来自: 中国北京
又长见识了good
发表于 2007-5-15 10:20:58 | 显示全部楼层 来自: 中国上海
我只知道,这个位置度不好检测,加工更难以保证.
发表于 2007-5-16 09:55:05 | 显示全部楼层 来自: 中国山东济南
长见识了good 谢谢
发表于 2007-5-24 15:07:28 | 显示全部楼层 来自: 中国山西太原
谢谢楼主的资料! :o
发表于 2007-5-24 16:54:42 | 显示全部楼层 来自: 中国重庆
原帖由 kllkll 于 2007-2-1 18:53 发表 http://www.3dportal.cn/discuz/images/common/back.gif
1 [: J3 h( p+ \8 I: A! e8 H+ c( ?建议2-φ6.2、2-φ6.1不要如图中标注,分开标注。

  }$ ]  ]0 C. W) Y; x三楼的和楼上的各位,关于φ6.2、φ6.1是否可以理解成“2-φ6.2、2-φ6.1”,但鄙人觉得那应该是4个孔都一样,尺寸在6.1~6.2之间啊,即采用的极限尺寸标注方法。也就是所三楼的关于这4个孔的陈述是有误的。
发表于 2010-4-30 00:00:59 | 显示全部楼层 来自: 中国重庆
ddddddddddddddddddddddddd

评分

参与人数 1三维币 -30 收起 理由
天际孤帆 -30 老会员灌水。

查看全部评分

发表于 2010-4-30 17:03:06 | 显示全部楼层 来自: 中国浙江杭州
如可更改标注的话,我看还是要求键槽处合适。
发表于 2010-4-30 22:48:12 | 显示全部楼层 来自: 中国上海
这张图纸应该是有问题的,二个框后面的基准不可能一样,估计下面的C基准应该没有。
发表于 2010-5-1 22:05:36 | 显示全部楼层 来自: 中国湖北十堰
位置度要求也不高啊,看高手的讨论我也学习了,这个孔要用什么床子加工啊?上一般的数控车就行了吧?
发表回复
您需要登录后才可以回帖 登录 | 注册

本版积分规则


Licensed Copyright © 2016-2020 http://www.3dportal.cn/ All Rights Reserved 京 ICP备13008828号

小黑屋|手机版|Archiver|三维网 ( 京ICP备2023026364号-1 )

快速回复 返回顶部 返回列表