QQ登录

只需一步,快速开始

登录 | 注册 | 找回密码

三维网

 找回密码
 注册

QQ登录

只需一步,快速开始

展开

通知     

查看: 1784|回复: 0
收起左侧

[原创] 尺寸标注时箭头形状的编辑

[复制链接]
发表于 2007-2-18 14:40:38 | 显示全部楼层 |阅读模式 来自: 中国陕西西安

马上注册,结识高手,享用更多资源,轻松玩转三维网社区。

您需要 登录 才可以下载或查看,没有帐号?注册

x
版主及诸位网友,大家春节好!
) n  `9 q) {4 R( a# q
; Q' F1 o1 [4 }$ ~1 o尺寸标注时箭头形状的编辑  z0 U1 j( `9 c7 l/ Z' ?+ W
; b. O9 f# m2 V/ v. L7 Y
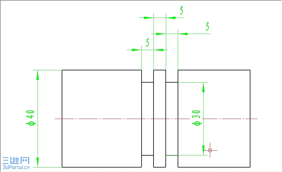
位置狭小时,尺寸就不能按照常规标注。一般来说,最外边的尺寸线两端的箭头形状就不同了,往往外边是箭头,里边是圆点或斜线。中间的尺寸箭头形状两端或用圆点或用斜线。
1 o, F5 H! e) d* F' \
; G) }% m/ Z! |, M$ C尺寸标注时分3步:
& m( E% m$ C0 {: l第一步:不考虑箭头形状,先将尺寸标注出来,而且尺寸线不要对齐,以便下一步编辑,如图一。$ w2 W* ?  w4 O. l5 i6 r1 ^
第二步,根据需要进行箭头形状编辑,如图二。: O6 [. a, R9 q
第三步,编辑尺寸,使尺寸先对齐,如图三。! d# l; m% B, A

- H0 E$ g+ F4 x! r7 K' U当然也可以先设置尺寸标注风格,再标注尺寸,但是步骤较多,麻烦费事效率低。我感觉到上述办法较为便捷。5 o9 ^2 z% f+ z( ]# }  c: j

9 _6 `' f/ X+ u# s. Y3 d/ w* m这里要特别指出:箭头形状编辑窗口(图四)中所谓的左右箭头,与箭头在图形中所处的左右位置没有必然的对应关系。只与标注尺寸时鼠标拾取标注的图形元素的次序有关,先拾取的对应左,后拾取的对应右。记住这一点,在编辑箭头时,就可以一次成功。否则就可能反复,使人不胜其烦。
' J  ]3 i' k. i+ l+ r6 o+ |; `' ?: [1 `, ^  C, z5 r8 d7 K, L
[ 本帖最后由 hzy1944 于 2007-2-18 14:43 编辑 ]

图一

图一

图二

图二

图三

图三

图四

图四
发表回复
您需要登录后才可以回帖 登录 | 注册

本版积分规则


Licensed Copyright © 2016-2020 http://www.3dportal.cn/ All Rights Reserved 京 ICP备13008828号

小黑屋|手机版|Archiver|三维网 ( 京ICP备2023026364号-1 )

快速回复 返回顶部 返回列表