QQ登录

只需一步,快速开始

登录 | 注册 | 找回密码

三维网

 找回密码
 注册

QQ登录

只需一步,快速开始

展开

通知     

全站
9天前
查看: 5665|回复: 35
收起左侧

[已解决] 请问这几个薄壁零件用什么方法加工。[每周一题07.10]

 关闭 [复制链接]
发表于 2007-3-6 17:47:37 | 显示全部楼层 |阅读模式 来自: 中国四川成都

马上注册,结识高手,享用更多资源,轻松玩转三维网社区。

您需要 登录 才可以下载或查看,没有帐号?注册

x
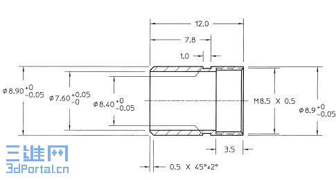
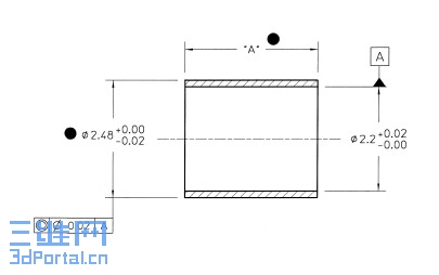
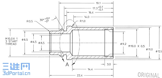
我有几个薄壁零件要加工,但找不到厂家加工。现列举一个零件的数据
8 s5 l6 w. g6 U3 \& Q; Z外径:Φ2.48 公差0/-0.02, 内径:Φ2.2 公差+0.02/0,长度6 。同轴度0.02   i, j. Q: Y& D

8 z' N# x# _* ?+ ]所有图纸单位:mm
! \. t  r# w! j& g望高人些提供加工工艺,如有人接触过这类零件,望多给点意见.# A4 _/ i+ [; T3 @% I* k! X/ P

. X! N2 W- z) W8 O, A如果有人能提供加工厂长就更好了哈。' F* F" ^" N) U9 V% p0 W

7 X+ P* q9 `! b  t7 S) }5 W+ v具体要求见附见。* }: D2 L0 X0 H& d2 B! z  E
每周一题
. c" s* S8 ^4 c9 r8 H8 d3 d说明:鼓励会员积极参与应助及技术讨论,加大奖励力度,尤其对有效应助及专业技术讨论多奖。7 ~4 c. }' T/ v' G) _/ o
目的:营造热烈而又专业的技术讨论交流气氛,快速提高大家技术水平。
' ?: Q7 F9 l% X! `0 Z- |2 @方法:参与的会员都有奖励,但是不要灌水,或者回复无意义无关主题的内容,这类帖子一律删除。3 H2 j8 I7 B6 |8 {6 Q, E
奖励:按照情况+3--+20。) r- }, j+ e/ C$ E- R, ^' z
时间:2007年第10周8 R- y6 Q8 l7 [1 o6 ]( ^3 {
今后每周都会有新题目,不过要借会员提出的问题或者讨论题目
, F; ~- W+ f) U' n; i; X+ I: z欢迎积极提出好的论题,同样有奖励。

3 ?/ W" |% V. Q, q/ ^                                                                                        -------------------------------by sxw68( @* Z* @% c  P- c5 @8 k- c

: R/ |6 K; ^/ ?% {' _[ 本帖最后由 sxw68 于 2007-3-8 12:38 编辑 ]
t-001.jpg
t-002.jpg
t-003.jpg

评分

参与人数 1三维币 +3 收起 理由
sxw68 + 3 好题目

查看全部评分

发表于 2007-3-6 19:50:42 | 显示全部楼层 来自: 中国江苏苏州
这些零件使用精密仪表车床可以加工,小型数控车床也可以加工;都保证这样的精度
发表于 2007-3-6 21:09:52 | 显示全部楼层 来自: 中国江苏徐州
这么薄的壁厚,就算加工出来也是一碰就变形呀
发表于 2007-3-6 21:22:02 | 显示全部楼层 来自: 中国上海
数控车床加工,加工薄壁时,在加工薄壁内孔和螺纹时,可用软爪夹持在直径11的部位,这样既可以减少或者防止变形,还能有效提高薄壁处的可加工性。
0 m4 z8 H. l9 w: h' y( ~
9 \6 x+ G; u/ _9 J不足之处,大家表一下拍死……闪!

评分

参与人数 1三维币 +3 收起 理由
sxw68 + 3 应助

查看全部评分

发表于 2007-3-6 21:23:12 | 显示全部楼层 来自: 中国上海
没螺纹的那个,直接用小型仪表车床就成,价廉物美!! v9 w& X- O6 R6 x# Y% c" e

4 c$ L5 r$ }! I8 O( j6 ? + q0 o" R6 R  W
呃!看错了,最下面那个是公制还是英寸?公制的话那就算我没说!
8 d* M; ?" S. A) J/ l
+ K' _! l9 g$ A- M[ 本帖最后由 walworth 于 2007-3-6 21:25 编辑 ]
发表于 2007-3-6 21:33:34 | 显示全部楼层 来自: 泰国
第三副图的工件,用慢走丝不知可不可行。
发表于 2007-3-6 21:38:40 | 显示全部楼层 来自: 泰国
前两图的工件要加开口工艺套夹持,也许能保持不变形。

评分

参与人数 1三维币 +3 收起 理由
sxw68 + 3 应助

查看全部评分

发表于 2007-3-7 00:49:25 | 显示全部楼层 来自: 中国广东珠海
简易过定位夹具!!!!
发表于 2007-3-7 07:44:47 | 显示全部楼层 来自: 中国江苏常州
加工好内孔(控制公差)后,用一工装:轴
发表于 2007-3-7 09:07:08 | 显示全部楼层 来自: 中国江苏苏州
加工此类零件的厂家在浙江的余姚和玉环比较多,实力也较强。
发表于 2007-3-7 09:56:10 | 显示全部楼层 来自: 中国浙江杭州
几个东西是没有人做,我看用车与线切割,安排好工艺先后可以加工,只有自己加工最可靠
 楼主| 发表于 2007-3-7 11:58:55 | 显示全部楼层 来自: 中国四川成都
单位全是mm哈,$ V4 T3 k9 b' ^3 S3 w2 e
* v  D! I. J1 Z7 A/ ]
我要的答复是,用某种工艺肯定能加工,而不是有可能这样加工可行之类的话,、) Y' l; ^1 K7 D6 _- Y3 S4 R: f& N& Y
这里面有没有人搞过这种工艺,或都接触过这类型的零件,
3 J& W' Z( G* K+ T5 y
  [$ J- t7 j$ G望高人出现呀,
5 S+ n- C* S& p: R俺着急呀,
发表于 2007-3-7 19:01:39 | 显示全部楼层 来自: 中国吉林四平
我没做过这样的零件,不过我觉得应先做内孔,然后用内孔定位磨外圆。

评分

参与人数 1三维币 +3 收起 理由
sxw68 + 3 继续关注

查看全部评分

发表于 2007-3-7 19:25:46 | 显示全部楼层 来自: 中国河南郑州
什么材料?说说 :lol:
发表于 2007-3-7 21:10:02 | 显示全部楼层 来自: 中国黑龙江佳木斯
先加工内孔,外圆留量,锥度芯轴,磨外圆.

评分

参与人数 1三维币 +3 收起 理由
sxw68 + 3 继续关注,详细些。

查看全部评分

发表于 2007-3-7 23:28:21 | 显示全部楼层 来自: 中国湖北十堰
我觉得,最好是下料时,下一根长料,外园,内孔一次车出,车好后用切刀切下来。

评分

参与人数 1三维币 +3 收起 理由
sxw68 + 3 欢迎积极参与

查看全部评分

发表于 2007-3-8 14:00:49 | 显示全部楼层 来自: 中国北京
普通车床就可以:棒料长一些,内孔、外圆、螺纹一次加工完成,切刀切下来,掉头平端面,倒圆角即可。

评分

参与人数 1三维币 +3 收起 理由
sxw68 + 3 欢迎积极参与

查看全部评分

发表于 2007-3-8 16:18:53 | 显示全部楼层 来自: 中国吉林长春
我觉得第三张图纸应该用冲压加工用冲压模具保证相应的尺寸,一次成型
4 M  R7 O7 _0 e% `" k8 T+ ]前两张图纸个人认为 应该用数控车床两顶车外径,然后用内涨套禁锢外径,车内孔: A( i9 [1 A, y
内涨套结构设计手册上有介绍

评分

参与人数 1三维币 +3 收起 理由
sxw68 + 3 欢迎积极参与

查看全部评分

发表于 2007-3-8 16:26:09 | 显示全部楼层 来自: 中国天津
就你那薄壁管而言是不是可以去直接拉些管料,然后线切割到长度?(顺便请问是什么材料?粗糙度多少)
发表于 2007-3-8 16:33:51 | 显示全部楼层 来自: 中国黑龙江牡丹江
这个第3工件 我感觉 不可切  
; e2 W% X2 w' L. C( x4 d先出总长- 钻眼- 磨内孔 -穿心轴-外磨1 x+ b5 @0 b' I! Y" \& z
但是我感觉 还是不太好  
7 C1 u+ g# H5 G( S# D$ l我没干过外圆磨  不知道磨的时候多大的力啊?6 ?% a5 ]. h" p" P7 g% B2 P8 H
穿心轴不能太大力 10多道会不会变形?

评分

参与人数 1三维币 +5 收起 理由
sxw68 + 5 应助

查看全部评分

发表于 2007-3-8 19:55:08 | 显示全部楼层 来自: 中国四川成都
那么薄,只有整工装,不然夹持都是个问题……头大!

评分

参与人数 1三维币 +3 收起 理由
sxw68 + 3 欢迎积极参与

查看全部评分

发表于 2007-3-9 20:44:25 | 显示全部楼层 来自: 中国浙江嘉兴
第一第二应该没难度,车加工就行了,第三张不知什么材料,如果是铝或铜,可以拉成管再加工或者冷挤

评分

参与人数 1三维币 +3 收起 理由
sxw68 + 3 应助

查看全部评分

发表于 2007-3-9 21:13:10 | 显示全部楼层 来自: 泰国
楼主的问题有没解决,如果已解决,把方法说出来,让大家共享,非常期待。
发表于 2007-3-12 20:28:37 | 显示全部楼层 来自: 中国湖南长沙
我建议你先加工内孔,然后用夹具安位定位在车外圆。
发表于 2007-3-29 12:26:14 | 显示全部楼层 来自: 中国辽宁丹东
这个题和本论坛曾讨论过的一个薄皮铜套相似,不过看起来比那个复杂,你这个,我建议先用冷挤压的方法制备毛坯再考虑机械加工.
发表回复
您需要登录后才可以回帖 登录 | 注册

本版积分规则


Licensed Copyright © 2016-2020 http://www.3dportal.cn/ All Rights Reserved 京 ICP备13008828号

小黑屋|手机版|Archiver|三维网 ( 京ICP备2023026364号-1 )

快速回复 返回顶部 返回列表