QQ登录

只需一步,快速开始

登录 | 注册 | 找回密码

三维网

 找回密码
 注册

QQ登录

只需一步,快速开始

展开

通知     

全站
7天前
查看: 3744|回复: 12
收起左侧

[已解决] 退刀槽一般比螺距大多少啊?急!!!!!

 关闭 [复制链接]
发表于 2007-3-15 20:05:42 | 显示全部楼层 |阅读模式 来自: 中国北京

马上注册,结识高手,享用更多资源,轻松玩转三维网社区。

您需要 登录 才可以下载或查看,没有帐号?注册

x
退刀槽一般比螺距大多少啊?比如M39的螺纹,退刀槽多大合适啊?
发表于 2007-3-15 20:40:20 | 显示全部楼层 来自: 中国江西鹰潭
退刀槽(3~6)1 ]7 X* _- v, s. o
加工螺纹最好不要退刀槽,把前角磨大点

评分

参与人数 1三维币 +3 收起 理由
sxw68 + 3 应助

查看全部评分

发表于 2007-3-15 20:44:08 | 显示全部楼层 来自: 中国辽宁
大1到2倍 8 x* w3 C+ K1 s5 `- A5 U  w

, k' o- C4 u" w/ C& G% X& U* r[ 本帖最后由 zyj10282005 于 2007-3-17 22:04 编辑 ]
发表于 2007-3-15 21:20:56 | 显示全部楼层 来自: 中国四川德阳
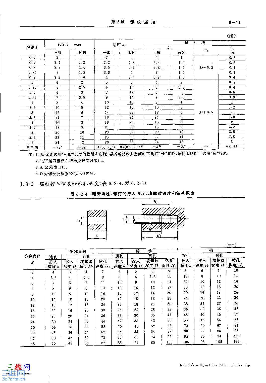
查阅化学工业出版社机械设计手册第二卷5-44页普通螺纹收尾,肩距,退刀槽,倒角(GB/T3-1997)标准
发表于 2007-3-16 08:20:54 | 显示全部楼层 来自: 中国广东汕头
原帖由 qinjiaqing 于 2007-3-15 20:05 发表( M8 M* c# ?0 e! h0 [+ ?
退刀槽一般比螺距大多少啊?比如M39的螺纹,退刀槽多大合适啊?
% h! _; E$ H2 k
希望能够帮你
01_页面_1.jpg
01_页面_2.jpg

评分

参与人数 1三维币 +5 收起 理由
sxw68 + 5 应助

查看全部评分

发表于 2007-3-16 11:17:33 | 显示全部楼层 来自: 中国河北邢台
一般在3--5mm就可以了,我们这加工都在这个范围内的
发表于 2007-3-16 12:01:54 | 显示全部楼层 来自: 中国广东广州
谢谢五楼的朋友,真是有心了。
 楼主| 发表于 2007-3-16 12:16:50 | 显示全部楼层 来自: 中国北京
谢谢大家的帮助,我找到GB/T3-1997了.嘿嘿
发表于 2007-3-16 12:27:37 | 显示全部楼层 来自: 中国天津
看来国标还真是全,连这些都有规定。
发表于 2007-3-16 13:19:08 | 显示全部楼层 来自: 中国上海
加工外罗纹没有必要用退刀槽,车内螺纹一般情况下比刀头宽3mm,就可以了
发表于 2007-3-16 18:46:32 | 显示全部楼层 来自: 中国浙江宁波
原帖由 天地任逍遥 于 2007-3-16 13:19 发表
' G: p; i! ]8 D' U加工外罗纹没有必要用退刀槽,车内螺纹一般情况下比刀头宽3mm,就可以了
+ |1 }# ^& V9 x- l0 x8 b6 Y. _
$ @. x: s; s% o" D
没有的话, 你要是后序要磨螺纹咋办?
发表于 2007-3-17 11:58:45 | 显示全部楼层 来自: 中国湖南湘潭
在企业干的时候还真没仔细考虑,平常偷懒就标了2
发表于 2007-3-17 16:47:00 | 显示全部楼层 来自: 中国山东淄博
如果条件允许,还是在标准范围内选取较大值,这样加工方便!
发表回复
您需要登录后才可以回帖 登录 | 注册

本版积分规则


Licensed Copyright © 2016-2020 http://www.3dportal.cn/ All Rights Reserved 京 ICP备13008828号

小黑屋|手机版|Archiver|三维网 ( 京ICP备2023026364号-1 )

快速回复 返回顶部 返回列表