QQ登录

只需一步,快速开始

登录 | 注册 | 找回密码

三维网

 找回密码
 注册

QQ登录

只需一步,快速开始

展开

通知     

全站
10天前
查看: 3460|回复: 6
收起左侧

[已解决] 链轮齿根圆和齿顶圆的公差怎么选取?谢谢!

 关闭 [复制链接]
发表于 2007-3-23 16:31:42 | 显示全部楼层 |阅读模式 来自: 中国河南郑州

马上注册,结识高手,享用更多资源,轻松玩转三维网社区。

您需要 登录 才可以下载或查看,没有帐号?注册

x
链轮齿根圆和齿顶圆的公差怎么选取?谢谢!
发表于 2007-3-23 16:59:24 | 显示全部楼层 来自: 中国广东汕头
齿顶圆一般取整数,齿根圆你可以给出小数,都可以不给公差
 楼主| 发表于 2007-3-23 20:10:43 | 显示全部楼层 来自: 中国河南郑州
那要是查公差去哪里找啊?
发表于 2007-3-23 20:30:47 | 显示全部楼层 来自: 中国江苏常州
查设计手册把,链传动部分!
发表于 2007-3-24 13:58:33 | 显示全部楼层 来自: 中国江苏常州
http://www.3dportal.cn/discuz/vi ... 6%AF%2B%B1%EA%D7%BC, ^& U1 p, J) P& d- f- q& o
8 E# ]2 f* N7 {$ x
[ 本帖最后由 zhanghuihbh 于 2007-3-24 14:02 编辑 ]
链轮公差.JPG
发表于 2007-3-24 14:12:35 | 显示全部楼层 来自: 中国广东汕头
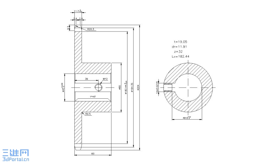
链轮画法和标注可参考下图,一般不给公差的
Drawing1.jpg
 楼主| 发表于 2007-3-26 08:32:01 | 显示全部楼层 来自: 中国河南郑州
谢谢了,我知道了!以后好好学学!
发表回复
您需要登录后才可以回帖 登录 | 注册

本版积分规则


Licensed Copyright © 2016-2020 http://www.3dportal.cn/ All Rights Reserved 京 ICP备13008828号

小黑屋|手机版|Archiver|三维网 ( 京ICP备2023026364号-1 )

快速回复 返回顶部 返回列表