QQ登录

只需一步,快速开始

登录 | 注册 | 找回密码

三维网

 找回密码
 注册

QQ登录

只需一步,快速开始

展开

通知     

查看: 1717|回复: 4
收起左侧

[已解决] 解决一下阀的问题!!

[复制链接]
发表于 2007-3-27 16:23:11 | 显示全部楼层 |阅读模式 来自: 中国北京

马上注册,结识高手,享用更多资源,轻松玩转三维网社区。

您需要 登录 才可以下载或查看,没有帐号?注册

x
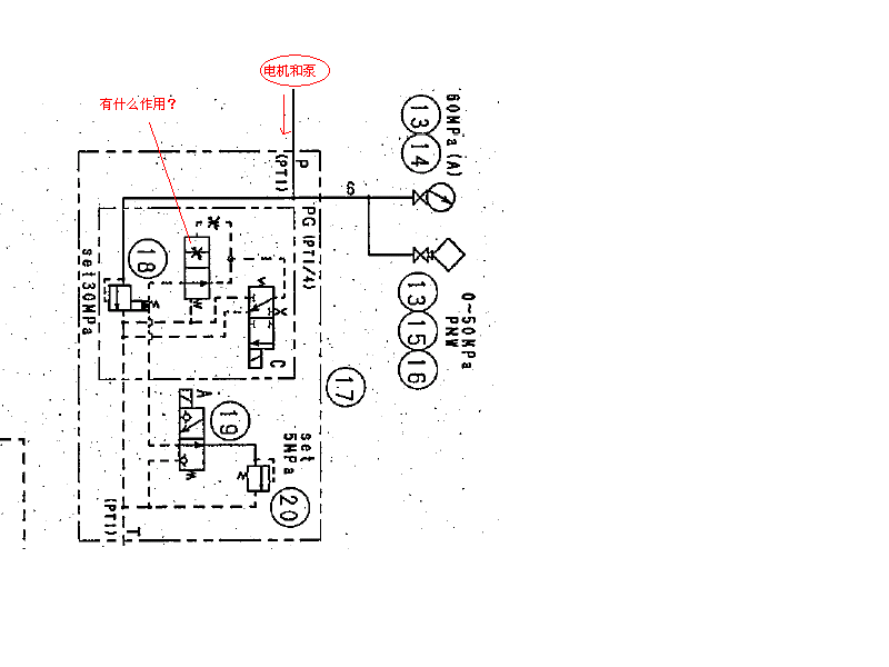
画面不是很清楚,我想知道的是在电磁阀和溢流阀之间的哪个阀起什么做用?8 m0 p( ?% Q8 Z8 d0 P! X
8 p+ Y. d; p% F$ v( s5 t# E8 l& o
[ 本帖最后由 疯之子 于 2007-3-27 18:15 编辑 ]
阀.bmp
阀2.bmp
发表于 2007-3-27 16:30:16 | 显示全部楼层 来自: 中国江苏无锡
都看不清是什么阀怎么说啊.感觉像2位2通的液控球阀.
发表于 2007-3-27 19:00:30 | 显示全部楼层 来自: 中国山东济南
好像是个缓冲阀
发表于 2007-3-27 20:41:40 | 显示全部楼层 来自: 中国河南安阳
这是一个常开式的电磁溢流阀。9 o5 U5 S6 g7 U  Y% c% {, m
楼主指示的部件应该叫延时阀(或楼上说的缓冲阀),它的作用是:当电磁铁断电时延时卸荷。
. [2 k& ~/ s, e, i  o
3 V6 g* C6 U- k& D! b$ L, B[ 本帖最后由 9619 于 2007-3-27 20:45 编辑 ]
发表于 2007-3-27 21:40:06 | 显示全部楼层 来自: 中国四川宜宾
不太清楚,好象是个起缓冲作用的阀。。
发表回复
您需要登录后才可以回帖 登录 | 注册

本版积分规则


Licensed Copyright © 2016-2020 http://www.3dportal.cn/ All Rights Reserved 京 ICP备13008828号

小黑屋|手机版|Archiver|三维网 ( 京ICP备2023026364号-1 )

快速回复 返回顶部 返回列表