QQ登录

只需一步,快速开始

登录 | 注册 | 找回密码

三维网

 找回密码
 注册

QQ登录

只需一步,快速开始

展开

通知     

全站
5天前
查看: 10269|回复: 48
收起左侧

[练习题] 【进阶级练习题14】

[复制链接]
发表于 2007-4-1 22:10:49 | 显示全部楼层 |阅读模式 来自: 中国上海

马上注册,结识高手,享用更多资源,轻松玩转三维网社区。

您需要 登录 才可以下载或查看,没有帐号?注册

x
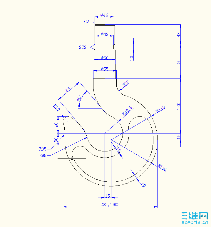
【进阶级练习题14】
+ ?" u% k" R, j7 K: K$ o( j' P
原创:Joseflin先生(台湾)      整理:SHAONX(上海)3 j7 e4 k3 @" V' n- x  e  q
+ ?( y$ K: I3 v% m
求:9 J% K+ K, v5 @$ ?8 a1 X
1. A之长度为何?  m- W% Q) {; L/ m* a* e: M$ v: l* B, w
    a. 223.9903   b. 223.9093   c. 223.0993/ I0 a2 g9 s& T) F! }- H4 s
2. B C之距离为何?0 C& @5 V: n* p4 X9 Y1 W
    a. 54.5973   b. 54.5793   c. 54.53799 p1 X+ @& }# ~: D# q: y
3. 黄色剖面线区域之周长为何?6 e0 b* B! r8 E: I6 b0 G  U
    a. 592.1140    b. 592.1104    c. 592.1014
2 Z8 k& L0 T3 K* n4. R12和R110中心点的距离为何?6 q2 E, G9 B$ ~9 x
    a, 110.6483   b. 110.6843    c. 110.6438
Problem14.gif

评分

参与人数 1三维币 +10 收起 理由
★新手★ + 10 提供练习讨论!

查看全部评分

发表于 2007-4-2 12:21:31 | 显示全部楼层 来自: LAN
楼主,50度角处的圆弧是不是缺少条件啊?
发表于 2007-4-2 18:17:26 | 显示全部楼层 来自: 中国浙江宁波
看了一下图
" f2 X, ~, w( n6 M' k$ B根据尺寸是完全可以画出来的: c$ {) L1 c2 j
没有少什么尺寸
% w4 t$ M% u! A, z0 S) k! ~有个R110的尺寸是多余的
6 S5 Y5 B, i8 }4 T+ j一般这种图有的地方没有标出尺寸的元素是有其它的约束(垂直或相切)
发表于 2007-4-5 11:55:16 | 显示全部楼层 来自: 中国四川攀枝花
试着画了画,做不出来,有人指点一下吗?
发表于 2007-4-5 12:30:46 | 显示全部楼层 来自: LAN
65尺寸的二条线的中线过R42.5的圆心,没有这个条件就画不出来了。
进阶级练习题14.jpg

评分

参与人数 1三维币 +10 收起 理由
★新手★ + 10 感谢积极参与!鼓励!

查看全部评分

发表于 2007-4-11 14:19:30 | 显示全部楼层 来自: 中国黑龙江七台河
画出来了
发表于 2007-4-27 17:09:42 | 显示全部楼层 来自: 中国广东肇庆
俺也练习了下,a\a\a\b9 W! m* E% \5 S- ]% @6 o
如图
习题14.JPG

评分

参与人数 1三维币 +8 收起 理由
★新手★ + 8 鼓励!

查看全部评分

发表于 2008-6-27 22:51:25 | 显示全部楼层 来自: 中国甘肃张掖

答案

做了很长时间没有做出,感谢5#的提醒,顺利完成练习。
进阶级练习题14答案.jpg

评分

参与人数 1三维币 +10 收起 理由
2005llnn + 10 很好

查看全部评分

发表于 2008-6-28 21:15:15 | 显示全部楼层 来自: 中国江西南昌
练习!!!
( U$ u9 x* v, w9 o1 c4 q这题好麻烦啊!!!!
123.jpg

评分

参与人数 1三维币 +10 收起 理由
2005llnn + 10 很好

查看全部评分

发表于 2008-7-16 08:14:11 | 显示全部楼层 来自: 中国浙江台州
A A A B+ G, b# L3 r" Z' h8 w. E- e3 E8 T
圆太多 有点烦
3.jpg

评分

参与人数 1三维币 +10 收起 理由
2005llnn + 10 很好

查看全部评分

发表于 2008-7-16 15:36:51 | 显示全部楼层 来自: 中国广东深圳
练习了.
02.jpg

评分

参与人数 1三维币 +10 收起 理由
2005llnn + 10 很好

查看全部评分

发表于 2008-7-17 09:48:54 | 显示全部楼层 来自: 中国台湾
(1).a     (2).a     (3).a     (4).b
14.jpg

评分

参与人数 1三维币 +10 收起 理由
2005llnn + 10 很好

查看全部评分

发表于 2008-7-18 17:39:16 | 显示全部楼层 来自: 中国湖北孝感
高手真多。我是新手。向你们学习
发表于 2008-7-25 14:53:48 | 显示全部楼层 来自: 中国河北廊坊
水平真高,我得好好学习
发表于 2008-9-18 10:46:18 | 显示全部楼层 来自: 中国广西柳州
好久没有做出来,看了提示才知道条件有点小问题,做好了。请教高手,形成面域后。如果想继续编辑线条怎么打散???多谢。, B; h5 e9 S- J

0 M. a. e2 k1 D# L& {/ ^9 G1 V% r[ 本帖最后由 joy4205 于 2008-9-18 10:54 编辑 ]
QQ14.jpg

评分

参与人数 1三维币 +5 收起 理由
2005llnn + 5 很好,标注也是作图的一部分, 可将面域点

查看全部评分

发表于 2008-10-22 04:06:33 | 显示全部楼层 来自: 中国
答案:A、A、A、B
- s$ o: J+ ~. w" U* p5 C7 s 14.JPG

评分

参与人数 1三维币 +10 收起 理由
2005llnn + 10 很好

查看全部评分

发表于 2008-11-17 20:36:50 | 显示全部楼层 来自: 中国江苏苏州
答案:A、A、A、B
j14.jpg

评分

参与人数 1三维币 +10 收起 理由
2005llnn + 10 很好

查看全部评分

发表于 2008-11-21 17:12:59 | 显示全部楼层 来自: 中国浙江杭州
做一个练习。
2008-11-21 17-09-20.jpg

评分

参与人数 1三维币 +10 收起 理由
2005llnn + 10 很好

查看全部评分

发表于 2008-12-2 20:57:40 | 显示全部楼层 来自: 中国河北唐山
1题A的尺寸为什么不对,请给看一下.
J14.jpg

J14.dwg

88.47 KB, 下载次数: 8

评分

参与人数 1三维币 +8 收起 理由
2005llnn + 8 很好,可能是R12圆心位置有误

查看全部评分

发表于 2008-12-3 15:17:59 | 显示全部楼层 来自: 中国辽宁沈阳
交作业了5 N! [% @5 d$ U( P. U' X; L
今天就到此为止了
QQ截图未命名.jpg

评分

参与人数 1三维币 +10 收起 理由
2005llnn + 10 很好

查看全部评分

发表于 2008-12-11 17:01:36 | 显示全部楼层 来自: 中国江苏南京
练习完毕,发个截屏。
练习题14.JPG

评分

参与人数 1三维币 +10 收起 理由
2005llnn + 10 很好

查看全部评分

发表于 2009-2-3 23:20:25 | 显示全部楼层 来自: 中国福建厦门
进阶练习14
QQ截图未命名.jpg

评分

参与人数 1三维币 +6 收起 理由
2005llnn + 6 参与鼓励

查看全部评分

发表于 2009-3-15 11:58:53 | 显示全部楼层 来自: 中国广东中山
学习了,,还是有点难度的太久没有练习了
进阶级练习题14.jpg

进阶级练习题14.dwg

60.11 KB, 阅读权限: 80, 下载次数: 3

评分

参与人数 1三维币 +6 收起 理由
2005llnn + 6 参与鼓励

查看全部评分

发表于 2009-5-28 21:23:10 | 显示全部楼层 来自: 中国广东中山

回复 1# shaonx 的帖子

b.jpg

评分

参与人数 1三维币 +3 收起 理由
2005llnn + 3 参与鼓励,但缺面积和周长

查看全部评分

发表于 2009-5-29 12:07:56 | 显示全部楼层 来自: 中国江苏常州

我也画好了!

谢谢分享这个题目。我也画好了!帮忙检查一下!
截图14.png

评分

参与人数 1三维币 +3 收起 理由
2005llnn + 3 参与鼓励,但缺面积和周长

查看全部评分

发表回复
您需要登录后才可以回帖 登录 | 注册

本版积分规则


Licensed Copyright © 2016-2020 http://www.3dportal.cn/ All Rights Reserved 京 ICP备13008828号

小黑屋|手机版|Archiver|三维网 ( 京ICP备2023026364号-1 )

快速回复 返回顶部 返回列表