QQ登录

只需一步,快速开始

登录 | 注册 | 找回密码

三维网

 找回密码
 注册

QQ登录

只需一步,快速开始

展开

通知     

查看: 2338|回复: 21
收起左侧

[讨论] 顺序控制阀

[复制链接]
发表于 2007-4-17 09:26:35 | 显示全部楼层 |阅读模式 来自: 中国江苏扬州

马上注册,结识高手,享用更多资源,轻松玩转三维网社区。

您需要 登录 才可以下载或查看,没有帐号?注册

x
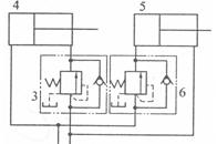
国外的一个产品,图中的阀块是一个顺序阀块,控制两根液压油缸的动作顺序,A油缸先伸出,到位后B油缸伸出,通过电磁换向阀HV3换向后B油缸先缩架,A油缸再缩回,想不出其中HV3的原理,期待高手画出其中的原理图.
4 t% _- G: O. Z/ b! E, g 顺序阀 001.jpg P1010315.JPG
; H% U( E, B& G1 M- V% B; t3 j! Y1 X2 M
[ 本帖最后由 中南海 于 2007-4-17 09:31 编辑 ]
发表于 2007-4-17 10:22:01 | 显示全部楼层 来自: 中国黑龙江哈尔滨
为两个单向顺序阀并联
图片1.png
发表于 2007-4-17 10:25:11 | 显示全部楼层 来自: 中国黑龙江哈尔滨
是两个单向顺序阀并联
# {' f) y. d# A# H* M刚才发错了,抱歉,重来
发表于 2007-4-17 10:35:17 | 显示全部楼层 来自: 中国黑龙江哈尔滨
是两个单向顺序阀并联
发表于 2007-4-17 10:57:25 | 显示全部楼层 来自: 中国黑龙江哈尔滨
是两个单向顺序阀并联
5 U  u8 K4 u8 N: g& J刚才发错了,抱歉,重来
Snap1.jpg
发表于 2007-4-17 13:46:15 | 显示全部楼层 来自: 中国河北沧州
首次见到这样使用,长见识.根据动作原理两个单向顺序阀能够实现动作要求.
 楼主| 发表于 2007-4-17 16:42:49 | 显示全部楼层 来自: 中国江苏扬州
多谢!我现在也是这样做的,但是我看老外的是用图上的一个组合阀实现控制的,一直想找这个阀,就是没有能够找到
发表于 2007-4-17 17:23:38 | 显示全部楼层 来自: 中国青海西宁
很一次见到单向顺序阀这种用法 谢了
发表于 2007-4-17 17:37:25 | 显示全部楼层 来自: 中国黑龙江哈尔滨

回复 #7 中南海 的帖子

我想,把两个单向顺序阀做到一个阀体里面,就与老外的组合阀差不多了。
 楼主| 发表于 2007-4-17 19:19:23 | 显示全部楼层 来自: 中国江苏扬州

回复 #9 haijinli 的帖子

理论上讲的确是可以把两个顺序阀做成一个阀块的,但老外的产品上看不出是两个顺序阀组合成的(若是组合的,应该有两个可调压的罗钉)
发表于 2007-4-17 20:10:51 | 显示全部楼层 来自: 中国黑龙江佳木斯
多缸顺序铣床液压系统就有这么二套单向顺序阀,不过是窜联的,和并联没关系.(经典例子)
发表于 2007-4-17 20:14:28 | 显示全部楼层 来自: 中国黑龙江佳木斯
电磁换向阀HV3其实就是一个二位四通阀就可以了.
发表于 2007-4-17 22:49:06 | 显示全部楼层 来自: 中国上海

回复 #7 中南海 的帖子

两个单向顺序阀开启压力不一样,a、b缩回行程有先后。是否有这种可能:老外故意把弹簧做死,不让随便调?
 楼主| 发表于 2007-4-18 10:52:41 | 显示全部楼层 来自: 中国江苏扬州

回复 #13 hwxie721 的帖子

好象和单向顺序阀开启压力没有太大的关系,只要单向顺序阀有开启压力,就会产生顺序作用.调死的可能性也有可能,只是为什么不把两边都调死?
 楼主| 发表于 2007-4-18 11:01:20 | 显示全部楼层 来自: 中国江苏扬州

回复 #11 qq12142111 的帖子

老兄有多缸顺序铣床液压系统的图吗?我是搞专用汽车的,对机床系统不太了解
发表于 2007-4-18 11:21:53 | 显示全部楼层 来自: 中国黑龙江哈尔滨

回复 #10 中南海 的帖子

如果有实物,拆开看一下,就清楚了。
 楼主| 发表于 2007-4-18 12:14:53 | 显示全部楼层 来自: 中国江苏扬州

回复 #16 haijinli 的帖子

很可惜,不能拆开看,要是能拆下来,早就解决了
 楼主| 发表于 2007-4-19 14:04:28 | 显示全部楼层 来自: 中国江苏扬州
看来是没有人能够解答满意了?
 楼主| 发表于 2007-4-25 12:22:41 | 显示全部楼层 来自: 中国江苏扬州
终于想通了,A,B油缸缸径不一样,一个约为63,一个约为40,第一个动作无需顺序阀,由于缸径不同本身就会产生顺序作用,第二个动作用顺序阀即可实现,综上所述,老外用一个顺序阀也能实现两个方向的顺序动作。4 l/ ^3 V9 r# S3 Y
0 P% z# E" l- L/ r8 E
各位老大,我想的方案对吗?
发表于 2007-4-25 14:29:55 | 显示全部楼层 来自: 中国黑龙江哈尔滨

回复 #19 中南海 的帖子

楼上说的有点道理,我先顶一下!
发表于 2007-4-25 17:08:27 | 显示全部楼层 来自: 中国上海

回复 #19 中南海 的帖子

对!只要一个顺序阀就可以了
发表于 2007-4-29 19:52:02 | 显示全部楼层 来自: 中国北京
单向顺序阀,也叫平衡阀,用于平衡负载,去看样本或手册,平衡阀的用法与作用
发表回复
您需要登录后才可以回帖 登录 | 注册

本版积分规则


Licensed Copyright © 2016-2020 http://www.3dportal.cn/ All Rights Reserved 京 ICP备13008828号

小黑屋|手机版|Archiver|三维网 ( 京ICP备2023026364号-1 )

快速回复 返回顶部 返回列表