QQ登录

只需一步,快速开始

登录 | 注册 | 找回密码

三维网

 找回密码
 注册

QQ登录

只需一步,快速开始

展开

通知     

查看: 3292|回复: 25
收起左侧

[已解决] 这张图纸有没有不妥的地方

[复制链接]
发表于 2007-4-17 12:01:21 | 显示全部楼层 |阅读模式 来自: 中国福建南平

马上注册,结识高手,享用更多资源,轻松玩转三维网社区。

您需要 登录 才可以下载或查看,没有帐号?注册

x
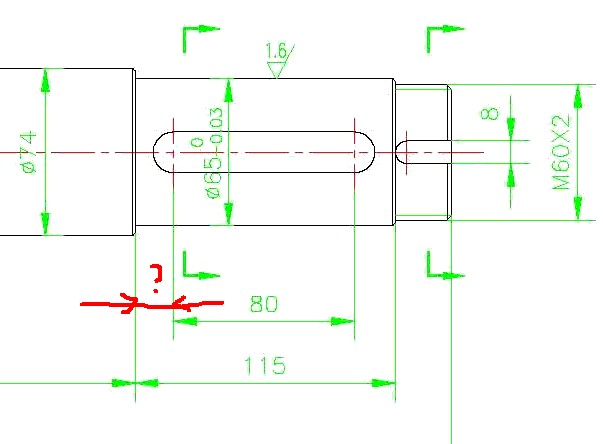
这张图纸有没有不妥的地方,谢谢指点
主轴.jpg

6T引风机轴.rar

30.29 KB, 下载次数: 23

评分

参与人数 1三维币 +5 收起 理由
blackbird + 5 发起讨论!

查看全部评分

发表于 2007-4-17 12:12:17 | 显示全部楼层 来自: 中国江苏扬州
整体上画的不错(键槽没有深度)
! c; ^9 d1 _' S0 [/ K' V9 Q1 P6 \# E9 I; Q6 J! R9 }
但从装配上说还是标出φ80*33与φ80*52这个之间的装配关系尺寸.
/ ?8 v% c( E$ m/ C5 ?* G这样才体现装配关系(才不会出现自由公差影响)

评分

参与人数 1三维币 +5 收起 理由
blackbird + 5 应助

查看全部评分

发表于 2007-4-17 12:45:38 | 显示全部楼层 来自: 中国广西南宁
还缺少两个尺寸
4-17-1.jpg
4-17-2.jpg

评分

参与人数 1三维币 +5 收起 理由
wuling + 5 "挑刺"

查看全部评分

发表于 2007-4-17 13:05:08 | 显示全部楼层 来自: 中国广东中山
螺纹标注有错,箭头应标在大径处。

评分

参与人数 1三维币 +3 收起 理由
wuling + 3 技术讨论

查看全部评分

发表于 2007-4-17 13:38:00 | 显示全部楼层 来自: 中国浙江台州
除了楼上各位说的,还有就是:
' T/ T* n* `; ^9 y% |) a+ a3 _1、主视图上已标注尺寸的,在剖视图就不要重复标注,如左端φ65尺寸在主视图上没有公差,而剖视图上却有公差,以那个为准,当然明眼人一看就知道是应有公差的,就是说同一个尺寸不要重复标注。
$ y% {- u; e6 [7 V: m9 s4 s2、轴两端应有中心孔。
0 m7 a: o$ N4 [. }3 c  ^4 u7 T6 @3、应磨削加工的各轴颈须有形位公差(加注基准),如同轴度公差、跳动公差等。
0 ?' c. d" K1 @/ b7 ~4、两端φ65处的键槽应有对称度要求。
& d0 T& e# s+ l5、作为轴类零件,一般应作调质处理,当然这也要看材料的,如45#通常都是作调质处理的。

评分

参与人数 1三维币 +3 收起 理由
wuling + 3 技术讨论

查看全部评分

发表于 2007-4-17 13:54:01 | 显示全部楼层 来自: 中国黑龙江哈尔滨
轴键处的截面剖视图不标轴径尺寸,应该标键槽到轴径另一端的极限点的尺寸,轴径尺寸要标在主视图上。% n! \; U& v: i; k4 r$ V2 ]
有三个键槽处绘制了螺纹,不该。4 _( h  }6 p" ?2 E4 x& e
如果此处配合齿轮,延长此段轴的长度,键槽两端加弹簧卡圈槽,用弹簧卡圈配合即可,端部的可在轴侧攻丝孔,加端盖,使用螺栓紧固。
! \+ M, |1 M& r3 R你这样设计,需轴及轴毂均套丝,再铣键槽。装配时要先螺纹配合,再把轴键打进去,你如何能保证螺纹拧紧时恰巧轴和轴毂的键槽正好对齐?而且还要加挡圈才能保证轴键固定,加工成本多了,还多次一举,太麻烦。& p; N5 h( {$ n, u0 `8 {8 j
另外,最粗的轴段轴径94,比旁边大了14,不知道是不是计算得出,经验判断,不需要。而且我猜测两个带螺纹的键槽中间应该什么都没有(不知道猜错没有),所以轴径80那段给公差没有意义。5 s6 k1 R- g! s9 o
只是探讨。6 |5 ?, n! o( T! j# w# y/ e

2 P! G1 ?8 D$ f8 T$ _[ 本帖最后由 雕刻爱情 于 2007-4-17 13:55 编辑 ]
未命名.JPG

评分

参与人数 1三维币 +3 收起 理由
wuling + 3 技术讨论

查看全部评分

发表于 2007-4-17 14:02:22 | 显示全部楼层 来自: 中国黑龙江哈尔滨
5楼说的第4条好像没有必要
发表于 2007-4-17 14:03:48 | 显示全部楼层 来自: 中国浙江台州
6楼的理解有误,楼上的这一长篇都是理解有误之后的结论,给予纠正:键槽处绘制了螺纹没有错,因为这三个地方是用于旋合圆螺母作为轴向定位用的,这个槽是圆螺母止退垫圈用的。弹簧卡圈所能承受的轴向力不够,所以不适合。至于右端的加端盖使用螺栓紧固倒是可取的。4 i9 `8 d4 ]0 [* s& y' c
轴径80这两段是配合尺寸,必须有公差的!!。# \- o( z8 a7 e" O( Z

& a" B- m2 c  q% F[ 本帖最后由 xie3321 于 2007-4-17 14:09 编辑 ]

评分

参与人数 1三维币 +3 收起 理由
wuling + 3 技术讨论

查看全部评分

发表于 2007-4-17 14:07:05 | 显示全部楼层 来自: 中国浙江台州
原帖由 雕刻爱情 于 2007-4-17 14:02 发表 http://www.3dportal.cn/discuz/images/common/back.gif( |# E$ t6 \; u: k/ ]
5楼说的第4条好像没有必要
# U8 E- d5 S8 A6 o! j, [0 d
这一点出于装配的工艺性考虑,如果键槽在加工过程中不考虑对称度问题,如果加工的不好,这会给装配带来一定的难度,

评分

参与人数 1三维币 +3 收起 理由
blackbird + 3 技术讨论

查看全部评分

发表于 2007-4-17 14:53:03 | 显示全部楼层 来自: 中国北京
9楼说的太有道理了,我原来遇到过这样的情况
发表于 2007-4-17 15:00:50 | 显示全部楼层 来自: 中国黑龙江哈尔滨
原帖由 xie3321 于 2007-4-17 14:03 发表 http://www.3dportal.cn/discuz/images/common/back.gif9 X. T- S+ S/ r1 Z' d
6楼的理解有误,楼上的这一长篇都是理解有误之后的结论,给予纠正:键槽处绘制了螺纹没有错,因为这三个地方是用于旋合圆螺母作为轴向定位用的,这个槽是圆螺母止退垫圈用的。弹簧卡圈所能承受的轴向力不够,所 ...

& w8 e2 t  Y( y% i  D' y3 k9 D6 Z2 i3 r, s2 O
# W7 A: Q- _. B+ v# `& l% a, T+ Y
7 A6 l: m; z2 ]& d- y6 d4 T# N
谢谢!
发表于 2007-4-17 15:14:28 | 显示全部楼层 来自: 中国浙江台州
在设计一个零件的时候,不仅要考虑图面上的各个尺寸要素要齐全,还要考虑到零件的材质要求、形位公差、工艺性问题等,如加工工艺性(比如楼主的图纸各轴颈粗糙度要求为1.6的需磨床加工的就要有中心孔),装配工艺性等各方面的东西。总之应全面考虑。
 楼主| 发表于 2007-4-17 15:15:43 | 显示全部楼层 来自: 中国福建南平
谢谢各位的发言,这是我公司6T快装链条锅炉引风机主轴,因为我公司较小,一般都是外协加工,怕自己的图纸错误太多,被人笑话,现在知道不妥的地方,我会努力改进,衷心谢谢大家,同样,也祝大家工作顺利。" ^  Y5 h) f  o

4 i/ E$ e/ j6 Q[ 本帖最后由 zhoujd 于 2007-4-17 15:17 编辑 ]

评分

参与人数 1三维币 +3 收起 理由
wuling + 3 发表讨论话题并积极参与

查看全部评分

发表于 2007-4-17 15:29:09 | 显示全部楼层 来自: 中国浙江台州
我觉得各位朋友以后如果再有此类问题就请上传来供大家讨论,此类讨论对提问者和回复者以及流览贴子的朋友都有帮助。相互学习共同进步!!!呵,呵,有机会我一定会积极参与的。
发表于 2007-4-17 16:05:54 | 显示全部楼层 来自: 中国北京
5楼说的有道理.我支持你
发表于 2007-4-17 20:46:12 | 显示全部楼层 来自: 中国山东济南
楼住的图纸实在看不清楚 不过从3楼的图片看 M60*2应该有退刀槽

评分

参与人数 1三维币 +3 收起 理由
blackbird + 3 技术讨论

查看全部评分

 楼主| 发表于 2007-4-17 21:05:44 | 显示全部楼层 来自: 中国福建南平
原帖由 zxfjxd113 于 2007-4-17 20:46 发表 http://www.3dportal.cn/discuz/images/common/back.gif
/ K  w0 y( Y' d4 G* G楼住的图纸实在看不清楚 不过从3楼的图片看 M60*2应该有退刀槽
4 V- z& O! ], L3 w
谢谢提示,但是这个尺寸我也想过退刀槽,为了加工简单,我已经把115这个尺寸减了两毫米。还是要请教高手,这两种哪个更合适?
4 K- _+ m( ?! h(退刀槽和尺寸减少)6 [! v/ P' f8 U$ c/ Q& ?6 n  c
2 @, |$ d" V# i6 p1 u6 O1 n4 W1 ]
[ 本帖最后由 zhoujd 于 2007-4-17 21:07 编辑 ]
发表于 2007-4-17 21:43:00 | 显示全部楼层 来自: 中国江苏无锡
要从尺寸上体现出加工,该图还没有做到。该零件的材质,用途,热处理等决定了它的加工工艺
发表于 2007-4-17 22:22:06 | 显示全部楼层 来自: 中国广东中山
同意楼上的说法。还有图中对轴向的尺寸为何没有给定公差,不可能所有轴向尺寸都是自由公差。另外最左端的圆螺母止退垫圈用的键槽也不应该紧连着另一段直径轴的端面。+ l7 ^) H' B8 @3 x. |

' c) E9 p8 V+ M- U[ 本帖最后由 teayang 于 2007-4-17 22:23 编辑 ]
发表于 2007-4-17 22:27:37 | 显示全部楼层 来自: 中国江苏常州
我倒是觉得这个设计有问题。
1 ~( V# C1 J! b8 J8 X& I  U. s这么大的东西不般的加工是不能保证0.03的精度的,即使用外圆磨,也较难保证。除非是用特种加工了。. r* J# Z; J* h4 I
其余的问题就是诸如楼上的那些尺寸或形位公差的小问题了。

评分

参与人数 1三维币 +3 收起 理由
blackbird + 3 技术讨论

查看全部评分

发表于 2007-4-18 00:55:11 | 显示全部楼层 来自: 中国浙江金华
都是高手啊。。。。。。
发表于 2007-4-24 16:54:47 | 显示全部楼层 来自: 中国四川成都
最起码的剖面各剖视有区别
发表于 2007-4-26 13:50:01 | 显示全部楼层 来自: 中国广东
键的工作表面应该表面粗糙要求要更高一些吧!
发表于 2007-4-26 14:25:28 | 显示全部楼层 来自: 中国黑龙江哈尔滨

回复 #23 lovecxd 的帖子

有道理,长知识啊!以后大家多讨论啊!
发表于 2007-4-28 15:15:57 | 显示全部楼层 来自: 中国河北邯郸
别人说的不少,我认为图纸的线条层次不太好,零件的外轮廓线线宽不标准。
发表回复
您需要登录后才可以回帖 登录 | 注册

本版积分规则

Licensed Copyright © 2016-2020 http://www.3dportal.cn/ All Rights Reserved 京 ICP备13008828号

小黑屋|手机版|Archiver|三维网 ( 京ICP备2023026364号-1 )

快速回复 返回顶部 返回列表