QQ登录

只需一步,快速开始

登录 | 注册 | 找回密码

三维网

 找回密码
 注册

QQ登录

只需一步,快速开始

展开

通知     

查看: 3441|回复: 15
收起左侧

[讨论] 关于液压马达进出口油压的问题

[复制链接]
发表于 2007-4-20 17:05:08 | 显示全部楼层 |阅读模式 来自: 中国上海

马上注册,结识高手,享用更多资源,轻松玩转三维网社区。

您需要 登录 才可以下载或查看,没有帐号?注册

x
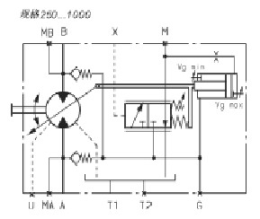
我们厂操作机上的一台油马达,连接齿轮箱带动夹钳旋转,马达是力士乐产品,型号是A6VM250HD! e2 \0 D) B0 k8 v% g" q
我想问的是,马达的进口压力(即工作压力)比马达出口压力要小,这种情况可能吗?而且出口压力接油箱,压力也达到了170bar左右
! ]+ y4 O7 Z7 q$ V, r3 [附件是这个阀的工作原理图,具体动作过程我有点不清楚,希望高手帮帮忙谢谢

未命名.rar

8.61 KB, 下载次数: 15

发表于 2007-4-20 18:25:27 | 显示全部楼层 来自: 中国贵州贵阳
马达出口压力不应该高于进口压力,如果低的话,马达转不起来!我想不应该,马达出口接回油箱了,怎么还能建立170bar的压力,又不就是马达出堵塞了!
发表于 2007-4-21 11:26:39 | 显示全部楼层 来自: 中国贵州贵阳
马达出口压力怎么可能高于进口压力,楼主是不是把进出油口弄反了
发表于 2007-4-21 12:03:19 | 显示全部楼层 来自: 中国上海
出口油管堵了吧,要不超速.晕!
发表于 2007-4-21 15:00:02 | 显示全部楼层 来自: 中国四川成都
马达的出口压力如果高于进口压力,马达就该反转了,如果马达是正转的,那应该是负载在带动马达旋转,即马达这时变成了油泵,所以会马达出口压力高于进口压力。需再检查一下压力表有无损坏。
* M1 w) v% \5 W* `/ F
5 H. S6 x1 E5 }- j- q[ 本帖最后由 cdxwg 于 2007-4-21 15:06 编辑 ]
发表于 2007-4-21 17:20:25 | 显示全部楼层 来自: 中国北京
1、马达不是液压泵,马达的进出油口跟马达的旋转方向有关。- e' g( b% `, Z$ d9 T% s3 `. A
  假如马达输出轴顺时针转(从轴端看),A口为进油口,B口为回油口。
' w% P5 y: O4 ]/ T( c6 X3 _4 H, @* B9 S+ Z    那么马达输出轴逆时针转(从轴端看),B口就为进油口,A口就为回油口了。
% B4 ]& p  }8 `# X3 b8 ~9 Q! e2、楼主说出口压力接油箱,压力也达到了170bar左右。
; K! M4 t( y4 \5 `  理解起来就有两种情况了:1是楼主所说170bar为此时的进口压力,这是正常的。
' |6 N2 d, Q5 s8 e( p8 j5 F              2是这170bar为出口压力,这就不正常了,因为出口接了油箱了,怎么可能还有压力?/ T1 U! x3 C- |3 M" P6 Q8 P- M" B
  
发表于 2007-4-21 17:54:11 | 显示全部楼层 来自: 中国上海
查查是不是超速,如果是负负载,楼主说的出口压力比进口压力高是可能的
发表于 2007-4-21 22:36:15 | 显示全部楼层 来自: 中国陕西宝鸡
楼主没有跟帖吗?
7 m& f4 T' i& P) ~7 M* _具体的情况可以再查看一下。主要的问题有3个:
: C. ?: j9 h# J) J. T1.马达是否超速了?
+ L! Q! B& o3 h* x" U8 t1 C7 L2.马达的旋转方向是否正确?4 l0 w5 Q' S$ B
3.压力表是否损坏?& X% x, I# J/ X" \
如果这些都没有问题,请检查马达后段管路,看是否存在堵塞。
 楼主| 发表于 2007-4-21 23:07:00 | 显示全部楼层 来自: 中国上海
谢谢大家% j2 W+ q3 Q$ z2 ^, N
操作机上无压力表,我是在操作室的显示器上看到的数据,上面显示和油泵相连的马达油口压力确实小于马达出口压力,而且就算是换向阀改变工作位置,马达两个口的压力都是维持在170~200bar左右
. A' B2 R& q1 y9 c- d+ v& X还有我想问一下,什么是马达的超速?为什么会导致出口压力大于进口压力?
: v8 S0 m9 Z  ]$ s3 m关于那个马达的具体工作原理哪位愿意给我讲解一下吗?谢谢了
 楼主| 发表于 2007-4-23 19:18:21 | 显示全部楼层 来自: 中国上海
会不会是因为马达停止转动时,由于惯性作用,此时马达的作用就类似于泵,在原来的出油口产生高压,还可以起到压力制动的效果,不知道这样分析对不对
发表于 2007-4-29 19:59:26 | 显示全部楼层 来自: 中国北京
图也要下载?用流量吗?
发表于 2007-5-3 09:17:20 | 显示全部楼层 来自: 中国福建三明
马达出口压力怎么可能高于进口压力,你的是什么马达
发表于 2007-5-4 05:43:00 | 显示全部楼层 来自: 中国安徽合肥
赞同8楼的,另再看一下压力表是否接错.
发表于 2007-8-29 08:49:03 | 显示全部楼层 来自: 中国山东济南
我先给贴个图( u/ c( c# V7 d* q; }8 c
未命名.JPG
发表于 2010-7-8 22:33:48 | 显示全部楼层 来自: 中国四川德阳
学习了,有用的东西
发表于 2010-7-9 17:42:32 | 显示全部楼层 来自: 中国湖南长沙
学习一下。。老大们继续
发表回复
您需要登录后才可以回帖 登录 | 注册

本版积分规则


Licensed Copyright © 2016-2020 http://www.3dportal.cn/ All Rights Reserved 京 ICP备13008828号

小黑屋|手机版|Archiver|三维网 ( 京ICP备2023026364号-1 )

快速回复 返回顶部 返回列表