QQ登录

只需一步,快速开始

登录 | 注册 | 找回密码

三维网

 找回密码
 注册

QQ登录

只需一步,快速开始

展开

通知     

全站
6天前
查看: 2085|回复: 2
收起左侧

[讨论] 发个练习大家做下!(每周一题的附加题,哈哈)

[复制链接]
发表于 2007-4-28 15:52:07 | 显示全部楼层 |阅读模式 来自: 中国北京

马上注册,结识高手,享用更多资源,轻松玩转三维网社区。

您需要 登录 才可以下载或查看,没有帐号?注册

x
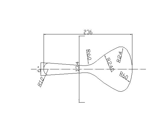
大幅度.JPG
& g4 \0 Z& ]  d; P不好意思!!!少个尺寸哦,右端最大轮廓值是90啊2 j1 b! m' i, n+ @  f
: I1 Y. I1 r5 `9 A
[ 本帖最后由 qinjiaqing 于 2007-4-28 15:53 编辑 ]

评分

参与人数 1三维币 +5 收起 理由
blackbird + 5 发起讨论!

查看全部评分

 楼主| 发表于 2007-4-28 16:44:08 | 显示全部楼层 来自: 中国北京
解题还真快啊!佩服啊,看来大家都在三维网练的不错啊。
0 L* _6 W0 X# q5 \( T+ v这是我第一次帖子被评分,嘿嘿真高兴哦。大家以后都多发好贴共同进步哦
发表于 2008-12-3 12:49:36 | 显示全部楼层 来自: 中国江苏苏州
老题,复习一下。
未命名.JPG

评分

参与人数 1三维币 +5 收起 理由
2005llnn + 5 很好

查看全部评分

发表回复
您需要登录后才可以回帖 登录 | 注册

本版积分规则


Licensed Copyright © 2016-2020 http://www.3dportal.cn/ All Rights Reserved 京 ICP备13008828号

小黑屋|手机版|Archiver|三维网 ( 京ICP备2023026364号-1 )

快速回复 返回顶部 返回列表