QQ登录

只需一步,快速开始

登录 | 注册 | 找回密码

三维网

 找回密码
 注册

QQ登录

只需一步,快速开始

展开

通知     

查看: 7552|回复: 24
收起左侧

[已解决] 哪位能给我讲一下这个程序(单按钮启停电机)

 关闭 [复制链接]
发表于 2007-5-25 22:56:34 | 显示全部楼层 |阅读模式 来自: 中国河北邢台

马上注册,结识高手,享用更多资源,轻松玩转三维网社区。

您需要 登录 才可以下载或查看,没有帐号?注册

x
这是一个单按钮控制电机启停的梯形图与控制程序,哪位能给我讲它的工作过程。先谢了。(我对PLC认识很肤浅,说的详细点)- f& z6 a2 k5 F+ S, V$ L! _

( ^' u3 C+ X) Z" Z[ 本帖最后由 bdblbyq 于 2007-7-17 22:15 编辑 ]
未命名.JPG
发表于 2007-5-26 18:02:44 | 显示全部楼层 来自: 中国辽宁大连
NJLUHC网友 在这又遇到你,缘分啊。1 a  N8 @+ k; D5 a% F
可以将这个梯形图转化普通逻辑电路,进行分析是一样的,当按钮X0按下时Y0得电,如果松开X0按钮时,X0常开点断开,X0常闭点没及时闭合,Y0就会断电,所以这个回路
! K  B6 p: ^  wX0常闭点下应该并联R0常闭点进行自锁才行。

评分

参与人数 1三维币 +5 收起 理由
bdblbyq + 5 应助

查看全部评分

 楼主| 发表于 2007-5-27 16:49:47 | 显示全部楼层 来自: 中国河北邢台
谢楼上的网友。
( e( }5 c& Q: r' S2 ?: v+ v5 R0 w按你的说法,这个图是存在问题了,可我这是从一本教材上复制下的图,另外楼主能否提供类似的图,并给我详细讲解一下,可以吗?在此先谢了。
发表于 2007-5-27 19:30:30 | 显示全部楼层 来自: 中国辽宁大连
其实我对PLC认识也很肤浅。用语言说清廷麻烦。
& j" M: q: Q( _' \1 g. Splc 指令系统与普通继电器控制一个区别是,plc 指令系统是顺序执行的,普通继电器控制是并行的。
( _) |3 d- H$ ~2 u$ u% @8 p8 \按按钮时,按钮 的常闭点先断开,之后常开点闭合。
% \  v. K* W& k, J9 K$ I! I, r第二行X0常闭点下应该并联R0常闭点进行(假设为2.5行),第四行X0常开点下并联Y0常开点(假设为5.5行)自锁才行,
4 k1 o. ?7 v( J8 k0 b6 Z/ n
: f2 a4 ]/ H% L- a第一次按钮X0按下时  Y0线圈得电,电机旋转,第二行的Y0常开触点闭合,与我加的那个R0常闭点相连,构成X0按钮的自锁点,这时你可以将X0按钮松开,电机依然旋转,如果没有我加的那个R0常闭点,你将X0按钮松开后,电机就停了。4 K5 @" a: K0 M. U% P; F4 Q
第一次松开X0时,靠第2行X0常闭点和第2行Y0触点维持Y0线圈自锁,同时R0闭合0 T: N: [- M/ l0 k& ]
第二次按钮X0按下时  2行的X0常闭点断开,Y0线圈断开,电机停
$ G7 r5 w2 k* r第二次按钮X0松开时  R0线圈断开,电路复原  准备下一次

评分

参与人数 1三维币 +10 收起 理由
bdblbyq + 10 继续应助

查看全部评分

 楼主| 发表于 2007-5-28 09:29:13 | 显示全部楼层 来自: 中国河北邢台
谢谢你的帮助,可是教材上的课件真的有问题吗?
发表于 2007-5-28 10:48:18 | 显示全部楼层 来自: 中国福建南平
其实一键启停有很多方法
Capture-1.jpg
Capture-2.jpg
Capture-3.jpg

评分

参与人数 1三维币 +15 收起 理由
bdblbyq + 15 应助

查看全部评分

发表于 2007-5-28 14:04:12 | 显示全部楼层 来自: 中国广东中山
编程方法有很多种,但首先一定要搞清楚自己用的是什么编程工具,编程语言的使用虽然有的是一样,但也有不尽相同的,像#6楼用的应该是三菱的GX,但有的人没用过,就不清楚你程序里面的PLS ,ALTP是什么来着,结果就是 然后就是找你麻烦

评分

参与人数 1三维币 +3 收起 理由
bdblbyq + 3 鼓励参与技术讨论和应助!

查看全部评分

 楼主| 发表于 2007-5-30 12:26:31 | 显示全部楼层 来自: 中国河北邢台
按奥凯网友说得,我画了一下,现在能理解了,不过能给我说一下具体的程序吗?多并一对触点就不知怎么编程了。
发表于 2007-5-30 19:24:58 | 显示全部楼层 来自: 中国辽宁大连

回复 #8 NJLUHC 的帖子

我只用过OMRON和三菱的,你的是哪家公司的?我不熟悉其指令,仿照写一下:
2 I. W( P& a9 Y) J5 r4 MST   X0
$ ]2 L; y" H$ F, {AN/  R0' x3 F8 G' q& ]
ST/  X05 Z- |7 I. k* o3 x# F2 ~
OR/  R05 `) C; `0 h3 ?
AN   Y0
" I& [; V+ a" F+ L$ M, V+ C$ Q, _' TORS
4 O, k# v/ m" L+ M7 S% ?OT  Y0
; r  E- g( r( k( |( j( HST/  X0 0 B" a4 D3 A3 j9 u3 e7 l
AN   Y03 ^" d$ z& E; E( n4 C% i3 p; Y
ST    X0: }) g+ r! Q6 m. w
OR   Y0
. P$ o- s, c0 w* j. K5 D3 p/ D9 z5 [AN    R0
( V& @0 w3 w* j. c' i) ZORS; t6 y1 N" h" u4 |+ g6 n
OT  R05 ]2 ?+ `" \% C% b
ED
% G, t% H9 B' J0 l9 W/ \9 Q  _2 N
4 q3 a5 u9 D5 I) W* H, ?OR      OR/    代表触点并联      不知其指令代码是不是OR。请NJLUHC先生将两个程序 输入plc中  ,模拟试一下,最好能反馈一下
. J5 l7 k2 K' C$ a6 x# j/ Z8 ^4 x9 P3 v* ^# i# v
[ 本帖最后由 奥凯 于 2007-5-30 19:39 编辑 ]

评分

参与人数 1三维币 +10 收起 理由
bdblbyq + 10 应助

查看全部评分

 楼主| 发表于 2007-5-31 07:56:47 | 显示全部楼层 来自: 中国河北邢台
多谢奥凯网友,我现在是学习,还没有实际应用,我的学习材料是松下的,你编的程序与我想象的一样,谢谢你。
* G; F3 m' H+ X- M2 ]$ h! _1 O% D  h3 }- n7 E1 T9 K: ^
[ 本帖最后由 NJLUHC 于 2007-5-31 08:00 编辑 ]
发表于 2007-6-2 07:31:20 | 显示全部楼层 来自: 中国湖北十堰
其实楼主的程序是没有任何问题的,这是教材中最普遍采用的单按钮电路,适用与任何PLC,只要修改相应地址就可以适应。其它的单按钮程序通常只适用与本品牌的PLC,至于控制原理是利用了PLC扫描原理,既扫描是从上向下扫描,前面的信号动作时后面的由于没有扫描而不动作。这种控制方式是与普通继电器控制电路不能实现的!

评分

参与人数 1三维币 +5 收起 理由
bdblbyq + 5 鼓励参与技术讨论、应助!

查看全部评分

发表于 2007-6-2 07:49:33 | 显示全部楼层 来自: 中国山西晋中
都是高手   向高手学习啊
发表于 2007-6-2 14:44:20 | 显示全部楼层 来自: 中国
11楼说的对,因此就会有给输入强行赋值的用法!
 楼主| 发表于 2007-6-2 14:54:40 | 显示全部楼层 来自: 中国河北邢台
11楼的朋友能给我们讲一下哪个程序的工作过程吗?感觉哪个图确实不太对,所以觉得奥凯网友的挺有道理。现实又不允许我们买个PLC的试一下。
发表于 2007-6-2 19:44:49 | 显示全部楼层 来自: 中国辽宁葫芦岛
Snap4.jpg + ]' E3 t  y% z# Z/ G4 o% I
刚才我用三菱PLC了试一下两个程序,两个程序均能实现,以前我用普通继电器用我的那个程序试验过,能实现,用NJLUHC 网友程序没试过。
% G) R- v/ l- D) x4 hzscdy 的图怎样帖上去的?我的不清楚。
6 J* _. o2 M! H5 }0 p/ v# k& a/ V+ o$ p' b
[ 本帖最后由 奥凯 于 2007-6-2 19:50 编辑 ]

评分

参与人数 1三维币 +5 收起 理由
bdblbyq + 5 鼓励参与技术讨论、应助!

查看全部评分

 楼主| 发表于 2007-6-4 17:04:02 | 显示全部楼层 来自: 中国河北邢台
谢奥凯网友,你能用两程序都做了试验,你能告诉我你用的PLC的型号与技术参数及它的市场价格吗?哪你能就我哪个程序给我讲解一下它的工作过程吗?
发表于 2007-6-17 15:24:54 | 显示全部楼层 来自: 中国山东烟台
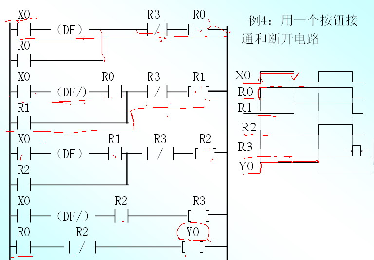
这是在一个教材上看到的,参考一下。这个是用一个脉冲的上升沿和下降沿,没有楼主的简单。
用一个按钮接能和断开电路.jpg
发表于 2007-6-17 15:28:02 | 显示全部楼层 来自: 中国山东烟台
原帖由 奥凯 于 2007-5-30 19:24 发表 http://www.3dportal.cn/discuz/images/common/back.gif
- i$ T* @% j# z4 W7 p6 ~+ n我只用过OMRON和三菱的,你的是哪家公司的?我不熟悉其指令,仿照写一下:
% Z# a2 n+ r5 s0 j3 s3 wST   X0
  U) R8 R2 B9 E8 r& n' g& Z5 yAN/  R0
9 [, v+ P: P, S& [# E. rST/  X0
2 [% P7 |" u2 i8 |$ EOR/  R0; X# e) z& [$ A/ i  w1 q# h3 z
AN   Y0* ?' b7 b& [, x6 j$ \, N# ]5 z
ORS
0 P: z+ L/ r+ o! t/ d, wOT  Y0
. m: L* \! X1 e, @5 a  EST/  X0
- Y; k8 j+ K  Y4 w$ n1 hAN   Y0
' Z' M) F2 _) ]5 CST    X0
( u: t1 s+ t/ i7 Q3 M( m9 s4 n( {' @OR   Y0( J* i& p, \  H7 Q
AN    R0
4 J; H# S+ A6 H8 h  qORS; D( p3 w. Y9 t$ k
OT  R0
4 C! D$ o( v, \9 C8 ^ED7 |' h. C7 y- f$ D- l
' P% f$ R% I/ J5 E" j  x
...

+ f/ z6 o. K+ l) Z5 _5 `7 U/ M4 v9 x这些在图片带着了,还用仿照写吗,抄下来就行了。
发表于 2007-6-17 15:38:50 | 显示全部楼层 来自: 中国山东烟台
原帖由 奥凯 于 2007-5-26 18:02 发表 http://www.3dportal.cn/discuz/images/common/back.gif
4 L1 v! F- c- f* B- Z$ {( e$ YNJLUHC网友 在这又遇到你,缘分啊。6 k! k8 F( n! o1 B% k
可以将这个梯形图转化普通逻辑电路,进行分析是一样的,当按钮X0按下时Y0得电,如果松开X0按钮时,X0常开点断开,X0常闭点没及时闭合,Y0就会断电,所以这个回路
. I$ y( r3 d8 g/ C2 C8 FX0常闭点 ...
" ?2 C7 S* a9 I, ?) n
在PLC中的触点非“1”即“0”,你说的X0常闭点没及时闭合是说PLC中的触点还有第三种状态,能说明一个吗?
发表于 2007-6-17 16:20:57 | 显示全部楼层 来自: 中国山东烟台
松下PLC常用指令:
* n* Y+ ^" I" MST:以常开触点从母线开始逻辑运算。
: F5 X' z4 G) J% \- `' p6 JST/:以常闭触点从母线开始逻辑运算。, Y, q: a' c8 O. n, \/ h( r
OT:将运算结果送到指定的输出口。
' O7 F- f. R" l! a; C4 I0 a/:将到达该指令处的运算结果求反。+ e0 F# X3 |: {8 ^, K  [% n8 H
AN:串联一个常开触点。
7 C% S2 k2 Q. ]6 [AN/:串联一个常闭触点。5 u' T, z; h! D, S: {- k( p
OR:并联一个常开触点。5 ?; r  z$ {/ l$ \
OR/:并联一个常闭触点。9 a/ \- t% Z4 M6 y: w
ORS:将多个指令块并联。
, k: a) G$ ^1 m- ?ANS:将多个指令块串联。对照图上的语言多看看就能找到规律,以后就看着梯形图写就行了。
发表于 2007-6-20 09:57:17 | 显示全部楼层 来自: 中国辽宁沈阳
有些时候,看这样的程序和看书本差不多,如果没有动手实践的话,我想有些东西是理解不上去的,如果你有实践去试一下,那么所有的问题都会迎刃而解,像楼主所说的问题也不会存在。3 W) ^7 s6 @, B* a5 R& s/ v
* t, G  w- w" H. Q- |7 L
我刚学PLC的时候,就是拿着操作手册对PLC,一点点的试验效果,练出来的!
9 z- U1 k& e7 X8 S% o9 y  v; i3 \- ~+ Z! D3 ^1 O( W3 _
建议自己动手!
发表于 2007-6-27 01:52:48 | 显示全部楼层 来自: 中国江苏无锡
X0为输入 R0为输出 当X0接通时 Yo为ON' e0 A4 m$ v, [/ h7 b
下一个周期 Y0动合触点闭合 为自锁和 R0 为ON作好准备' v+ [8 ]3 v5 F5 ^2 \; I
XO接通后 然后断开 . Z* ^# ^" C" i% }, Z3 s! w
Y0继续为ON (自锁)6 k7 p2 W# `& {4 o3 a! P
R0这时就为ON+ D: N; m4 N) O6 h* E, E  G
下一个周期 R0的动合触点就闭合 为Y0断开作好准备: @4 O$ ?, b% x( y( Q1 v0 P  `
X0再次接通 Y0为OFF- R1 o4 |( B+ I' F
此时R0继续为ON5 F# z+ j% F* p6 V3 e$ C
X0接通后断开
) I; l. A- ^9 `& A此时R0就为OFF了

评分

参与人数 1三维币 +3 收起 理由
bdblbyq + 3 鼓励参与技术讨论、应助!

查看全部评分

发表于 2007-7-16 19:18:04 | 显示全部楼层 来自: 中国上海
建议使用时序图分析,自然就解决了
发表于 2007-7-16 19:58:20 | 显示全部楼层 来自: 中国江苏扬州
电控这东西我也向学呀!
发表于 2007-7-17 20:48:02 | 显示全部楼层 来自: 中国广东肇庆
确实是经典的单键启停程序,我做了它的状态图表,不对请指正.* i) V- S$ d% Q% d
tt.JPG
0 z; g' P: U8 F* @: X% ?6 N& x- b
$ S+ t/ G' i0 D' l$ T  R[ 本帖最后由 bigbear_1992 于 2007-7-17 20:50 编辑 ]

评分

参与人数 1三维币 +5 收起 理由
bdblbyq + 5 应助

查看全部评分

发表回复
您需要登录后才可以回帖 登录 | 注册

本版积分规则


Licensed Copyright © 2016-2020 http://www.3dportal.cn/ All Rights Reserved 京 ICP备13008828号

小黑屋|手机版|Archiver|三维网 ( 京ICP备2023026364号-1 )

快速回复 返回顶部 返回列表