QQ登录

只需一步,快速开始

登录 | 注册 | 找回密码

三维网

 找回密码
 注册

QQ登录

只需一步,快速开始

展开

通知     

全站
8天前
查看: 1603|回复: 1
收起左侧

[已解决] 液压缸做缓冲装置时,缸内压力峰值如何计算??

[复制链接]
发表于 2007-6-8 16:54:32 | 显示全部楼层 |阅读模式 来自: 中国天津

马上注册,结识高手,享用更多资源,轻松玩转三维网社区。

您需要 登录 才可以下载或查看,没有帐号?注册

x
如题,哪位高手知道液压缸作为缓冲装置时,当承受大小为F的冲力,冲击速度为V时,其内部压力峰值如何计算??
 楼主| 发表于 2007-6-8 17:02:46 | 显示全部楼层 来自: 中国天津
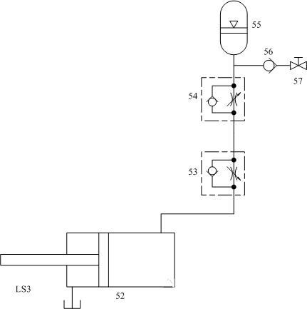
简图: 绘图2.jpg 3 |5 L& `1 H  n3 S0 j- N9 n
图中蓄能器同时起到缓冲和蓄能两个作用。
* \! z+ f- r+ t  f" E1 ?; t2 J因为查阅蓄能器的有关资料,未找到直接作为缓冲大型冲击力的例子,因此哪位高手知道蓄能器的容积选取和压力峰值计算方法,还望指教!!!谢谢!!
发表回复
您需要登录后才可以回帖 登录 | 注册

本版积分规则


Licensed Copyright © 2016-2020 http://www.3dportal.cn/ All Rights Reserved 京 ICP备13008828号

小黑屋|手机版|Archiver|三维网 ( 京ICP备2023026364号-1 )

快速回复 返回顶部 返回列表