QQ登录

只需一步,快速开始

登录 | 注册 | 找回密码

三维网

 找回密码
 注册

QQ登录

只需一步,快速开始

展开

通知     

查看: 7102|回复: 25
收起左侧

[讨论] 插装阀控制原理?/

[复制链接]
发表于 2007-6-9 14:41:27 | 显示全部楼层 |阅读模式 来自: 中国江苏徐州

马上注册,结识高手,享用更多资源,轻松玩转三维网社区。

您需要 登录 才可以下载或查看,没有帐号?注册

x
插装阀原理
发表于 2007-6-12 11:33:01 | 显示全部楼层 来自: 美国
力平衡.受力分析就知道了.一定要10个字节
发表于 2007-6-12 12:39:56 | 显示全部楼层 来自: 中国北京
原帖由 jf_241 于 2007-6-12 11:33 发表 http://www.3dportal.cn/discuz/images/common/back.gif$ ~1 r! `: N) e8 ~* z. K
力平衡.受力分析就知道了.一定要10个字节

# T$ c- W2 Z9 R, V( _一定要10个字节????
6 f, J% x; @& h! L建议楼主先查一下相关资料或样本,再来说详细点
发表于 2007-6-12 20:01:58 | 显示全部楼层 来自: 中国山东济南
最基础的说法就是插件上下的受力关系* n2 q* U* z) s8 R$ X& [
下面的力大于上面的力,打开$ @$ \( K9 ^7 h5 e, }$ b6 W8 Q
反之,关闭
3 B* f% s' M2 S: k1 L4 O8 T: q. ~这个一般讲液压的书上都应该有
. g1 k& |' D: g: v: D! Wlz可以自己找一下% b9 u( b( _" o# G, Z. ?% P: Q' d1 E
/ Q8 [! d, b7 V/ c* r
[ 本帖最后由 cn_young 于 2007-6-12 20:03 编辑 ]
发表于 2007-6-13 09:28:21 | 显示全部楼层 来自: 中国河北沧州
根据阀芯的受力情况确定阀芯的通断,关键是该阀芯的通流能力大.

评分

参与人数 1三维币 +2 收起 理由
江边 + 2 鼓励参与技术交流

查看全部评分

发表于 2007-6-13 14:16:26 | 显示全部楼层 来自: 中国四川成都
插装阀 大致可分为:方向,压力,流量等阀,不同的阀有不同的控制原理,如方向阀有些具有逻辑互锁功能,对于插装阀 工作原理太宽了!
发表于 2007-6-13 20:19:39 | 显示全部楼层 来自: 中国北京
同意楼上的说法,楼主的问题范围太宽了
发表于 2007-6-14 11:04:12 | 显示全部楼层 来自: 中国河北邢台
建议楼主将下面链接里的有关知识先学习一下。
0 I' m9 i3 O' g) a6 |% O相关链接:http://www.3dportal.cn/discuz/se ... mp;searchsubmit=yes
发表于 2007-6-14 20:03:35 | 显示全部楼层 来自: 中国湖北武汉
自己本科论文与此相关,呵呵,所以对插装阀的定义和作用有一些了解# }. @" K: z, E; T3 q3 G3 h

; y8 u) p! c0 y3 N) d. i; S4 Q插装阀在西欧最初叫做“流体逻辑元件”、“液压逻辑阀”、“座阀式方向阀”,后根据德国制定的标准DIN24342统一叫做“二通插装阀”,简称2-wev(2-wegeeinbauvitie)阀。英文简称“插装阀”,即CV(cartridge valves)阀。我国由于译名与理解的原因,叫法很多,有锥阀、逻辑阀、插入阀等。1981年由液压气动标准化委员会审定有关标准,为与国际标准接轨,定名为:二通插装阀,简称“插装阀”。
4 e8 M* U3 T! o3 m0 @. j% `8 E, j: K2 F" Z/ D8 a2 g3 \
:lol: :lol:
发表于 2007-6-14 20:09:49 | 显示全部楼层 来自: 中国湖北武汉
    一个二通阀有两种工作状态,即改变控制油腔压力就能改变阀的开启和闭合,就可以实现A、B腔的通断。; L$ n5 Z. k4 d! |: [9 D7 t
用两个方向阀插入元件可以组成一个三通换向阀的主阀,其工作原理如图3-2。其中插入元件1作为进油阀,2作为回油阀,A接往负载或液压缸。通过控制插入元件1和2的启闭可以实现4种不同的工作状态,它相当于一个四位三通的换向阀。1 u3 s$ n  a8 v0 r! a3 K8 [8 k0 E

" `+ j% E  W( z& D2 a[localimg=400,137]3[/localimg]
% d; [! u$ U9 X+ q$ _0 E图3-2
! ~8 R' z6 n1 C) G三通换向阀主级
4 b: t/ W+ e8 a) J
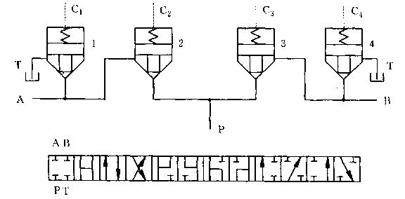
将两个三通阀组合起来,亦即用4个插入元件,加上相应的控制盖板和先导阀就可以组成一个四通换向阀。其工作原理见图3-3,通过控制这4个插入元件的启闭可以获得12种工作机能。例如全部关闭,P、T、A、B全不通,系统不卸荷,液压缸锁紧;全部开启,P、T、A、B全通,系统卸荷,液压缸前进。
( l7 G$ D- P3 N9 H. T' ?' C4 L' v! ?' p6 Y; V0 @
[localimg=400,198]4[/localimg]; G1 `3 l! B5 L  Z! O% T3 X
图3-3
" G7 r' }* N0 `" l四同换向阀主级
& X) l' a. M1 N- w
这里可以看出,用二通插装阀组成的四通换向阀的一个显著的优点就是一个阀就能实现许多传统四通滑阀才具有的工作机能。但由于二通插装阀的结构所限,传统滑阀中常用的P、T通的M型机能不能实现。
发表于 2007-6-14 20:53:46 | 显示全部楼层 来自: 中国湖北武汉
图如下所示
1.JPG
2.JPG
发表于 2007-6-21 12:33:44 | 显示全部楼层 来自: 美国
二通插装阀控制原理中最重要的一个就是“液阻理论”。你可以找找上海704研究所黄仁豪先生(液压界的老前辈)写的二通插阀的控制与应用。还有就是在新的机械设计手册上也有一部分可以学习。另外可以找上海海岳公司(704研究所的液压公司)或者是上海航海仪器厂的样本,里面有一点,对于一般的应用是够了。如果还要进行更深研究的话,还是找黄老先生写的文章比较好。
4 ^# k; N" V0 ~
4 w! _# R, m3 L9 b# O1 s附件是液阻理论的文章,可惜的是里面的插图都没有,所以还是要结合上海海岳公司的样本来看。9 D- ~. w  o/ p; f, i( ~

) t. o2 \0 `8 R8 \) y[ 本帖最后由 tyzhi222 于 2007-6-21 13:05 编辑 ]

液阻理论.rar

14.41 KB, 下载次数: 43

发表于 2007-6-26 19:07:13 | 显示全部楼层 来自: 中国浙江宁波
正好在找插装阀的东西..受教了
发表于 2007-6-27 15:56:40 | 显示全部楼层 来自: 中国北京

很好

学习学习!再向你们请教!!!
发表于 2007-6-29 22:56:46 | 显示全部楼层 来自: 中国山东济南
看一下济南天成的样本!一切都OK了!
发表于 2007-8-17 12:39:34 | 显示全部楼层 来自: 中国江苏无锡
学习了。太好啦。希望再深入些就好了。
发表于 2007-8-17 13:47:01 | 显示全部楼层 来自: 中国江苏无锡
其实就是Pa+Aa和PcAc+Fs的大小比较
, Q7 s2 R; N3 A) q( M, t好好看看书吧
发表于 2008-12-22 22:11:18 | 显示全部楼层 来自: 中国山西太原

呵呵

新手  不太懂啊
发表于 2009-9-24 18:04:14 | 显示全部楼层 来自: 中国广西北海
yhjjyhjghjhj
发表于 2009-9-24 18:05:13 | 显示全部楼层 来自: 中国广西北海
tytytryrttryrtyr
发表于 2010-12-2 00:18:09 | 显示全部楼层 来自: 中国广东中山
xie xie!  xie xie!
发表于 2010-12-3 08:34:21 | 显示全部楼层 来自: 中国上海
所指应该是盖板式插装阀,不是螺纹插装阀把。推荐你看看《液压识图》,简单易懂,深入浅出。
发表于 2010-12-4 22:10:46 | 显示全部楼层 来自: 中国山东滨州
一般的液压换向阀都是开关阀,插装阀就相当于一个开关,插装阀的组全就相当于各种换向阀,优点是流量大,缺点是复杂
发表于 2010-12-4 23:42:01 | 显示全部楼层 来自: 中国云南玉溪
实际就像电气的0和1,关键是什么控制了0和1的翻转,所以引申出压力控制的、方向控制的、流量控制等等二通插装阀,当然还有比例控制的。
发表于 2010-12-5 08:26:38 | 显示全部楼层 来自: 中国辽宁
个人感觉插装阀就是比常规阀通流量加大了,功能方面常规阀级有的糨也基本都有(就是通径大)。
发表回复
您需要登录后才可以回帖 登录 | 注册

本版积分规则


Licensed Copyright © 2016-2020 http://www.3dportal.cn/ All Rights Reserved 京 ICP备13008828号

小黑屋|手机版|Archiver|三维网 ( 京ICP备2023026364号-1 )

快速回复 返回顶部 返回列表