QQ登录

只需一步,快速开始

登录 | 注册 | 找回密码

三维网

 找回密码
 注册

QQ登录

只需一步,快速开始

展开

通知     

查看: 2211|回复: 2
收起左侧

[讨论结束] 这是如何实现相序检测的请大家指教

 关闭 [复制链接]
发表于 2007-6-20 20:31:32 | 显示全部楼层 |阅读模式 来自: 中国山东烟台

马上注册,结识高手,享用更多资源,轻松玩转三维网社区。

您需要 登录 才可以下载或查看,没有帐号?注册

x
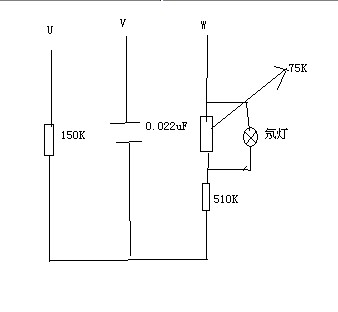
1.jpg
2 o1 J2 O$ S& t3 k& w$ m- J% N; q这是个简单检测三相电相序的电路图5 R# ^% D  [6 A  F, B
是师傅给的!我不知道其中的原理,请大家指点!谢谢!~6 p5 q, P4 ~' h8 H
5 Y* t( c0 K1 r9 R3 J$ q
[ 本帖最后由 tzb205 于 2007-6-21 17:39 编辑 ]

评分

参与人数 1三维币 +5 收起 理由
yqwfk + 5 优秀求助!

查看全部评分

头像被屏蔽
发表于 2007-6-20 23:48:51 | 显示全部楼层 来自: 中国湖北荆门
提示: 作者被禁止或删除 内容自动屏蔽
 楼主| 发表于 2007-6-21 17:41:29 | 显示全部楼层 来自: 中国山东烟台
谢谢楼上的!昨天由于匆忙没说清楚这个电路用来检测三相电相序!如果相序正确则氖灯点亮如果相序不正确则不亮!请问是怎么实现的?
发表回复
您需要登录后才可以回帖 登录 | 注册

本版积分规则


Licensed Copyright © 2016-2020 http://www.3dportal.cn/ All Rights Reserved 京 ICP备13008828号

小黑屋|手机版|Archiver|三维网 ( 京ICP备2023026364号-1 )

快速回复 返回顶部 返回列表