QQ登录

只需一步,快速开始

登录 | 注册 | 找回密码

三维网

 找回密码
 注册

QQ登录

只需一步,快速开始

展开

通知     

全站
6天前
查看: 4637|回复: 3
收起左侧

[练习题] cad基本功能练习图,比较简单适合初学入门

[复制链接]
发表于 2007-7-4 09:48:24 | 显示全部楼层 |阅读模式 来自: 中国广东中山

马上注册,结识高手,享用更多资源,轻松玩转三维网社区。

您需要 登录 才可以下载或查看,没有帐号?注册

x
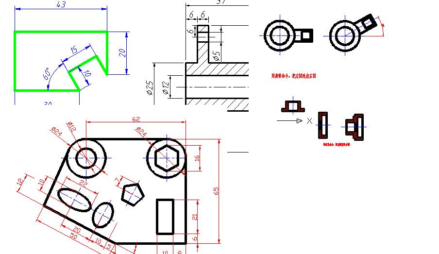
cad基本功能练习图,比较简单适合初学入门,hehe,我自己的培训资料,这两个月用的哦1 I0 L% M4 |5 e; E, g% |0 t5 N

+ _8 g3 S% r, W% v' F[ 本帖最后由 haludyi 于 2007-7-4 15:27 编辑 ]
未命名.JPG

基本功能练习图.rar

955.11 KB, 下载次数: 439

发表于 2007-7-19 21:33:01 | 显示全部楼层 来自: 中国辽宁沈阳
感谢楼主把这么好的培训资料上传,比较适合我们这些新手.
发表于 2012-8-21 17:47:27 | 显示全部楼层 来自: 中国安徽滁州
感谢楼主把这么好的培训资料上传,比较适合我们这些新手.
. ]. r8 n3 p8 s0 J4 }- N. n' [
发表于 2012-10-18 14:57:21 | 显示全部楼层 来自: 中国广东湛江
- q; V9 W% C) b4 P, y9 |
感谢楼主:):):):):)
发表回复
您需要登录后才可以回帖 登录 | 注册

本版积分规则


Licensed Copyright © 2016-2020 http://www.3dportal.cn/ All Rights Reserved 京 ICP备13008828号

小黑屋|手机版|Archiver|三维网 ( 京ICP备2023026364号-1 )

快速回复 返回顶部 返回列表