QQ登录

只需一步,快速开始

登录 | 注册 | 找回密码

三维网

 找回密码
 注册

QQ登录

只需一步,快速开始

展开

通知     

查看: 5140|回复: 32
收起左侧

[已解决] 求助,这个图用SW怎么画,我搞了很久画不出来。。。[

[复制链接]
发表于 2007-7-20 22:49:36 | 显示全部楼层 |阅读模式 来自: 中国广东广州

马上注册,结识高手,享用更多资源,轻松玩转三维网社区。

您需要 登录 才可以下载或查看,没有帐号?注册

x
求助,这个图用SW怎么画,我搞了很久画不出来。。。 内箱底板.DRF.rar (71.94 KB, 下载次数: 19)
发表于 2007-7-21 08:10:27 | 显示全部楼层 来自: 中国
这是个板金件哦,楼主
发表于 2007-7-21 09:18:59 | 显示全部楼层 来自: 中国江苏常州
可以扫描出来,楼主试试看。
发表于 2007-7-21 09:52:12 | 显示全部楼层 来自: 中国浙江杭州
画出来可以,只是不能像钣金件般做展开的,不过可以借助SW的钣金插件
3 i- E9 m- U' S  g7 q8 z0 s" N1 k1 kBLANKWORKS或3Dquickpress来展开做参考!
发表于 2007-7-21 11:43:53 | 显示全部楼层 来自: 中国台湾
這題不該有困難   :funk:
零件2.jpg
发表于 2007-7-21 11:45:28 | 显示全部楼层 来自: 中国台湾
就那嚜2個而已 :lol:
零件2.jpg
发表于 2007-7-21 11:55:30 | 显示全部楼层 来自: 中国浙江杭州

回复 #6 hidingman 的帖子

像你这样做的是不难,可难的是要做得像楼主发的图,四个角用R7过渡.
发表于 2007-7-21 12:23:19 | 显示全部楼层 来自: 中国台湾
原帖由 hahap 于 2007-7-21 11:55 发表 http://www.3dportal.cn/discuz/images/common/back.gif
7 U2 @$ j1 _% k7 D. ~& [( N像你这样做的是不难,可难的是要做得像楼主发的图,四个角用R7过渡.

5 B& r# M! A- f/ O& l+ w- B) u6 |$ U! c
鈑金件交接部份 都是用焊接來修飾 產生圓角
发表于 2007-7-21 12:25:56 | 显示全部楼层 来自: 中国浙江杭州
这不是在讲工艺呀,楼主的意思是想做成图片效果的钣金件,后做展开来确定尺寸,可我觉得这样带R角的钣金件真做不出来!
发表于 2007-7-21 19:12:11 | 显示全部楼层 来自: 中国台湾
從鈑金展開相似程度來看 該是沒問題啊
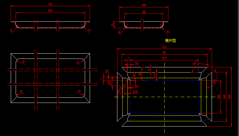
 楼主| 发表于 2007-7-21 22:18:01 | 显示全部楼层 来自: 中国广东广州
四个角必须用R7过渡,并能展开如图!!!!!
8 G. c8 r3 L6 x$ y$ |4 ?/ ]此板金件为冰箱内胆,只能烧氩弧焊后打磨,并要通过美国NSF卫生认证,因为板厚为0.6MM,要尽量完美,减小烧焊及变形,保持外形美观,请高手下载一楼CAD文件看清楚,帮助?
' Z) N$ u8 u! ~9 L; ]4 z9 m
8 ~/ C; \1 k! l( V) l! O8 }[ 本帖最后由 hyhshch 于 2007-7-21 22:32 编辑 ]
发表于 2007-7-21 22:45:50 | 显示全部楼层 来自: 中国江苏无锡

回复 #9 hahap 的帖子

你说得很对,关键是R7过渡是钣金无法做出来的,不过看楼主的说法,好象感觉上应该不光是钣金件,还有焊接件成份在里面吧!
发表于 2007-7-21 23:29:32 | 显示全部楼层 来自: 中国江苏苏州
这个应该拉伸得到的
" a  Q( T9 D' {) o焊接应该很难得到
发表于 2007-7-21 23:33:13 | 显示全部楼层 来自: 中国上海
发个教程上来吧,非常感谢
发表于 2007-7-22 08:05:36 | 显示全部楼层 来自: 中国浙江杭州
我觉得拉伸更好吧,为什么要冲出缺口后折弯,焊接后再打磨呢?
$ G! i7 M8 [5 R  `/ ]! ^3 c$ R高度只有14且R角也大,一次拉伸就好啦!个人看法.
 楼主| 发表于 2007-7-22 09:06:55 | 显示全部楼层 来自: 中国广东广州
拉伸是好啊,我们有八个型号,大大小 小,但你们考虑到模具费要多少钱吗?
发表于 2007-7-22 09:21:11 | 显示全部楼层 来自: 中国浙江宁波
真的要做到过渡顺滑
* D9 W9 J- M/ ^0 r! J( C8 Z1 k只有用曲面做# s' Y$ v8 @( N9 c2 c1 ?
再加厚
 楼主| 发表于 2007-7-22 09:49:32 | 显示全部楼层 来自: 中国广东广州
用Vertex G4 软件很容易就可做出来,但用SW我搞不出来,不知是SW钣金方面不行,还是我们不懂得用!!!
发表于 2007-7-22 11:06:14 | 显示全部楼层 来自: 中国台湾
原帖由 hyhshch 于 2007-7-22 09:49 发表 http://www.3dportal.cn/discuz/images/common/back.gif
# m9 d+ C! l" x用Vertex G4 软件很容易就可做出来,但用SW我搞不出来,不知是SW钣金方面不行,还是我们不懂得用!!!

% W+ P2 a  h, d# L+ d3 T, A1 s5 u) b
( m, P# `5 P: j' Z5 D% n既然那麼容易 那就用Vertex G4 3D實體 來看看吧  到底是何模樣" {, E, U, T  n
用你的展開圖 折回去也是缺口  根本沒有圓角過渡
test.png
发表于 2007-7-22 11:45:04 | 显示全部楼层 来自: 中国广东汕头
很想学学怎么画出来的...
发表于 2007-7-22 11:48:00 | 显示全部楼层 来自: 中国上海
先放羊,后切除,然后边线延长,
发表于 2007-7-22 13:15:09 | 显示全部楼层 来自: 中国台湾
ending test ............閃
test.png
发表于 2007-7-22 13:37:20 | 显示全部楼层 来自: 美国
还使用proe做这个东西最容易,先用实体做出来然后转换成钣金。一下子搞定。
发表于 2007-7-22 22:11:27 | 显示全部楼层 来自: 中国四川成都

回复 #22 hidingman 的帖子

按楼主的展开图根本不可能折出四角R7的钣金件。
发表于 2007-7-22 23:23:50 | 显示全部楼层 来自: 中国台湾
原帖由 fxj-99 于 2007-7-22 22:11 发表 http://www.3dportal.cn/discuz/images/common/back.gif/ u3 W+ }: w7 U8 k5 P" n
按楼主的展开图根本不可能折出四角R7的钣金件。

, M( {% q# ^* I  \+ n6 _6 P8 ~. u' \# p" \7 G6 \
  @  S) V4 P! I3 l+ X7 `9 ]# ]: N
就是 就是   :handshake
发表回复
您需要登录后才可以回帖 登录 | 注册

本版积分规则


Licensed Copyright © 2016-2020 http://www.3dportal.cn/ All Rights Reserved 京 ICP备13008828号

小黑屋|手机版|Archiver|三维网 ( 京ICP备2023026364号-1 )

快速回复 返回顶部 返回列表