QQ登录

只需一步,快速开始

登录 | 注册 | 找回密码

三维网

 找回密码
 注册

QQ登录

只需一步,快速开始

展开

通知     

全站
11天前
查看: 2733|回复: 9
收起左侧

[讨论] 力士乐A10FD马达的原理

[复制链接]
发表于 2007-7-23 17:16:48 | 显示全部楼层 |阅读模式 来自: 中国四川宜宾

马上注册,结识高手,享用更多资源,轻松玩转三维网社区。

您需要 登录 才可以下载或查看,没有帐号?注册

x
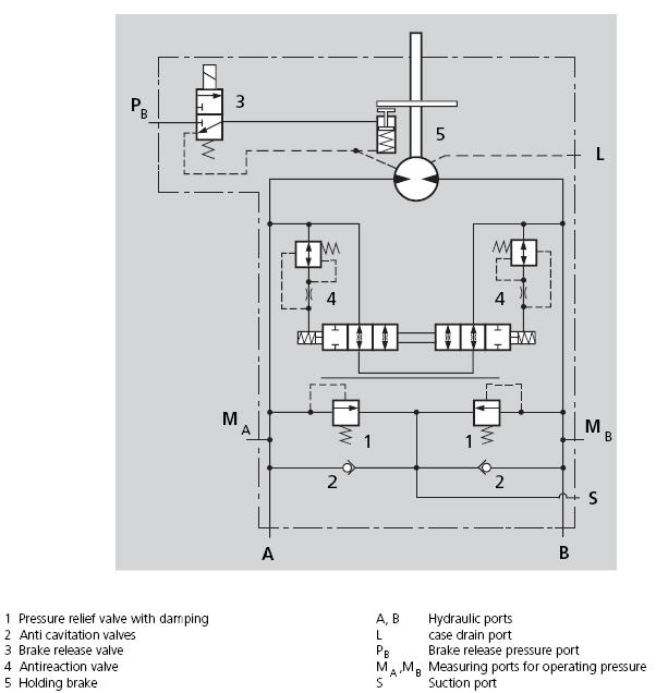
下图是力士乐A10FD马达的原理图,防反冲阀4(防止马达启动与制动时候的压力冲击\反转等)是如何工作的呢?) }- k8 K- L9 a# i2 s
pdf文件是A10FD的样本& h" {7 S0 W/ A: E( v" }) |% D6 P
# z+ {2 V7 X" `  ]! f/ E- Q$ p. K
[ 本帖最后由 lujun211 于 2007-7-23 17:18 编辑 ]
A10FD.jpg

re77204_2001-03.pdf

152.12 KB, 下载次数: 20

发表于 2007-7-23 21:38:11 | 显示全部楼层 来自: 中国浙江宁波
此液压马达一般要配合A、B口封闭的O型或M型中位机能换向阀使用,如A口进油马达转动时,当停止供油后,由于惯性的作用马达仍然会继续转动(或缓冲的需要不能立即制动,防止损坏机械部件),此时在马达的B口建立压力,之初,压力油经减压阀和阻尼的作用不足以建立足够高的压力推动阀4的阀芯完全移动到闭合工作位置,因此A、B油口之间是一种节流状态的导通,所以B口处不会马上建立高压,起到了缓冲作用,并且B口的油也回流到A口,由于泄漏的存在S口也参与了补油,防止了反转的发生;当压力足够高时阀4阀芯移动到闭合工作位置,切断了A、B口之间的导通,逐渐升高的压力使马达平缓地停止转动,此时停车制动器参与作用,机械制动,锁死马达轴的转动。

评分

参与人数 1三维币 +8 收起 理由
江边 + 8 鼓励积极参与技术交流

查看全部评分

 楼主| 发表于 2007-7-23 23:19:35 | 显示全部楼层 来自: 中国四川宜宾
写了这么一大堆花了楼上不少时间,非常感谢您的乐于助人。思路一下子就通畅多了,原来我把问题给想反了。/ w! y. Q9 U1 g  I& o9 d
现在还有几个问题:; d" S; z5 o/ i  l& g
1.启动的时候阀4是不是不起作用,直接就由A端的高压作用处于断开?减压阀前的节流孔应该主要是起阻尼的作用,增加稳定性。2 V" z. C% y5 q" o0 ?- \8 T' o- Z3 }
2.阀4处于中间的2位是不是没有实质的作用,只是与阀两端断的开2位配合而已?* \( s- D' G) v) p5 ^  G$ B
3.阀4为什么要采用机械联动,用2个断开的位和1个连通的位也可以实现同样的功能。
发表于 2007-7-24 08:06:19 | 显示全部楼层 来自: 中国浙江宁波
1、启动时应该也起作用,起到平缓启动的作用;0 l9 h" z( G6 M4 T- d# a1 h
2、3、其实你把阀4的阀芯理解成只有一个应该更合适(机械联动);纯粹的通断不能解决问题另外两个位置是一种节流导通状态,平缓的制动过程要它来实现;
 楼主| 发表于 2007-9-1 20:52:03 | 显示全部楼层 来自: 中国四川宜宾
马达的顶部剖面图如下,只有两个阀,其中一个就是单向阀
6 O' R) [* P$ Z* x  r2 j6 a' d& g另外一个是集成阀1与阀4?阀4好像也没有采用机械联动,制动时候怎么连通进出油口A、B?
8 X  I+ Z  \, K; r' `% m! J) B& e
' W$ {; i7 C& e; [  q, r[ 本帖最后由 lujun211 于 2007-9-1 21:03 编辑 ]
015.jpg

评分

参与人数 1三维币 +3 收起 理由
9619 + 3 积极参与自己的技术讨论帖

查看全部评分

发表于 2007-10-18 10:31:19 | 显示全部楼层 来自: 中国安徽铜陵
个人认为上述不是减压阀,当向弹簧腔进油时,只是一个常开通道,当弹簧腔回油时,起定差调速作用,A刚通压力油时,由液压冲击产生的高压油经4中位起平缓作用,由于节流,左弹簧腔油压升高,推动阀芯,AB路断开(此时左阀断开,右阀在最左位)当回转停时,惯性产生的高压作用于右弹簧腔,,推动阀芯左移,AB路接通,防备反转。阀芯的平缓移动是靠压力比较阀及节流孔的组合实现。

评分

参与人数 1三维币 +3 收起 理由
9619 + 3 鼓励积极参与技术讨论

查看全部评分

发表于 2007-10-18 18:58:41 | 显示全部楼层 来自: 新加坡
我拆开过一个马达,我的那个马达的3号阀,应该还有一个节流口。& [2 R$ W, h/ g5 A4 S& A( W4 W. E
但是好像没有搂主的4号阀。
% N) R' v& S. ~$ g; w6 B. V( [我的马达是挖机的旋转马达。
发表于 2007-10-18 19:36:01 | 显示全部楼层 来自: 中国广东深圳

回复 1# 的帖子

我好想要一些力士乐的马达样本资料,给我一些.我的邮箱是maoyouchun2003@yahoo.com.cn
发表于 2007-10-26 11:39:40 | 显示全部楼层 来自: 中国浙江宁波
看了楼上几位的见解,受益匪浅啊
( g4 J3 d! a. i, Y5 m1 h4 T不知楼上几位又没有 力士乐 A10FE 的 CAD外形图?
3 d' Z" @% g7 |+ G! Z# l小弟急需,谢谢.....
发表于 2007-10-26 12:01:10 | 显示全部楼层 来自: 中国江苏无锡
sealive_leafage说的太精辟了!我感觉把阀4理解成一种限速阀!这个阀在力士乐的应用实例上面也用!
发表回复
您需要登录后才可以回帖 登录 | 注册

本版积分规则


Licensed Copyright © 2016-2020 http://www.3dportal.cn/ All Rights Reserved 京 ICP备13008828号

小黑屋|手机版|Archiver|三维网 ( 京ICP备2023026364号-1 )

快速回复 返回顶部 返回列表