QQ登录

只需一步,快速开始

登录 | 注册 | 找回密码

三维网

 找回密码
 注册

QQ登录

只需一步,快速开始

展开

通知     

全站
3天前
查看: 5586|回复: 15
收起左侧

[讨论] 定差溢流阀的原理是什么啊?

[复制链接]
发表于 2007-7-24 20:17:10 | 显示全部楼层 |阅读模式 来自: 中国上海

马上注册,结识高手,享用更多资源,轻松玩转三维网社区。

您需要 登录 才可以下载或查看,没有帐号?注册

x
我查了很多书都没有找到啊,好象三维上也没有
6 e6 C1 x7 o/ U8 e! a( ?/ ]: ?2 c哪位高人能给讲解一下啊,谢谢
发表于 2007-7-24 20:23:56 | 显示全部楼层 来自: 中国北京
定差溢流阀 1 ?  \# a0 M8 W; |' }+ l
我也没有见到过,到是有定差减压阀。  a9 }! a( U) L# R* J$ _+ q
我也想知道怎么定差。。。
发表于 2007-7-24 20:30:48 | 显示全部楼层 来自: 中国江苏常州
定差溢流阀一般做为压力补偿器使用!4 J9 L! U1 s0 y0 c( q7 J
节流阀和定差溢流阀并联就是三通调速阀!作用是使油液流过节流阀前后的压差恒定,使执行元件的速度不随负载波动!
7 S; [! ~% V2 i" f4 L1 c( |定差溢流阀也大量使用为比例阀的进口压力补偿器!1 w! m" Z$ h4 v" [# {, L
在比例换向阀的进口并联定差溢流阀就是现在在工程机械上大量使用的负载敏感阀!
0 J: I9 ^) V- b" @比例流量阀并联定差溢流阀就是现在在注塑机上大量使用的PO阀!

评分

参与人数 1三维币 +2 收起 理由
自流井 + 2 有一定道理

查看全部评分

发表于 2007-7-24 21:53:36 | 显示全部楼层 来自: 中国北京
“节流阀和定差溢流阀并联就是三通调速阀!” % Z; C7 k$ `- ?+ {0 U0 c0 V4 c
能传个图片或结构图吗,长长见识
1 i+ i2 {' \& S1 {  i! n4 Q二通调速阀是用定差减压阀作为压力补偿器使用!
& d+ }( U$ S) |! G4 t4 Y  U+ z3 B) |0 @$ J. J8 ^/ Z
还有能介绍一下PO阀怎么使用的吗?来着原理图什么的...
0 i- c0 X# O6 ^% f# y5 h1 }我只知道在注塑机上使用的一种叫PQ阀的!9 J  b$ T; I" v
& I: V' j& l' C: {
要说的好版主也要多多加分阿:lol:
发表于 2007-7-25 12:34:33 | 显示全部楼层 来自: 中国江苏无锡
定差溢流阀和节流阀并联组成具有负载敏感功能
; K8 q) I8 Q$ _( b- M- V定差减压阀和节流阀串联自成具有负载补偿功能

评分

参与人数 1三维币 +3 收起 理由
晨砂 + 3 一针见血

查看全部评分

发表于 2007-7-25 14:19:04 | 显示全部楼层 来自: 中国湖南长沙
建议楼主去读一下<<液压元件>>林建亚这本书,是基础,
发表于 2007-7-25 20:26:53 | 显示全部楼层 来自: 中国江苏无锡
原帖由 柠檬咖啡 于 2007-7-24 21:53 发表 http://www.3dportal.cn/discuz/images/common/back.gif" j) i4 h2 P# w& D
“节流阀和定差溢流阀并联就是三通调速阀!” 7 l9 n; T6 D4 N+ V
能传个图片或结构图吗,长长见识 ' s  B+ x+ M9 c5 C: U) k7 X2 u
二通调速阀是用定差减压阀作为压力补偿器使用!
* ~1 {9 i; ]# \3 A, \* @( U# c- U  W$ ^+ E( u( Y; v0 d9 B
还有能介绍一下PO阀怎么使用的吗?来着原理图什么的...
5 j$ n3 b- X* c+ C$ C" N0 f/ I4 I我只知道在注 ...
5 {; W1 r: l& F1 p9 _, `# }
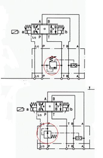
来张图,有限压,可调,卸何
{88995924-31ED-41AB-921A-61CDDD3204D7}.JPG

评分

参与人数 1三维币 +3 收起 理由
柠檬咖啡 + 3 典型原理图,谢谢

查看全部评分

发表于 2007-7-26 08:00:02 | 显示全部楼层 来自: 中国江苏常州
回复#8WUWANFU6 L' @* |1 h7 |  ^( h
我怎么感觉你那张图好象有问题啊?梭阀之后是个什么阀啊?怎么阀上的箭头是朝左边的啊 ?我觉得应该是个定值减压阀吧?
发表于 2007-9-28 19:38:56 | 显示全部楼层 来自: 中国安徽铜陵
定差溢流阀就是三通压力补偿器,他与恒流源并联组成进口压力补惭器。工作原理如上图,梭阀之后应是顺序阀,控制口应在右边。顺序阀与定差溢流阀左边节流口组成B型半桥。该半桥可调定差溢流阀稳定的阀口压差。当电磁阀通电,即将梭阀出口与定差溢流阀弹簧腔接通,流向为泵-节流口-顺序阀-梭阀,右边压力阀与定差溢流阀左边节流口组成B型半桥,来限制系统最大压力,当电磁阀失电,即卸荷。。
1 L: V% W0 j/ x4 y5 i6 O% y! T$ {  t: x  B
[ 本帖最后由 yaoyuang 于 2007-9-29 09:49 编辑 ]

评分

参与人数 1三维币 +3 收起 理由
柠檬咖啡 + 3 鼓励参与技术交流、讨论

查看全部评分

发表于 2007-9-29 11:09:48 | 显示全部楼层 来自: 中国安徽铜陵
更正一下,上图还是正确的,最大压力是由最右边压力阀来限制,定差溢流阀与顺序阀电磁阀组成压差可调的补偿器,当电磁阀通电,负载压力通过顺序阀作用于定差溢流阀弹簧腔,当负载大,定差溢流阀A点也大,保持电液比例阀进出口压差不变,顺序阀是防止出现负负载时,由于梭阀作用,错误的将油压反馈到定差溢流阀,而使定差溢流阀A点增大,个人决得,顺序阀压力设制很重要" i0 S3 d2 B3 G. z3 a% r

( }+ |& i& }3 ]4 _: @) x[ 本帖最后由 yaoyuang 于 2007-9-29 11:15 编辑 ]
发表于 2007-9-29 11:15:32 | 显示全部楼层 来自: 中国江苏无锡
er.JPG " B: j  h  z& ]/ y
上图就是定差减压阀和溢流阀在比例阀上的应用,控制比例阀的压差的
8 ~- Q. I0 c. q; a( M
# P: P4 n: Z" _  f8 [( x[ 本帖最后由 tian_93172 于 2007-9-29 11:16 编辑 ]
发表于 2007-9-29 11:18:48 | 显示全部楼层 来自: 中国安徽铜陵
如是11楼图,就好理解啦
发表于 2008-11-21 15:01:53 | 显示全部楼层 来自: 中国山西大同
学习了,谢谢各位的讲解。
发表于 2008-11-25 08:44:55 | 显示全部楼层 来自: 美国
想问下,负载敏感和负载补偿的含义及区别
发表于 2008-11-25 18:26:02 | 显示全部楼层 来自: 中国湖南长沙
这个图跟布赫阀的负载敏感一样的原理  负载补偿在履带吊上很重要, 当是在林德,布赫系统上了
 楼主| 发表于 2009-1-2 23:13:33 | 显示全部楼层 来自: 中国浙江杭州
原帖由 jf_241 于 2008-11-25 08:44 发表 http://www.3dportal.cn/discuz/images/common/back.gif9 C! L' [$ B* \( p* }6 E
想问下,负载敏感和负载补偿的含义及区别

. O2 f+ d. t* ~+ D, Z) @& e. E3 p, M" f; V- S% `
这点你可以看下吴根茂老师的《新编实用电液比例技术》245和246页,上面解释的很详细,本书在三维也有下载的
发表回复
您需要登录后才可以回帖 登录 | 注册

本版积分规则

Licensed Copyright © 2016-2020 http://www.3dportal.cn/ All Rights Reserved 京 ICP备13008828号

小黑屋|手机版|Archiver|三维网 ( 京ICP备2023026364号-1 )

快速回复 返回顶部 返回列表