|
|

楼主 |
发表于 2007-8-1 10:57:53
|
显示全部楼层
来自: 中国江苏常州
原帖由 xuping5114 于 2007-8-1 09:42 发表 http://www.3dportal.cn/discuz/images/common/back.gif; w& u9 a: |0 w! [9 f
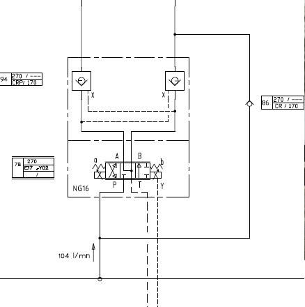
图1:换向阀右位得电,和单向阀86组合,形成差动." n0 e: _5 q: \8 y
这个图你只要注意下换向阀的右位,P-A通的时候B-T是不通的.
) T* y, c& g' V; a+ d* E# ^有杆腔油通过单向阀,到换向阀P到A,到无杆腔,是个差动.
5 K8 t, w' ?3 H% L# [. R& N并且肯定是左边油口接无杆腔,右边接有杆腔* H7 E: l7 ?5 a5 f& U" f4 {% O7 a
+ h& e! l! e" ?, Z
图2:Y口可以说是个卸油口,(一般情况直接接油箱)但在这里通过控制卸油口的压力
( P' A! s' p' p# Y来控制减压阀减压的压力.你看一下那个减压阀的内部结构就了解了. % F: |3 ]! U: h% g
那是不是NG6电磁阀不通电减压压力由主先导型减压阀调定,通电后由直动溢流阀调定,而且调定压力要大于主先导减压阀的调定压力?
9 w: A2 n/ c6 R8 q# N! I这种两级调压的我还是第一次见到,一般是利用K口(遥控口)来多级调压比较多!
% U4 x0 q3 Z% N1 q8 w下面那张图是先导减压阀的结构图,能否讲下他是如何用Y口进行调压的?
7 K3 I) L& n5 N2 Z! j) m% p8 {$ v) P
. u2 Q- n/ s4 F. b/ X3 A[ 本帖最后由 vinsenxgx 于 2007-8-1 11:05 编辑 ] |
|