QQ登录

只需一步,快速开始

登录 | 注册 | 找回密码

三维网

 找回密码
 注册

QQ登录

只需一步,快速开始

展开

通知     

全站
10天前
查看: 2056|回复: 3
收起左侧

[讨论] 这个连续拉伸模怎么做

[复制链接]
发表于 2007-8-7 18:38:01 | 显示全部楼层 |阅读模式 来自: 中国广东深圳

马上注册,结识高手,享用更多资源,轻松玩转三维网社区。

您需要 登录 才可以下载或查看,没有帐号?注册

x
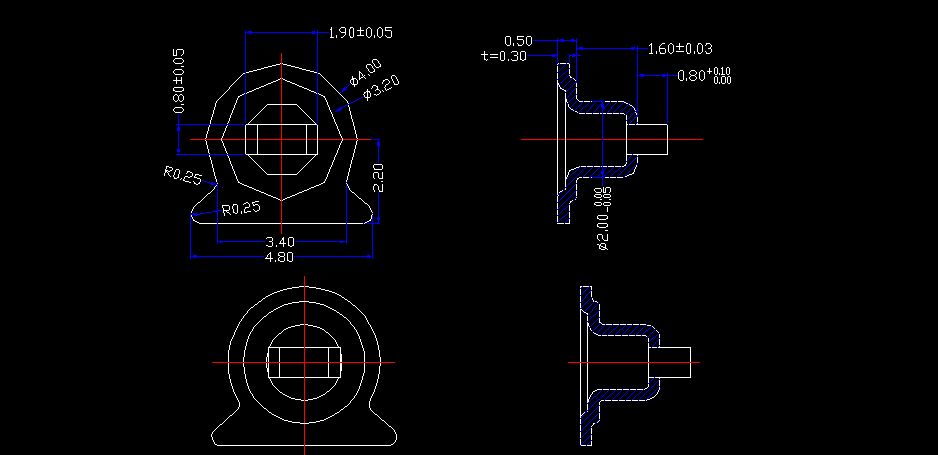
我公司有一套连续拉伸模,现把产品图传上来,大讨论一下,看怎么做.材料用0.3的铁料.我们现在六步拉伸,一步整形.

mold.rar

18.98 KB, 下载次数: 16

 楼主| 发表于 2007-8-8 00:16:30 | 显示全部楼层 来自: 中国广东深圳
附件:CAD平面图
MOLD.bmp
 楼主| 发表于 2007-8-12 12:33:17 | 显示全部楼层 来自: 中国广东深圳
比如:每一步拉多大,多深.
发表于 2008-5-24 16:26:21 | 显示全部楼层 来自: 中国福建漳州
请问顶部白色线的0。8那个尺寸是什么,
发表回复
您需要登录后才可以回帖 登录 | 注册

本版积分规则


Licensed Copyright © 2016-2020 http://www.3dportal.cn/ All Rights Reserved 京 ICP备13008828号

小黑屋|手机版|Archiver|三维网 ( 京ICP备2023026364号-1 )

快速回复 返回顶部 返回列表