QQ登录

只需一步,快速开始

登录 | 注册 | 找回密码

三维网

 找回密码
 注册

QQ登录

只需一步,快速开始

展开

通知     

全站
9天前
查看: 2626|回复: 13
收起左侧

[已解决] SW里面的形位公差为什么这么难标得好看?(有图)

[复制链接]
发表于 2007-8-8 20:16:13 | 显示全部楼层 |阅读模式 来自: 中国广东佛山

马上注册,结识高手,享用更多资源,轻松玩转三维网社区。

您需要 登录 才可以下载或查看,没有帐号?注册

x
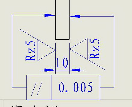
先看下面的两个图
% p% @9 Y3 Q$ {, M在CAD里面出的工程图, 形位公差可以标的整齐好看, 但SW就很难达到象CAD里面的那样, 并且形位公差的箭头只能指向轮廓线, 要不然当移动视图的时候形位公差不会跟着走或者箭头不知道飞到那里去了. 有什么办法解决呢?
1.GIF
2.GIF
发表于 2007-8-9 13:20:52 | 显示全部楼层 来自: 中国江苏常州
可以的啊!~~~~你多试试!
发表于 2007-8-9 13:35:24 | 显示全部楼层 来自: 中国北京
是你的工程图模板没有GB化,所以很难看
 楼主| 发表于 2007-8-9 20:31:10 | 显示全部楼层 来自: 中国广东佛山
我换成GB化的模板, 并且把尺寸标注标准设置成 GB 但还是标不出那种效果, 具体要怎样操作呢?
发表于 2007-8-12 00:20:03 | 显示全部楼层 来自: 中国
是啊
3 [+ d7 w) C& C3 {# m我的就很好看哦& b- ~) d1 f" t7 Q  j
修改一下你得图纸的格式
发表于 2007-8-12 11:17:09 | 显示全部楼层 来自: 中国山东济南
你拿到的所谓的GB模板应该不够GB
发表于 2007-8-21 19:44:19 | 显示全部楼层 来自: 中国广东潮州
你拿到的所谓的GB模板应该不够GB
0 Z/ {6 [, V# U8 b$ N好有才啊~!

评分

参与人数 1三维币 -2 收起 理由
wlkr -2 灌水

查看全部评分

发表于 2007-8-22 09:10:20 | 显示全部楼层 来自: 中国山东济南
呵呵,是油菜吧?1 F, m1 a/ k. X: L5 b- W+ l
光看那个箭头就知道那个所谓的GB模板不够细化。
发表于 2007-8-26 10:57:07 | 显示全部楼层 来自: 中国广东潮州
上面哪个caxa图也不够GB/ N+ L2 ~2 L: K0 S2 ^
GB规定字体用长仿宋
发表于 2007-8-26 18:46:09 | 显示全部楼层 来自: 中国江苏无锡
可以的啊!很方便的.........
未命名.jpg
发表于 2007-8-30 16:52:09 | 显示全部楼层 来自: 中国山东济南
在工程图里修改格式!
发表于 2007-8-30 17:16:16 | 显示全部楼层 来自: 中国山东济南
把模板设定为严格的国标格式是很必要的,论坛里有相关的教程
头像被屏蔽
发表于 2007-9-1 22:53:54 | 显示全部楼层 来自: 中国上海
提示: 作者被禁止或删除 内容自动屏蔽
发表于 2007-9-2 19:53:13 | 显示全部楼层 来自: 中国浙江湖州
呵呵.10楼的画的不错。
发表回复
您需要登录后才可以回帖 登录 | 注册

本版积分规则


Licensed Copyright © 2016-2020 http://www.3dportal.cn/ All Rights Reserved 京 ICP备13008828号

小黑屋|手机版|Archiver|三维网 ( 京ICP备2023026364号-1 )

快速回复 返回顶部 返回列表