QQ登录

只需一步,快速开始

登录 | 注册 | 找回密码

三维网

 找回密码
 注册

QQ登录

只需一步,快速开始

展开

通知     

全站
10天前
查看: 2172|回复: 6
收起左侧

[讨论] 请版主及各位同行高手帮我分析一下

[复制链接]
发表于 2007-8-12 03:13:11 | 显示全部楼层 |阅读模式 来自: 中国安徽铜陵

马上注册,结识高手,享用更多资源,轻松玩转三维网社区。

您需要 登录 才可以下载或查看,没有帐号?注册

x
我从事进口工程机械维修十三年了,最近遇到一件非常头痛的事,该液压系统泵吸油油路设置是增压吸油油路,吸油压力及回油压力达到65psi时,打开增压单向阀,泵开始进行吸油,并且操作室里有一个吸油压力表,而每当到了冬天该表压力显示为70psi,一到夏天工作半个小时后压力降低到50psi,并且泵伴有嗡嗡的声音,当时我们怀疑是油的粘度选用的不合理,后从选用的埃索H32改为埃索H68号液压油,但情况仍然没有改变,请版主及各位高手帮我分析一下.
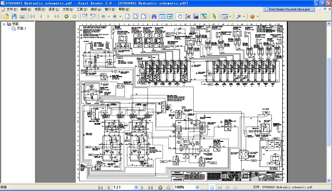
6 v! h0 l* v# F% V3 Z6 ^9 w  Z; m* b( d附图如下: 液压系统控制.JPG
发表于 2007-8-12 08:10:55 | 显示全部楼层 来自: 中国安徽铜陵

回复 #1 jilai 的帖子

图根本看不清,请楼主将此图以附件上传吧!另外提醒一下:埃索H68与埃索H32号液压油据我所知粘度虽有所改善,但它们的粘温特性却没多大区别。从您所描述的情况来看,应该是油粘度的问题,如果有条件的话,用自来水冷却相关发热元件,如泵不再有嗡嗡的声音,基本就可确定了,那就更换粘温特性较好的油品吧!
 楼主| 发表于 2007-8-12 20:08:32 | 显示全部楼层 来自: 中国安徽铜陵
晨砂,你讲的很对,在这以前我也用自来水冲了泵体,但确实注油压力在70PSI ,而且泵也没有嗡嗡的声音,当时我也怀疑是液压油粘度的问题,所以我也换了粘度高的液压油,可版主还认为油的粘度不够,我的意见和你一样,可我公司在也不同意我换油,所以我想求大家给我出出注意.谢谢版主!
发表于 2007-8-12 20:38:38 | 显示全部楼层 来自: 中国浙江温州
夏天用埃索H32号最好,应该清洗一下冷却器,同时检查系统内泄问题,这要从发热源及散热发面考虑。( 图纸看不清)
 楼主| 发表于 2007-8-12 20:54:45 | 显示全部楼层 来自: 中国安徽铜陵

附图

57656803 Hydraulic schematic.rar (546.11 KB, 下载次数: 15)
发表于 2007-8-13 08:27:11 | 显示全部楼层 来自: 中国陕西西安
能介绍一下该机器的功能吗?
头像被屏蔽
发表于 2007-8-14 17:45:38 | 显示全部楼层 来自: 中国贵州贵阳
提示: 作者被禁止或删除 内容自动屏蔽
发表回复
您需要登录后才可以回帖 登录 | 注册

本版积分规则


Licensed Copyright © 2016-2020 http://www.3dportal.cn/ All Rights Reserved 京 ICP备13008828号

小黑屋|手机版|Archiver|三维网 ( 京ICP备2023026364号-1 )

快速回复 返回顶部 返回列表