QQ登录

只需一步,快速开始

登录 | 注册 | 找回密码

三维网

 找回密码
 注册

QQ登录

只需一步,快速开始

展开

通知     

全站
11天前
查看: 2201|回复: 9
收起左侧

[已解决] 一个日本零件的加工问题

[复制链接]
发表于 2007-8-12 10:18:20 | 显示全部楼层 |阅读模式 来自: 中国江西南昌

马上注册,结识高手,享用更多资源,轻松玩转三维网社区。

您需要 登录 才可以下载或查看,没有帐号?注册

x
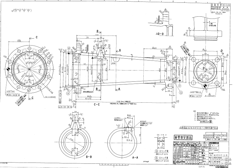
有谁作过类似零件的加工吗?在普通机床上加工,希望能将加工过程说下,谢谢!

石芝 326345341.pdf

103.89 KB, 下载次数: 14

半轴套管

 楼主| 发表于 2007-8-12 10:19:30 | 显示全部楼层 来自: 中国江西南昌
哪位朋友帮忙弄成图片贴出,省的浪费大家的流量,先谢过了!
发表于 2007-8-12 11:00:15 | 显示全部楼层 来自: 中国湖南株洲
楼主,你挺会想的,要我们帮助你解决问题,还要我们为你出流量。我下载下来看了一下,零件比较复杂,但我看可以在普通的车床、镗床、铣床和钻床上可以加工出来。大概工艺过程:以两端外圆面互为基准在车床上加工两端、槽及外圆——在镗床上加工内台——在铣床上铣中台——在钻床上钻孔——攻丝。. D+ C5 N! [7 q) \1 x2 o
1.jpg
 楼主| 发表于 2007-8-12 11:22:56 | 显示全部楼层 来自: 中国江西南昌
楼上的朋友,先谢谢你帮忙贴出图来!但你做的流程好象过于简化了点!
/ G6 F0 J) j8 J" c9 w/ E: x首先,车床在装夹车大端就是个问题,且内台一定要和大端一次加工,
$ t) A* N% k  j( G/ B& ~否则很难达到图纸要求!这个零件关键是在机床上的装夹定位,希望有
4 r: }5 A7 x# x8 ^; Z0 l7 r经验的朋友能帮帮忙,有什么好方法!
0 a5 s  c* E) R/ I  h2 r( ?$ h; m: G
. a' X5 L& B4 \[ 本帖最后由 牛人在线 于 2007-8-12 11:24 编辑 ]
发表于 2007-8-12 21:43:09 | 显示全部楼层 来自: 中国湖北宜昌
逮议你上镗床加工,用一个固定V型铁和一个可调V型铁支承,工件压紧前将工仵上方放两块V型铁可防止工仵变形,精加工前应适当忪一下压板.
发表于 2007-8-13 10:44:44 | 显示全部楼层 来自: 中国山西太原
1 夹小端即方法兰端,将大端车成,看不清尺寸,若能用中心架架大端法兰外径刚性会更好,若不能架,只好小转速度、小走刀量慢慢车。+ l, X6 W7 x# e& V& w
2 大端车成后,大端法兰钻孔。
8 n2 ^: `: F# `& x6 j2 h3 为保证二端的同轴度,做一夹具----法兰,对应大端法兰攻丝孔,再夹车床上车平面及内孔,内孔与工件凸缘配合,车成后将工件大端用螺栓连接到法兰上,小端车成。
& V; C9 J, J" u# @1 G4 然后钻孔,完成其余工序。# U2 F) m4 \) V4 k: i' j9 l

* D8 z' _! ~4 c! M[ 本帖最后由 gaoyns 于 2007-8-13 10:46 编辑 ]
发表于 2007-8-15 11:03:48 | 显示全部楼层 来自: 中国河南洛阳
敢问楼主做什么的?这张图纸我也有
 楼主| 发表于 2007-8-15 18:06:54 | 显示全部楼层 来自: 中国江西南昌
呵呵,觉得这个东西用普通机床加工有点难度,所以让大家探讨探讨.# Q; ]3 N! P0 N# P$ x* T8 l4 Z+ f
; {: M1 x. o, @* e) |+ E
莫非楼上的朋友加工过此零件!希望发表下高见!
发表于 2007-8-15 18:52:01 | 显示全部楼层 来自: 中国广东惠州
零件图看不清,所以不知道精度要求.但大致判断这个零件车床需要两套夹具,. `/ |+ L* ?8 F3 a
1.以外形两端圆锥为粗基准定位车大端
  X9 g  P3 e9 }6 ]; y0 p, Z- V2.钻床以大端内孔定位的夹具钻大端圆周均布孔0 z! p* W0 V$ p
3.以大端内孔定位小端增加支承,大端圆周均布孔压紧的夹具车小端.
7 B' G* k. D+ @$ X; H2 h4.加工小端孔等.
发表于 2007-8-16 16:41:37 | 显示全部楼层 来自: LAN
这样的讨论有多大意义?半轴套管在卧加上的工艺很成熟,而且轴承孔与齿圈装配孔的同轴度对装配后的性能有很大影响!普加的确可以加工出合格的零件,但是牺牲的是效率及精度的稳定性,如果给主机厂配套,普加的工序能力是否可过关,CPK能有多少?这样的纸上谈兵没有意义!
发表回复
您需要登录后才可以回帖 登录 | 注册

本版积分规则


Licensed Copyright © 2016-2020 http://www.3dportal.cn/ All Rights Reserved 京 ICP备13008828号

小黑屋|手机版|Archiver|三维网 ( 京ICP备2023026364号-1 )

快速回复 返回顶部 返回列表