QQ登录

只需一步,快速开始

登录 | 注册 | 找回密码

三维网

 找回密码
 注册

QQ登录

只需一步,快速开始

展开

通知     

全站
10天前
查看: 2377|回复: 9
收起左侧

[讨论] 液压锁紧会慢慢松开,系统不保压

[复制链接]
发表于 2007-8-15 12:15:23 | 显示全部楼层 |阅读模式 来自: 中国江苏扬州

马上注册,结识高手,享用更多资源,轻松玩转三维网社区。

您需要 登录 才可以下载或查看,没有帐号?注册

x
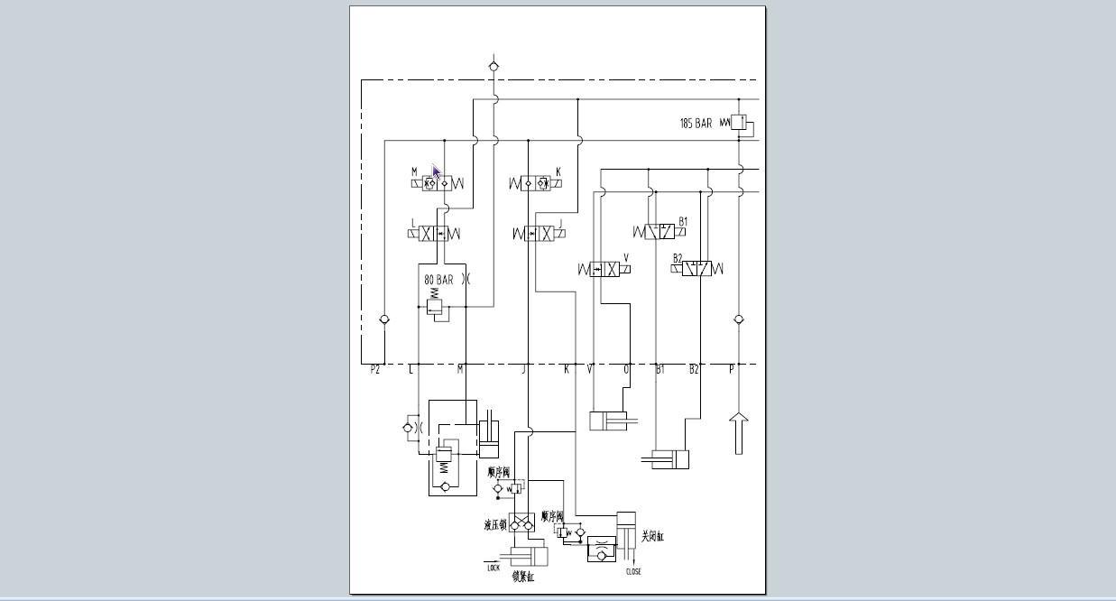
如下图中,关闭缸和锁紧缸实现顺序作用,锁紧缸锁紧后会慢慢松开,系统不保压,请帮忙看看是什么原因
Image000001.jpg

工作图.pdf

39.41 KB, 下载次数: 11

发表于 2007-8-15 12:42:44 | 显示全部楼层 来自: 中国江苏无锡
1,最大可能就是你的液压锁有泄漏了,要是方便的话可以换个试试。4 |! V: [( q* N; ^5 _2 S# ]' D& V
2,要是换了液压锁问题还不能解决的话,锁紧缸有内泄的可能性也是存在的,不能忽视!1 W* K& L+ v# r- G& `' K/ b0 o
3.其次就是最小可能性的了,就是两个顺序阀也有一定量的泄漏也会影响液压锁的性能。(不过看图锁紧后电磁阀应该在左位这个可能性几乎没有)# X; a: d6 o4 e# @8 {( }- G. m* o
" R7 Z5 {+ m2 r

# x# c* J! q/ \$ A3 ]' v8 z这只是个人的一点愚见,希望对你能够有用!说错的地方望高人纠正!9 _' k  u7 l( K, z, Y" L
% j/ _' k' K- n6 U* H
[ 本帖最后由 wuwanfu 于 2007-8-15 12:44 编辑 ]

评分

参与人数 1三维币 +10 收起 理由
binzhang + 10 应助

查看全部评分

发表于 2007-8-15 12:48:54 | 显示全部楼层 来自: 中国湖北武汉
当泵停止运行时,关闭缸有杆腔压力大于锁紧缸无杆腔的压力!锁紧缸无压力支撑,所以无法锁死!: w8 Z7 x  l( x" K

$ z2 t( `- i& z8 }9 V1 n3 h8 @7 Y- x; C8 p+ |: U
估计改变锁紧缸的参数可以解决问题!, g% s: U9 ]' j  o
2 X: x1 T5 [+ g: K8 e
[ 本帖最后由 mtmtmt 于 2007-8-15 13:32 编辑 ]
发表于 2007-8-15 21:21:06 | 显示全部楼层 来自: 中国河南驻马店
没看明白你的动作,如果向左是锁紧的,你的系统中液压锁与顺序阀的位置有问题。
发表于 2007-8-15 21:43:48 | 显示全部楼层 来自: 中国四川广元
图片上向右是锁紧!
发表于 2007-8-16 06:19:16 | 显示全部楼层 来自: 中国安徽铜陵
本人赞成wuwanfu 朋友的观点。但从楼主描述的现象来看,感觉锁紧缸内泄也是有可能的。
发表于 2007-8-16 08:00:42 | 显示全部楼层 来自: 中国江苏徐州
液压阀J、K如果有泄漏,也会造成液压锁误打开。
; D2 {0 m3 H4 F* m再就是局部原理图,不知道您的工况,分析可能不对,您可以查一下,锁紧缸锁紧后,还有哪些阀在动作,是否有串到液压锁控制油路的可能,如果有,就得排除掉。
8 W, T4 L) G7 {. O# r; ]8 k2 X4 w" I: ]* P, j
[ 本帖最后由 goldfluid 于 2007-8-16 08:03 编辑 ]
发表于 2007-9-19 12:22:35 | 显示全部楼层 来自: 中国辽宁本溪
大家说到的都有道理,我们单位也曾经发生过这样的故障,但是经过检查不是上诉原因
- a) W  Z& F: x! q1 V3 W我们单位的电磁阀是威格式的,最后的原因就是电磁阀不回中位,造成泄漏.8 W( e6 k4 t+ `$ U' E: X( x3 l2 s
仅供参考.
 楼主| 发表于 2007-9-26 10:51:02 | 显示全部楼层 来自: 中国江苏扬州
先说明一下,希望关闭缸先实现关闭动作(无杆腔进油),待压力到达6MPa时,连接锁紧缸有杆腔的顺序阀打开,有杆腔进油实现锁紧,换向作用后,锁紧缸无杆腔进油,到达压力到达6MPa时,关闭缸的有杆腔进油,但锁紧缸就是会慢慢松开
发表于 2008-3-7 21:11:37 | 显示全部楼层 来自: 中国湖北武汉
你说的不保压是怎么回事 是油缸有动作还是压力泄掉了
发表回复
您需要登录后才可以回帖 登录 | 注册

本版积分规则


Licensed Copyright © 2016-2020 http://www.3dportal.cn/ All Rights Reserved 京 ICP备13008828号

小黑屋|手机版|Archiver|三维网 ( 京ICP备2023026364号-1 )

快速回复 返回顶部 返回列表